Foram encontradas 45 questões.
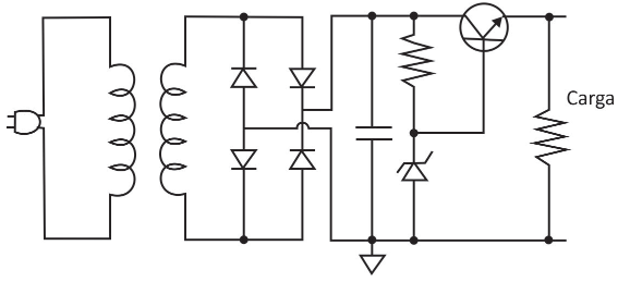
Um analista técnico eletrônico deseja montar uma fonte de alimentação DC, e está estudando o seguinte circuito:

Assim, NÃO é correto afirmar que:
Provas
Um analista técnico eletrônico deseja montar um circuito eletrônico que permita controlar a ligação na rede elétrica alternada comum uma carga elétrica de média potência, na faixa de 4KW (por exemplo um chuveiro elétrico). O controle deve ser feito a partir de uma chave elétrica de baixa potência. O circuito não deve possuir componentes eletromecânicos tal como um relé, sendo totalmente eletrônico. O componente central desse circuito eletrônico é o:
Provas
Um analista técnico eletrônico deseja montar um circuito eletrônico que receba na entrada os fios de uma bateria de carro, e ofereça na saída uma tomada com tensão elétrica alternada, de forma a poder ligar uma carga de rede elétrica comum (127VAC) tal como uma televisão ou uma geladeira. O seguinte circuito deve ser usado:
Provas
Um analista técnico eletrônico está analisando o circuito eletrônico da seguinte figura.

A equação lógica de saída é:
Provas
Disciplina: TI - Organização e Arquitetura dos Computadores
Banca: BIO-RIO
Orgão: EMGEPRON
Um analista técnico eletrônico deseja montar um circuito eletrônico que receba um pulso digital quando uma porta abrir e acenda um LED que deverá permanecer aceso indefinidamente. Um botão de reset deve existir para apagar o LED, deixando-o apagado até que um novo pulso da porta seja recebido. O nome do circuito eletrônico que deve ser usado para essa finalidade é:
Provas
Um analista técnico eletrônico deseja montar um circuito eletrônico que receba um sinal de tensão de um sensor, e acenda um LED no caso desse sinal estar acima de um valor de referência. A parte central do circuito deverá ser um amplificador operacional tipo 741. Em relação ao tema, NÃO é correto afirmar que:
Provas
Um analista técnico eletrônico deseja montar um amplificador para pequenos sinais de áudio, com amplitudes de sinal de entrada na faixa de 1mV. O circuito eletrônico indicado para essa finalidade é amplificador baseado em transistor bipolar polarizado:
Provas
Um analista técnico eletrônico deseja montar um circuito eletrônico para ser conectado na saída de um circuito lógico TTL, de forma que essa informação digital seja um sinal de comando para ligar ou desligar uma carga de tensão alternada da rede elétrica (por exemplo: uma televisão ou uma geladeira). Assinale a opção que indica os componentes com os quais se pode montar esse circuito.
Provas
Um analista técnico eletrônico deseja montar uma fonte de alimentação DC regulada. Uma parte da fonte de alimentação retifica a tensão alternada da rede elétrica com uma ponte de diodos e um capacitor de filtro. O componente eletrônico geralmente usado para produzir uma referência de tensão constante é:
Provas
- Lógica ProposicionalEquivalências Lógicas
- Lógica ProposicionalNegação de Proposições CompostasLeis de De Morgan
Provas
Caderno Container