Foram encontradas 50 questões.
O princípio de funcionamento de contatores baseia-se na força magnética originada pela energização de bobina e na força mecânica proveniente do conjunto de molas, preso à estrutura dos contatos móveis. As figuras a seguir mostram partes constituintes do dispositivo e diagrama de comando de contator (C1), de acionamento local, com aplicação em motores elétricos, composto por núcleo magnético bipartido, bobina que atua por efeito eletromagnético e contatos elétricos NA/NF.

Em relação aos contatores, é correto afirmar que:
Provas
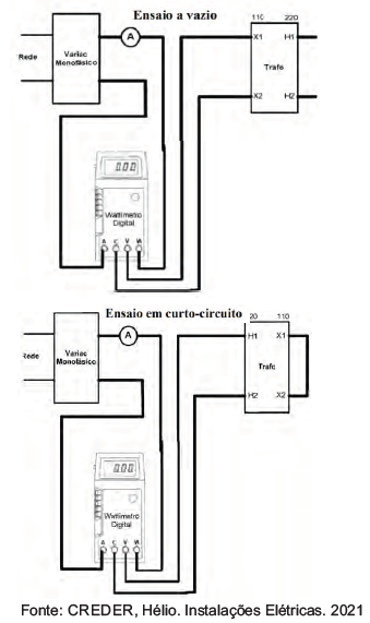
Durante realização de inspeção e ensaios, realizados por profissional habilitado, devem ser tomadas precauções que garantam segurança das pessoas, evitem danos às edificações e aos equipamentos instalados. Ensaios em transformadores monofásicos determinam parâmetros do circuito elétrico equivalente e podem ser feitos a vazio ou em curto-circuito, conforme diagramas abaixo.

Ensaios representam comportamentos de grandezas elétricas e magnéticas do circuito. Uma de suas características é servir para:
Provas
A instalação de tomada de uso especial (TUE) ou de uso geral (TUG), em uma caixa instalada na parede, requer ligação correta de condutores elétricos. O profissional designado para executar instalação monofásica deverá utilizar, de acordo a norma NBR 5410:
Provas
A lâmpada é um tubo preenchido por um gás inerte a baixa pressão com quatro eletrodos, dois de cada lado. O reator destina-se ao controle da corrente circulante, pois a lâmpada, após acesa, funciona como um curto-circuito. As figuras a seguir mostram ligação de reator simples convencional e ligação de lâmpada tubular tipo LED.

Lâmpadas LED apresentam mais vantagens em comparação às convencionais, pois permitem:
Provas
Um transformador abaixador ou YY tem tensão no primário de 13,2 kV e a corrente I1 = 2 A. Se a tensão no secundário é de 220 V, desprezando as perdas, a corrente I2 corresponde a:
Provas
A figura a seguir mostra parte da instalação elétrica de um imóvel com tensão de 220 V. A planta apresenta dois circuitos. O chuveiro demanda potência de 4400W, alimentado por tomada de uso específico. Considere condutores de cobre, isolação em PVC à temperatura ambiente de 30ºC.
A tabela mostra a capacidade de corrente de condutores, para circuitos monofásicos e bifásicos, de acordo com a norma NBR 5410.

Para o fator de correção de número de circuito e de temperatura igual a 1, o condutor adequado para instalar o chuveiro corresponde a:
Provas
De acordo com norma NBR 5410, o condutor de proteção pode ser comum a dois ou mais circuitos, quando instalado no mesmo conduto com condutores de fase. Podem ser utilizadas, como condutores de proteção, as seguintes estruturas:
Provas
Em circuitos de corrente alternada, não são previstas correntes de falta que não sejam senoidais, e os dispositivos DR atuam quando o valor da corrente de fuga tem valor igual ou superior à corrente de disparo nominal. Os dispositivos DR são capazes de:
Provas
A manutenção mecânica é realizada em equipamentos mecânicos acionados por energia elétrica, incluindo máquinas rotativas, sistemas de aquecimento e equipamentos eletromagnéticos. Para evitar o religamento inadvertido do equipamento durante o processo de manutenção, é preciso:
Provas
Um forno de secagem de pintura, alimentado com 220 volts, possui três resistências de 20 ohms ligados em paralelo, conforme ilustra a figura.

Para que o forno funcione, é necessário que a corrente e a potência total gerada correspondam a:
Provas
Caderno Container