Foram encontradas 40 questões.
Analise as afirmativas abaixo sobre um sistema
linear e invariante no tempo:
I. Um sistema é dito linear se a resposta do sistema a uma combinação linear de vários sinais for uma combinação linear, pesada pelos mesmos coeficientes das respostas individuais a cada um dos sinais.
II. Um sistema é dito invariante no tempo se, mesmo que haja um deslocamento no tempo do sinal de entrada, nenhum atraso é provocado no sinal de saída, mantendo a forma do sinal de saída.
III. Um sistema é linear e invariante no tempo se ele obedecer simultaneamente os critérios de linearidade e invariância no tempo.
Assinale a alternativa correta.
Provas
Para ter uma saída Y alta (1), quais os níveis (0 ou 1) que devem ser disponibilizados nas entradas A, B, C e D, respectivamente:

Provas
Para um multiplexador de 16 entradas de informação e 4 de endereço, como apresentado na figura a seguir, assinale a equação lógica que representa de forma correta a saída S do multiplexador:

Provas
Dada a equação lógica a seguir:
!$ Y=\bar{A}.\bar{B}.\bar{C}.\bar{D}+A.B.\bar{C}.\bar{D}+A.\bar{B}.\bar{C}.\bar{D} + A.B.C. \bar{D}+\bar{A}.\bar{B}.C.\bar{D}+A.\bar{B}.C.\bar{D} !$
Determine que resposta corresponde ao resultado correto da simplificação.
Provas
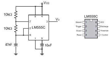
O circuito a seguir mostra um temporizador 555 configurado como multivibrador astável. Qual o valor aproximado para a freqüência do sinal de saída “V0”?

Provas
Dado o circuito a diodos a seguir e considerando o modelo apresentado para os mesmos, qual o valor aproximado para a tensão “vo” se ambas as entradas são levadas a nível lógico “0” (considere nível lógico “0” como sendo igual a 0V).

Provas
Para a estrutura amplificadora a seguir, qual o valor aproximado para o ponto quiescente:

Provas
No circuito abaixo, o diodo Zener tem Tensão Vz de 5,6 V; Potência máxima Pz(máx) de 400 mW e Corrente mínima de operação Iz(mín) de 5 mA. Qual o conjunto de especificações pode ser usado para o transistor Q1:

Provas
Com relação ao teste de transistores, considere as afirmações a seguir:
I. O traçador de curvas é uma ferramenta onde são traçadas várias curvas de IC x VCE (para diferentes valores de IB). Analisando essas curvas, podemos determinar rapidamente valores importantes como por exemplo o βCA.
II. Alguns multímetros atuais podem fornecer o valor de hFE utilizando soquetes especiais. É importante atentar, no entanto, para o tipo de transistor e a sequência de terminais.
III. Usando um simples ohmímetro, podemos verificar o estado de um transistor. Além disso, se as leituras das junções forem adequadas,
podemos distinguir o tipo de transistor, “npn” ou “pnp” .
Assinale a alternativa correta.
Provas
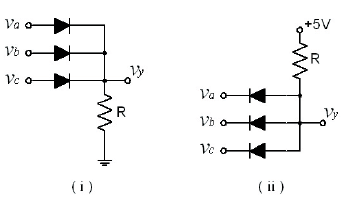
Dados os circuitos a diodos a seguir, e considerando lógica positiva (0V equivalendo a nível lógico “0”; e 5 V equivalendo a nível lógico “1”), qual a função lógica realizada por cada um, respectivamente?

Provas
Caderno Container