Magna Concursos

Foram encontradas 90 questões.

842208 Ano: 2012
Disciplina: Física
Banca: Marinha
Orgão: Escola Naval
Provas:
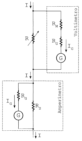
Para medir a ddp e a corrente no reostato de resistência elétrica R da figura, utilizou-se um voltímetro e um amperímetro reais, construídos com galvanômetros (G) idênticos de resistência interna !$ R_G = 40 Ω !$. Foram selecionados um multiplicador !$ R_M = 50 k Ω !$ (no voltímetro) , e um shunt !$ R_S = 16 \times 10^{-3} !$ !$ Ω !$ (no amperímetro) , definindo assim os valores máximos (fundo de escala) das medidas elétricas como sendo iguais a 50 V e 2,5 A, respectivamente. Desprezando os valores de R ou de !$ R_G !$ quando comparados a !$ R_M !$, o valor aproximado de R, em ohms, para o qual as correntes nos dois galvanômetros (!$ I_G !$) são sempre iguais é
Enunciado 842208-1
 

Provas

Questão presente nas seguintes provas
836203 Ano: 2012
Disciplina: Inglês (Língua Inglesa)
Banca: Marinha
Orgão: Escola Naval
Provas:
Which alternative best reports the stranger's speech in this passage?
In 1953, I got married. A few weeks after the wedding, I suddenly f ell ill. My husband took me to a hospital. I was there for almost a week. I was in so much pain. And no one could say for sure what was wrong. One night, in the hospital, a stranger came to see me. He told me, "Janie, you1 re going to die tomorrow". That was my name then, the name I was born with.
(Adapted from http://www.notmyshoes.net/monologues/ hannah-march.html)
 

Provas

Questão presente nas seguintes provas
822511 Ano: 2012
Disciplina: Física
Banca: Marinha
Orgão: Escola Naval
Provas:
O bloco B, de massa 10,0kg, está sobre o bloco A, de massa 40,0kg, ambos em repouso sobre um plano inclinado que faz um ângulo !$ θ !$ = 30° com a horizontal, conforme a figura. Há atrito, com coeficiente estático 0,600, entre o bloco B e o bloco A, não havendo atrito entre o bloco A e o plano inclinado. A intensidade mínima da força !$ \vec{F} !$, em newtons, aplicada ao bloco A e paralela ao plano inclinado, para que o sistema permaneça em repouso, é
Dado: g = 10,0 m/s².
Enunciado 822511-1
 

Provas

Questão presente nas seguintes provas
822294 Ano: 2012
Disciplina: Matemática
Banca: Marinha
Orgão: Escola Naval
Provas:

Considere dois cones circulares retos de altura H e raio da base lcm, de modo que o vértice de cada um deles é o centro da base do outro. 0 volume comum aos dois cones coincide com o volume do sólido obtido pela rotação do setor circular, sombreado na figura abaixo, em torno do eixo l. O valor de H é, em cm,

Enunciado 822294-1

 

Provas

Questão presente nas seguintes provas
817243 Ano: 2012
Disciplina: Matemática
Banca: Marinha
Orgão: Escola Naval
Provas:
Considere !$ \pi !$ o plano que contém o centro da esfera !$ x^2 + y^2 + z^2 - 6x + 2y - 4z + 13 = 0 !$ e a reta de equações paramétricas !$ \begin{cases} x = 2 + t \\ y = 1 - t \\ z = 3 + 2t \end{cases} !$, !$ t ∈ \Re !$. O volume do tetraedro limitado pelo plano !$ \pi !$ e pelos planos coordenados é ,em unidades de volume,
 

Provas

Questão presente nas seguintes provas
815921 Ano: 2012
Disciplina: Matemática
Banca: Marinha
Orgão: Escola Naval
Provas:
A soma dos quadrados das raízes da equação !$ |senx| = 1 - 2sen^2x !$, quando !$ 0 < x < 2 \pi !$ vale
 

Provas

Questão presente nas seguintes provas
804077 Ano: 2012
Disciplina: Física
Banca: Marinha
Orgão: Escola Naval
Provas:
Um bloco de massa M = 1,00 kg executa, preso a uma mola de constante k = 100 N/m, um MHS de amplitude A cm ao longo do plano inclinado mostrado na figura. Não há atrito em qualquer parte do sistema. Na posição de altura máxima, a mola está comprimida e exerce sobre o bloco uma força elástica de módulo igual a 3,00 N. A velocidade do bloco, em m/s, ao passar pela posição de equilíbrio é
Enunciado 804077-1
 

Provas

Questão presente nas seguintes provas
793806 Ano: 2012
Disciplina: Matemática
Banca: Marinha
Orgão: Escola Naval
Provas:

A figura que melhor representa o gráfico da função !$ x = |y| e^{{ \large 1 \over y}} !$ é

 

Provas

Questão presente nas seguintes provas
777231 Ano: 2012
Disciplina: Inglês (Língua Inglesa)
Banca: Marinha
Orgão: Escola Naval
Provas:
Why Join the Navy?
In the Navy, you' 11 find there' s much more to be gained than a regular paycheck. In fact, the Navy experience can shape your future through outstanding financial benefits, unparalleled career potential, and the lifestyle of freedom and personal growth that you've been waiting for.
(I)____
Launch your future in any of dozens of dynamic career and j ob areas - each with excellent opportunities to earn promotions by advancing through the ranks.
(II) ____
Report to work in a dif f erent time zone or a dif f erent hemisphere. Take on lif e as a world traveler. Experience people and places that most others simply canft. And see firsthand the positive impact you'11 make - for yourseif, your country and the world at large.
(III)
Do it all while earning competitive pay, generous vacation time and other special bonuses that make the difference between getting ahead and just getting by.
(IV) __
The Navy has a strong interest in the long-term health of its Sailors and their families, which means that outstanding benefits are standard - for both you and your family, including full coverage from some of the nation's most talented professionals.
(V) __
Think about it. As long as you have the drive to make a difference in the world - and in your own life - there will be a place for you in America's Navy. Enlist now!
(Adapted from http://www.navy.com/joining/why-join.html)
Considering the text, what do the expressions "getting ahead" and "getting by" mean in this extract?
" [...] and other special bonuses that make the difference between "gettcing ahead" and just getting by".
 

Provas

Questão presente nas seguintes provas
777210 Ano: 2012
Disciplina: Matemática
Banca: Marinha
Orgão: Escola Naval
Provas:
Os números reais a ,b ,c ,d , f , g ,h constituem, nesta ordem, uma progressão aritmética. Se !$ e^{det A} = lim_{y \rightarrow + ∞} \begin{pmatrix} 1 + { \large 2 \over y} \end{pmatrix}^{\large y \over 9} !$, onde A é a matriz !$ \begin{pmatrix} 1 & a & a^2 \\ 1 & b & b^2 \\ 1 & d & d^2 \end{pmatrix} !$ e !$ h = \sum_{n=3}^{+∞} ({ \large 1 \over 4})^n !$, então o valor de !$ (b-2g) !$ vale
 

Provas

Questão presente nas seguintes provas