Foram encontradas 80 questões.
Sejam p(x), q(x) e r(x) polinômios reais. Considere que p(x) cumpre os seguintes requisitos:
I- O polinômio q(x) = 3x !$ ^3 !$ - 21x + 18 divide p(x);
II- p(O) = 162;
III- 1 é raíz de p'(x);
IV- p'(O) = -477;
V- !$ {\large p(x) \over r(x) } = q (x) !$
Sabendo que o gr(q(x)) > gr(r(x)) e p'(x) indica a primeira derivada de p(x), assinale a opção que apresenta o polinômio r(x).
Provas
Questão presente nas seguintes provas
Não, os livros não vão acabar
Não sei se é a próxima chegada da Amazon ao Brasil ou a profecia maia do fim do mundo, mas o fato é que nunca vi tanta gente preocupada com o fim do livro. São estudantes que me escrevem motivados por pesquisas escolares, organizadores de eventos literários que me pedem palestras, leitores que manifestam sua apreensão. Em alguns casos, percebo uma espécie perversa de prazer apocalíptico, mas logo desaponto quem quer ver o mar pegando fogo para comer camarão cozido: é que absolutamente não acredito que o livro vai acabar.
Tenho escrito reiteradas vezes sobre o assunto; estou, aliás, numa posição bastante confortável para fazê lo. Gosto igualmente de livros e de tecnologia, e seria a primeira a abraçar meus dois amores reunidos num só objeto; mas embora o Kindle e os vários pads tenham o seu valor como readers, os livros em papel não estão tão próximos da extinção quanto, digamos, o tigre de Sumatra.
Para começo de conversa, é preciso lembrar que o negócio das editoras não é vender papel, mas sim vender histórias. O papel é apenas o suporte para os seus produtos. Aos poucos, em alguns casos, ele tende a ser mesmo substituldo pelos tablets. Não dou vida longa aos livros de referência em papel. Estes funcionam melhor, e podem ser mais , facilmente atualizados, em forma eletrônica. O caso clássico é o da Enciclopédia Britannica, cujos editores anunciaram, no começo do ano, que a edição corrente, de 201 O, seria a última impressa, marcando o fim de 244 anos de uma bela - e volumosa - história em papel.
Embora quase todos os conjuntos de folhas impressas reunidos entre duas capas recebam o mesmo nome de livro, nem todos exercem a mesma função. Há livros e livros. Um manual técnico é um animal completamente diferente de um romance; um livro escolar não guarda nenhuma semelhança com um livro de arte; uma antologia poética e um guia de viagem são produtos que só têm em comum o fato de serem vendidos no mesmo lugar.
Há livros que só funcionam em papel. É o caso dos livros que os povos angloparlantes denominam coffee table books, "livros de mesinha de centro" - aqueles livrões bonitos, em formato grande, cheios de ilustrações e muito incômodos de ler no colo, impossíveis de levar para a cama. Estes são objetos que se destacam pelo tamanho, pela qualidade de impressão, pela vista que fazem. Quem quer ver um livro desses num tablet? Quem quer presentear um desses em e-formato?
Há também os grandes clássicos, os romances que todos amamos e queremos ter ao alcance da mão. Esses são aqueles livros que, em geral, lemos pela primeira vez em formato de bolso, mas aos quais nos apegamos tanto que, não raro, acabamos comprando uma segunda edição, mais bonita, para nos fazer companhia pelo resto da vida.
Isso explica as lindas edições que a Zahar, por exemplo, tem feito de obras que já encantaram várias gerações, como "Peter Pan", "Os três mosqueteiros" ou "Vinte mil léguas submarinas": livros lindos de se ver e de se pegar, cujo esmero físico complementa a edição caprichada. Ganhar de presente um livro desses é uma alegria que não se tem com um vale para uma compra eletrônica. Fica a dica, aliás, já que o Natal vem aí.
Há prazeres e sensações que só tem com o papel. Gosto de perceber o tamanho de um livro á primeira vista. Um tablet pode me informar quantas páginas um volume tem, mas essa informação é abstrata. Saber que um livro tem 500 páginas ou ver que um livro tem 500 páginas são coisas diferentes. Gosto também de folhear um livro e de fazer uma espécie de leitura em diagonal antes de me decidir pela compra. Isso é impossível de fazer com ebooks.
Sem falar, é claro, do cheiro inigualável dos livros em papel.
RÓNAI, Cora. Jornal O Globo, Economia, 12.11.2012
Leia o excerto a seguir.
"[ ... ] mas o fato é que nunca vi tanta gente preocupada com o fim do livro." (1°§)
Assinale a opção que apresenta a classificação morfológica correta do termo destacado.
Provas
Questão presente nas seguintes provas
Analise a figura abaixo.
A figura acima mostra um sistema cartesiano xyz, onde três partículas, em repouso, ocupam as seguintes posições:
- no ponto (0,2m,3m), a partícula A de massa m !$ _A !$=1,0kg;
- no ponto (6m,2m,0), a partícula B de massa m !$ _B !$=2,0kg;
- no ponto (5m,4m,3m), a partícula C de massa m !$ _C !$=3,0kg.
A partir do instante t=0, três forças constantes, medidas em newtons, são aplicadas às partículas, conforme relato abaixo:
!$ \vec {F}_1 = 2Î + 3 {\widehat J} !$, aplicada à partícula A;
!$ \vec {F}_2 = - 3 {\widehat J} - {\widehat k} !$, aplicada à partícula B;
!$ \vec {F}_3 = {\widehat k} !$, aplicada à partícula C.
Sendo assim, o vetor posição, em metros, do centro de massa desse sistema de três partículas, no instante t = 3 segundos, é igual a:
Provas
Questão presente nas seguintes provas
Seja a matriz !$ M = \begin{bmatrix} 1&1&1\\1&0&0\\0&1&0\end{bmatrix} !$ onde !$ M^n = M \times M \times ... \times M !$, com n fatores, x a soma dos elementos da 1 ª coluna de M !$ ^{12} !$ e y a soma dos elementos da 3ª coluna de M !$ ^{12} !$ . Nesse caso, o valor de x - y é:
Provas
Questão presente nas seguintes provas
Seja f uma função real. Supondo que !$ \displaystyle \lim_{x \rightarrow b} \dfrac{f(x)-f(b)}{x-b} = M !$, calcule !$ \displaystyle \lim_{p \rightarrow 0} \dfrac{f(b+p)-f(b-p)}{p} !$ e assinale a opção correta.
Provas
Questão presente nas seguintes provas
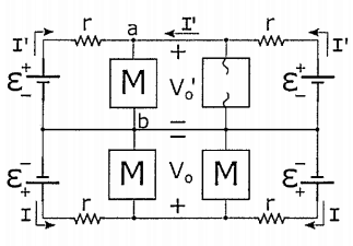
Analise a figura abaixo.
Um drone tipo quadcóptero sofre uma avaria durante um voo, sendo anulada a corrente no enrolamento de um de seus quatro motores (idênticos). Medições no circuito elétrico de alimentação dos motores (ver figura) mostram que, em relação aos valores anteriores à pane !$ (V_0 \ I) !$, o valor da diferença de potencial V !$ _0 !$' é 20% maior, e o valor da corrente elétrica 1' em duas das quatro baterias, de força eletromotriz !$ ε !$ e resistência interna r, é 40% menor. Nessas condições, a potência elétrica fornecida ao motor entre os terminais a e b variou, percentualmente, de:
Provas
Questão presente nas seguintes provas
Um círculo, contido no plano x - 2y + 4 = o, de centro (4,4,4) e raio !$ \sqrt 5 !$, é projetado ortogonalmente no plano y = O, formando uma figura plana de área, em unidades de área, igual a:
Provas
Questão presente nas seguintes provas
Não, os livros não vão acabar
Não sei se é a próxima chegada da Amazon ao Brasil ou a profecia maia do fim do mundo, mas o fato é que nunca vi tanta gente preocupada com o fim do livro. São estudantes que me escrevem motivados por pesquisas escolares, organizadores de eventos literários que me pedem palestras, leitores que manifestam sua apreensão. Em alguns casos, percebo uma espécie perversa de prazer apocalíptico, mas logo desaponto quem quer ver o mar pegando fogo para comer camarão cozido: é que absolutamente não acredito que o livro vai acabar.
Tenho escrito reiteradas vezes sobre o assunto; estou, aliás, numa posição bastante confortável para fazê lo. Gosto igualmente de livros e de tecnologia, e seria a primeira a abraçar meus dois amores reunidos num só objeto; mas embora o Kindle e os vários pads tenham o seu valor como readers, os livros em papel não estão tão próximos da extinção quanto, digamos, o tigre de Sumatra.
Para começo de conversa, é preciso lembrar que o negócio das editoras não é vender papel, mas sim vender histórias. O papel é apenas o suporte para os seus produtos. Aos poucos, em alguns casos, ele tende a ser mesmo substituldo pelos tablets. Não dou vida longa aos livros de referência em papel. Estes funcionam melhor, e podem ser mais , facilmente atualizados, em forma eletrônica. O caso clássico é o da Enciclopédia Britannica, cujos editores anunciaram, no começo do ano, que a edição corrente, de 201 O, seria a última impressa, marcando o fim de 244 anos de uma bela - e volumosa - história em papel.
Embora quase todos os conjuntos de folhas impressas reunidos entre duas capas recebam o mesmo nome de livro, nem todos exercem a mesma função. Há livros e livros. Um manual técnico é um animal completamente diferente de um romance; um livro escolar não guarda nenhuma semelhança com um livro de arte; uma antologia poética e um guia de viagem são produtos que só têm em comum o fato de serem vendidos no mesmo lugar.
Há livros que só funcionam em papel. É o caso dos livros que os povos angloparlantes denominam coffee table books, "livros de mesinha de centro" - aqueles livrões bonitos, em formato grande, cheios de ilustrações e muito incômodos de ler no colo, impossíveis de levar para a cama. Estes são objetos que se destacam pelo tamanho, pela qualidade de impressão, pela vista que fazem. Quem quer ver um livro desses num tablet? Quem quer presentear um desses em e-formato?
Há também os grandes clássicos, os romances que todos amamos e queremos ter ao alcance da mão. Esses são aqueles livros que, em geral, lemos pela primeira vez em formato de bolso, mas aos quais nos apegamos tanto que, não raro, acabamos comprando uma segunda edição, mais bonita, para nos fazer companhia pelo resto da vida.
Isso explica as lindas edições que a Zahar, por exemplo, tem feito de obras que já encantaram várias gerações, como "Peter Pan", "Os três mosqueteiros" ou "Vinte mil léguas submarinas": livros lindos de se ver e de se pegar, cujo esmero físico complementa a edição caprichada. Ganhar de presente um livro desses é uma alegria que não se tem com um vale para uma compra eletrônica. Fica a dica, aliás, já que o Natal vem aí.
Há prazeres e sensações que só tem com o papel. Gosto de perceber o tamanho de um livro á primeira vista. Um tablet pode me informar quantas páginas um volume tem, mas essa informação é abstrata. Saber que um livro tem 500 páginas ou ver que um livro tem 500 páginas são coisas diferentes. Gosto também de folhear um livro e de fazer uma espécie de leitura em diagonal antes de me decidir pela compra. Isso é impossível de fazer com ebooks.
Sem falar, é claro, do cheiro inigualável dos livros em papel.
RÓNAI, Cora. Jornal O Globo, Economia, 12.11.2012
Assinale a opção que, de acordo com a regência e a norma-padrão, a troca da palavra sublinhada pela que está entre parênteses NÃO altera a relação de sentido entre os termos.
Provas
Questão presente nas seguintes provas
Não, os livros não vão acabar
Não sei se é a próxima chegada da Amazon ao Brasil ou a profecia maia do fim do mundo, mas o fato é que nunca vi tanta gente preocupada com o fim do livro. São estudantes que me escrevem motivados por pesquisas escolares, organizadores de eventos literários que me pedem palestras, leitores que manifestam sua apreensão. Em alguns casos, percebo uma espécie perversa de prazer apocalíptico, mas logo desaponto quem quer ver o mar pegando fogo para comer camarão cozido: é que absolutamente não acredito que o livro vai acabar.
Tenho escrito reiteradas vezes sobre o assunto; estou, aliás, numa posição bastante confortável para fazê lo. Gosto igualmente de livros e de tecnologia, e seria a primeira a abraçar meus dois amores reunidos num só objeto; mas embora o Kindle e os vários pads tenham o seu valor como readers, os livros em papel não estão tão próximos da extinção quanto, digamos, o tigre de Sumatra.
Para começo de conversa, é preciso lembrar que o negócio das editoras não é vender papel, mas sim vender histórias. O papel é apenas o suporte para os seus produtos. Aos poucos, em alguns casos, ele tende a ser mesmo substituldo pelos tablets. Não dou vida longa aos livros de referência em papel. Estes funcionam melhor, e podem ser mais , facilmente atualizados, em forma eletrônica. O caso clássico é o da Enciclopédia Britannica, cujos editores anunciaram, no começo do ano, que a edição corrente, de 201 O, seria a última impressa, marcando o fim de 244 anos de uma bela - e volumosa - história em papel.
Embora quase todos os conjuntos de folhas impressas reunidos entre duas capas recebam o mesmo nome de livro, nem todos exercem a mesma função. Há livros e livros. Um manual técnico é um animal completamente diferente de um romance; um livro escolar não guarda nenhuma semelhança com um livro de arte; uma antologia poética e um guia de viagem são produtos que só têm em comum o fato de serem vendidos no mesmo lugar.
Há livros que só funcionam em papel. É o caso dos livros que os povos angloparlantes denominam coffee table books, "livros de mesinha de centro" - aqueles livrões bonitos, em formato grande, cheios de ilustrações e muito incômodos de ler no colo, impossíveis de levar para a cama. Estes são objetos que se destacam pelo tamanho, pela qualidade de impressão, pela vista que fazem. Quem quer ver um livro desses num tablet? Quem quer presentear um desses em e-formato?
Há também os grandes clássicos, os romances que todos amamos e queremos ter ao alcance da mão. Esses são aqueles livros que, em geral, lemos pela primeira vez em formato de bolso, mas aos quais nos apegamos tanto que, não raro, acabamos comprando uma segunda edição, mais bonita, para nos fazer companhia pelo resto da vida.
Isso explica as lindas edições que a Zahar, por exemplo, tem feito de obras que já encantaram várias gerações, como "Peter Pan", "Os três mosqueteiros" ou "Vinte mil léguas submarinas": livros lindos de se ver e de se pegar, cujo esmero físico complementa a edição caprichada. Ganhar de presente um livro desses é uma alegria que não se tem com um vale para uma compra eletrônica. Fica a dica, aliás, já que o Natal vem aí.
Há prazeres e sensações que só tem com o papel. Gosto de perceber o tamanho de um livro á primeira vista. Um tablet pode me informar quantas páginas um volume tem, mas essa informação é abstrata. Saber que um livro tem 500 páginas ou ver que um livro tem 500 páginas são coisas diferentes. Gosto também de folhear um livro e de fazer uma espécie de leitura em diagonal antes de me decidir pela compra. Isso é impossível de fazer com ebooks.
Sem falar, é claro, do cheiro inigualável dos livros em papel.
RÓNAI, Cora. Jornal O Globo, Economia, 12.11.2012
Assinale a opção correta quanto ao recurso argumentativo utilizado pela autora no trecho destacado.
Provas
Questão presente nas seguintes provas
Analise a figura abaixo.

A figura representa o perfil de um plano inclinado de um ângulo !$ θ !$ no qual estão fixas duas polias ideais de modo que o trecho de fio 1 é horizontal e o trecho de fio 2 é paralelo ao plano inclinado. Os fios são ideais e os atritos são desprezíveis. Sabendo-se que os blocos A e B tem o mesmo peso P, qual deve ser o peso do bloco C para que o sistema permaneça em equilíbrio?
Provas
Questão presente nas seguintes provas
Cadernos
Caderno Container