Foram encontradas 1.545 questões.
Os canteiros de obras devem ser planejados e construídos de forma a garantir condições de trabalho favoráveis e seguras para os operários. Com relação ao planejamento e às características de canteiros de obras, julgue os itens abaixo.
O local destinado ao vaso sanitário (gabinete sanitário) de instalações sanitárias de canteiros de obras deve ter área compreendida entre 0,6 m2 e 0,9 m2.
Provas
Os canteiros de obras devem ser planejados e construídos de forma a garantir condições de trabalho favoráveis e seguras para os operários. Com relação ao planejamento e às características de canteiros de obras, julgue os itens abaixo.
As instalações sanitárias em canteiros de obras devem ter pé-direito mínimo de 2,50 m ou respeitar o que determina o código de obras do município da obra.
Provas

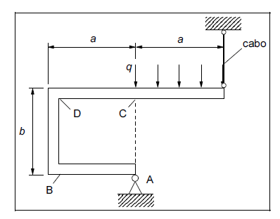
Considere o pórtico plano e rígido apresentado na figura acima, submetido somente ao carregamento uniformemente distribuído com intensidade q. O pórtico é suportado por um apoio, no ponto A, e um cabo inextensível rotulado nas suas extremidades. Desprezando o peso próprio do pórtico, julgue os itens que se seguem.
Quanto maior o valor da dimensão b maior o momento fletor ao longo do trecho vertical do pórtico compreendido entre os pontos B e D.
Provas

Considere o pórtico plano e rígido apresentado na figura acima, submetido somente ao carregamento uniformemente distribuído com intensidade q. O pórtico é suportado por um apoio, no ponto A, e um cabo inextensível rotulado nas suas extremidades. Desprezando o peso próprio do pórtico, julgue os itens que se seguem.
O momento fletor na seção transversal que passa pelo ponto D é negativo.
Provas

Considere o pórtico plano e rígido apresentado na figura acima, submetido somente ao carregamento uniformemente distribuído com intensidade q. O pórtico é suportado por um apoio, no ponto A, e um cabo inextensível rotulado nas suas extremidades. Desprezando o peso próprio do pórtico, julgue os itens que se seguem.
O esforço cortante na seção transversal que passa pelo ponto C é nulo.
Provas

Considere o pórtico plano e rígido apresentado na figura acima, submetido somente ao carregamento uniformemente distribuído com intensidade q. O pórtico é suportado por um apoio, no ponto A, e um cabo inextensível rotulado nas suas extremidades. Desprezando o peso próprio do pórtico, julgue os itens que se seguem.
O momento fletor na seção transversal que passa pelo ponto B é positivo.
Provas

Considere o pórtico plano e rígido apresentado na figura acima, submetido somente ao carregamento uniformemente distribuído com intensidade q. O pórtico é suportado por um apoio, no ponto A, e um cabo inextensível rotulado nas suas extremidades. Desprezando o peso próprio do pórtico, julgue os itens que se seguem.

Provas
Julgue os itens abaixo, relacionados a instalações de água fria.
A subpressão de abertura é o maior aumento de pressão estática na água logo após o funcionamento de uma peça de utilização.
Provas
Julgue os itens abaixo, relacionados a instalações de água fria.
A caixa de quebra-pressão é uma caixa d’água intermediária destinada a reduzir a pressão nas colunas de distribuição.
Provas
Julgue os itens abaixo, relacionados a instalações de água fria.
A pressão total de fechamento é o valor máximo de pressão atingido pela água na seção logo a montante de uma peça de utilização em seguida a seu fechamento, equivalendo à soma da sobrepressão de fechamento com a pressão estática na seção considerada.
Provas
Caderno Container