Foram encontradas 60 questões.
- Instalações ElétricasEquipamentos em Média Tensão
- Sistemas Elétricos de PotênciaDistribuição de Energia Elétrica
Os dispositivos FACTS são capazes de realizar rápidas mudanças no sistema elétrico de potência, sendo implementados a partir da década de 1960. Estes dispositivos podem ser conectados em série ou em paralelo com a rede elétrica, dependendo do objetivo de sua aplicação.
São considerados dispositivos FACTS para conexão em paralelo os:
Provas

Considere o circuito mostrado na figura acima, onde são mostradas quatro impedâncias Z1, Z2, Z3 e Z4, além da fonte de tensão senoidal de valor Vs.
O valor da impedância equivalente de thevennin vista dos pontos a e b é:
Provas
Em um sistema em que os valores base de potência e tensão são, respectivamente, 50 kVA e 13,8 kV, o valor da nova impedância de sequência positiva percentual é aproximadamente:
Provas

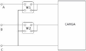
Considere um circuito trifásico com sequência de fase ABC a três fios, apresentado na figura acima. Admitindo que a leitura nos watímetros W1 e W2 são 3500W e 2000W, respectivamente, o valor aproximado da potência reativa total da carga, em VAr é:
Provas
Na figura acima é apresentado um circuito de controle para acionamento de motores. Nos pontos I e II do circuito devem ser instaladas, de acordo com a legenda, respectivamente, as botoeiras:
Provas
Figura 1
A figura 1 apresenta o layout de uma instalação industrial que possui 3 motores monofásicos, tensão de operação é 110V, alimentados por um quadro de força (QF). A Tabela 1 apresenta as quedas percentuais para condutores, em função da potência e da distância. A seção mínima do condutor, em mm², para que a queda de tensão máxima no circuito seja 4%, é:
Provas
O ensaio acima descrito foi realizado em um transformador de tensão nominal primária (em delta) igual a 20KV e tensões no secundário (em estrela) de 380/220 volts. A impedância equivalente desse transformador, em percentual, é de:
Provas
Provas

Um transformador monofásico de 600 VA, 120 V / 12 V, foi submetido a um ensaio cujo esquema de ligação e leitura dos instrumentos durante o ensaio são apresentados na figura acima.
Com base no exposto, considere as seguintes afirmativas:
I. o ensaio realizado é o ensaio a vazio.
II. a reatância série do transformador, refletida para o lado de alta, é aproximadamente 2 Ω.
III. a resistência série do transformador, refletida para o lado de baixa, é aproximadamente 0,12 Ω.
Provas
Provas
Caderno Container