Foram encontradas 40 questões.
Um transformador abaixador tem no lado primário uma tensão de 13,2 KV e uma corrente de 2 A. Se a
tensão no secundário é de 220 V, logo a corrente do lado secundário, desprezando as perdas, é igual a:
Provas
Questão presente nas seguintes provas
Considere as afirmativas abaixo:
I. Capacitores absorvem potência reativa da instalação onde está conectado. II. Capacitores são utilizados para a correção do fator de potência. III. Uma das formas de reduzir a intensidade de corrente transportada até grandes centros de cargas predominantemente indutivas, por exemplo, motores, é a utilização de banco de capacitores instalados próximos dos referidos centros de carga. IV. As energizações de bancos de capacitores instalados em grandes centros de carga sempre provocam uma súbita redução de tensão.
Pode-se concluir CORRETAMENTE que:
I. Capacitores absorvem potência reativa da instalação onde está conectado. II. Capacitores são utilizados para a correção do fator de potência. III. Uma das formas de reduzir a intensidade de corrente transportada até grandes centros de cargas predominantemente indutivas, por exemplo, motores, é a utilização de banco de capacitores instalados próximos dos referidos centros de carga. IV. As energizações de bancos de capacitores instalados em grandes centros de carga sempre provocam uma súbita redução de tensão.
Pode-se concluir CORRETAMENTE que:
Provas
Questão presente nas seguintes provas
O capacitor é um elemento que cria uma diferença de fase entre os campos magnéticos de motores
monofásicos, auxiliando no torque de partida. Um exemplo do valor de capacitância desse elemento, utilizado
para a partida de motores monofásicos, encontra-se indicado em:
Provas
Questão presente nas seguintes provas
- EletrotécnicaCircuitos Elétricos em Eletricidade
- EletrotécnicaCircuitos de Corrente Contínua e de Corrente Alternada
Um chuveiro elétrico, com uma resistência de 2 Ω, possui potência nominal de 5000W. Sabendo disso, o
valor de corrente elétrica que o chuveiro consome da rede de energia corresponde a:
Provas
Questão presente nas seguintes provas
- EletrotécnicaCircuitos Elétricos em Eletricidade
- EletrotécnicaCircuitos de Corrente Contínua e de Corrente Alternada
Um forno elétrico industrial de 40Ω consome uma corrente elétrica de 15A. A diferença de potencial nos
terminais do resistor do referido forno é igual a:
Provas
Questão presente nas seguintes provas
A fatura de energia elétrica mensal de uma residência onde vivem três pessoas registrou o consumo de 432
KWh. Sendo assim, a potência elétrica média por pessoa, no período de 30 dias, corresponde a:
Provas
Questão presente nas seguintes provas
Geralmente, o diâmetro dos eletrodutos utilizados em instalações elétricas são referenciados em polegadas.
Contudo, os padrões de diâmetro de eletrodutos em milímetros são valores aproximados de suas dimensões
em polegadas. Sabendo disso, os eletrodutos de 3/4 de polegada (3/4”),1 polegada (1”), 1 1/4 de polegada (1 1/4”)
e 2 polegadas (2”), correspondem, respectivamente, aos seguintes padrões de dimensões de diâmetro, em
milímetros (mm):
Provas
Questão presente nas seguintes provas
Nas colunas abaixo estão descritos alguns EQUIPAMENTOS ELÉTRICOS e FUNÇÕES:
EQUIPAMENTOS ELÉTRICOS:
I. Para-raios. II. Disjuntores. III. Transformadores de força.
FUNÇÕES:
A. São os equipamentos responsáveis pela conversão da energia elétrica recebida em alta tensão para baixa tensão. B. São os equipamentos responsáveis pelas manobras de instalações elétricas, interrompendo ou restabelecendo a carga dos circuitos ou da instalação geral. C. São equipamentos responsáveis pela segurança das instalações e atuam durante uma súbita elevação do valor de tensão nominal da rede de distribuição por ocasião de uma descarga atmosférica.
A CORRETA ASSOCIAÇÃO entre os EQUIPAMENTOS ELÉTRICOS e suas respectivas FUNÇÕES está descrita em:
EQUIPAMENTOS ELÉTRICOS:
I. Para-raios. II. Disjuntores. III. Transformadores de força.
FUNÇÕES:
A. São os equipamentos responsáveis pela conversão da energia elétrica recebida em alta tensão para baixa tensão. B. São os equipamentos responsáveis pelas manobras de instalações elétricas, interrompendo ou restabelecendo a carga dos circuitos ou da instalação geral. C. São equipamentos responsáveis pela segurança das instalações e atuam durante uma súbita elevação do valor de tensão nominal da rede de distribuição por ocasião de uma descarga atmosférica.
A CORRETA ASSOCIAÇÃO entre os EQUIPAMENTOS ELÉTRICOS e suas respectivas FUNÇÕES está descrita em:
Provas
Questão presente nas seguintes provas
- EletrotécnicaCircuitos Trifásicos em Eletricidade
- EletrotécnicaCircuitos Elétricos em Eletricidade
- EletrotécnicaMotores
- EletrotécnicaEquipamentos Elétricos
As bobinas de um motor trifásico de seis terminais estão ligadas conforme a figura abaixo:

Sabendo que, dentre os dados de placa, consta que sua tensão nominal é 220/380V. Sendo assim, o tipo de ligação da figura acima e a tensão de alimentação da rede elétrica nos terminais T1, T2 e T3, para o funcionamento adequado do referido motor, será:

Sabendo que, dentre os dados de placa, consta que sua tensão nominal é 220/380V. Sendo assim, o tipo de ligação da figura acima e a tensão de alimentação da rede elétrica nos terminais T1, T2 e T3, para o funcionamento adequado do referido motor, será:
Provas
Questão presente nas seguintes provas
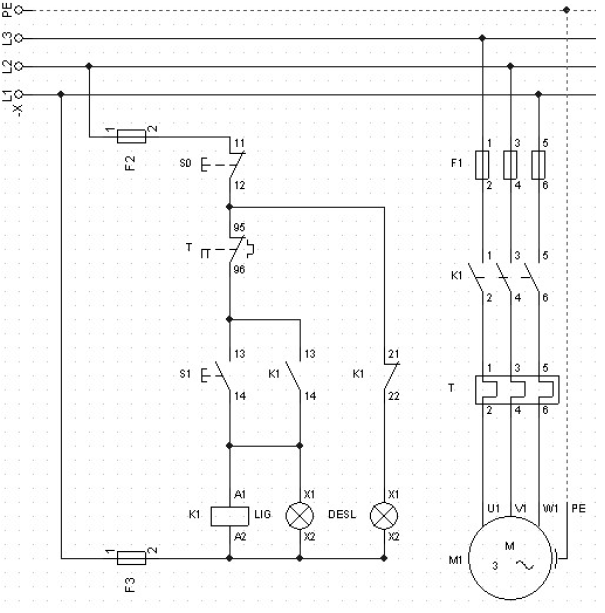
O digrama elétrico da figura abaixo representa um circuito de comando e força de um motor elétrico M. A
botoeira que liga o referido motor está representada por:


Provas
Questão presente nas seguintes provas
Cadernos
Caderno Container