Magna Concursos

Foram encontradas 40 questões.

1051690 Ano: 2016
Disciplina: Segurança e Saúde no Trabalho (SST)
Banca: ESAF
Orgão: FUNAI
Provas:
Sobre a NR 35 (Trabalho em Altura), assinale a opção incorreta.
 

Provas

Questão presente nas seguintes provas
1051610 Ano: 2016
Disciplina: Engenharia Civil
Banca: ESAF
Orgão: FUNAI
Provas:
Analise a figura apresentada a seguir, que representa uma planilha criada no Microsoft Excel. A partir da planilha apresentada, assinale a opção correta. enunciado 1051610-1
 

Provas

Questão presente nas seguintes provas
1051609 Ano: 2016
Disciplina: Engenharia Civil
Banca: ESAF
Orgão: FUNAI
Provas:
Sobre encargos sociais, assinale a opção correta.
 

Provas

Questão presente nas seguintes provas
1051608 Ano: 2016
Disciplina: Engenharia Civil
Banca: ESAF
Orgão: FUNAI
Provas:
Considerando que você é responsável pelo controle de materiais, indique qual o tipo de cimento iria aceitar para executar um bloco de fundação de grande volume, apoiada sobre uma camada de rocha.
 

Provas

Questão presente nas seguintes provas
1051607 Ano: 2016
Disciplina: Engenharia Civil
Banca: ESAF
Orgão: FUNAI
Provas:
Para a execução de 25 m³ de aterro, considerando que a redução volumétrica no aterro em relação ao volume do material no corte é de 8% e o empolamento de 20%, tem-se que o volume de solo transportado e o volume de solo medido no corte, respectivamente, são de:
 

Provas

Questão presente nas seguintes provas
1051605 Ano: 2016
Disciplina: Engenharia Civil
Banca: ESAF
Orgão: FUNAI
Provas:
Sobre os conceitos de planejamento, assinale a opção correta.
 

Provas

Questão presente nas seguintes provas
1051604 Ano: 2016
Disciplina: Engenharia Civil
Banca: ESAF
Orgão: FUNAI
Provas:
Sobre o serviço de impermeabilização com manta asfáltica com dupla camada, assinale a opção correta.
 

Provas

Questão presente nas seguintes provas
1051603 Ano: 2016
Disciplina: Engenharia Civil
Banca: ESAF
Orgão: FUNAI
Provas:
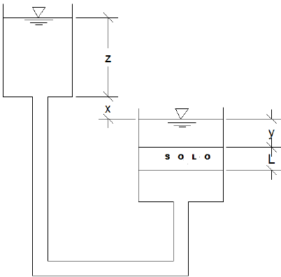
Com base no permeâmetro de carga constante apresentado na figura abaixo, encontre a permeabilidade do solo (k). Considere uma vazão de 0,006 m³/s, área da seção transversal do solo de 0,03 m², z = 1,00m, x = 0,30m, y = 0,50m e L = 0,4m. enunciado 1051603-1
 

Provas

Questão presente nas seguintes provas
1051602 Ano: 2016
Disciplina: Engenharia Civil
Banca: ESAF
Orgão: FUNAI
Provas:

Sobre o AutoCAD 2015, correlacione as colunas abaixo e, ao final, assinale a opção correta para a coluna II.

Coluna I

Coluna II

(1) Este comando é usado para a confecção de curvas. É dividido em dois tipos. Em um dos tipos, os pontos escolhidos serão os pontos por onde a curva passará. No segundo, os pontos escolhidos formarão as tangentes que orientam a elaboração das curvas. Ao término do comando, deve-se apertar Enter para salvar a curva desenhada.

( ) Fillet

(2) Este comando é utilizado para arredondar vértices de concordância entre elementos. Selecionam-se dois elementos e o AutoCAD se encarrega de fazer a concordância entre ambos.

( ) Spline

(3) Este comando permite distorcer objetos a partir de uma janela de seleção.

( ) Dimlinear

(4) Este comando permite inserir cotas lineares

( ) Stretch

 

Provas

Questão presente nas seguintes provas
1051601 Ano: 2016
Disciplina: Engenharia Civil
Banca: ESAF
Orgão: FUNAI
Provas:
A partir do gráfico abaixo, que apresenta a curva de energia específica de um canal hidráulico, de 20m de largura, é correto afirmar que a profundidade crítica, energia crítica, raio hidráulico (RH) para a profundidade de 1,2m e o tipo de regime (também para a profundidade de 1,2 m) são, respectivamente: enunciado 1051601-1
 

Provas

Questão presente nas seguintes provas