Foram encontradas 50 questões.
Sobre as características de equipamentos para saúde, o seu gerenciamento adequado
e uso seguro, assinale a alternativa correta.
Provas
Questão presente nas seguintes provas
Os estabelecimentos de saúde que buscam maior eficácia, efetividade e eficiência
nos resultados oferecidos para a comunidade, vêm investindo nas últimas décadas na qualidade e na
segurança do paciente e dos usuários do serviço, como estratégia em saúde, para obter a
sustentabilidade esperada. Sobre esta temática, é correto afirmar que:
Provas
Questão presente nas seguintes provas
Sobre equipamentos para saúde e seu gerenciamento, é correto afirmar que:
Provas
Questão presente nas seguintes provas
No dimensionamento de necessidades para incorporação de um sistema de
tomografia computadorizado para o hospital, a engenharia clínica e o grupo multidisciplinar que está
elaborando o projeto, verificaram os requisitos necessários para implementação futura do Programa
de Garantia da Qualidade e do Programa de Radioproteção do serviço de tomografia. Com base na
Instrução Normativa nº 93/2021, da Anvisa, a qual estabelece os requisitos sanitários para a Garantia
da Qualidade e da Segurança em Sistemas de Tomografia Computadorizada para uso médico, assinale
a alternativa INCORRETA:
Provas
Questão presente nas seguintes provas
Uma determinada rede hospitalar definiu o diálogo competitivo como modalidade de
licitação para contratação de serviço de calibração das balanças da rede. A modalidade foi selecionada
observadas a variedade e especificidades dos equipamentos e da rede, com o intuito de desenvolver
uma ou mais alternativas capazes de atender às suas necessidades. Ao declarar a conclusão do diálogo
e execução das ações consequentes, os critérios empregados para pré-seleção dos licitantes foram
previstos em edital e os licitantes convocados a apresentarem suas propostas. Qual é o prazo que os
licitantes terão para apresentação de suas propostas?
Provas
Questão presente nas seguintes provas
A Agência Nacional de Vigilância Sanitária (Anvisa) adota definições aplicáveis à
tecnovigilância dos produtos para a saúde na fase de pós-comercialização, com vistas a recomendar
a adoção de medidas que garantam a proteção e a promoção da saúde da população. Relacione a
Coluna 1 à Coluna 2 associando as nomenclaturas adotadas para cada uma das definições previstas
na RDC nº 67/2009:
Coluna 1 1. Evento adverso. 2. Queixa técnica. 3. Risco. 4. Ação de campo. 5. Alerta.
( ) Comunicação escrita direcionada aos profissionais de saúde, pacientes, usuários, setor regulado e à comunidade em geral, cujo objetivo é informar a respeito do risco de ocorrência de evento adverso relacionado ao uso de produto para a saúde.
( ) Qualquer notificação de suspeita de alteração/irregularidade de um produto/empresa relacionada a aspectos técnicos ou legais, e que poderá ou não causar danos à saúde individual e coletiva.
( ) Combinação da probabilidade de ocorrência de dano e da gravidade deste dano.
( ) Realizada pelo fabricante ou detentor de registro de produto para a saúde, com objetivo de reduzir o risco de ocorrência de evento adverso relacionado ao uso de produto para saúde já comercializado.
( ) Qualquer efeito não desejado, em humanos, decorrente do uso de produtos sob vigilância sanitária.
A ordem correta de preenchimento dos parênteses, de cima para baixo, é:
Coluna 1 1. Evento adverso. 2. Queixa técnica. 3. Risco. 4. Ação de campo. 5. Alerta.
( ) Comunicação escrita direcionada aos profissionais de saúde, pacientes, usuários, setor regulado e à comunidade em geral, cujo objetivo é informar a respeito do risco de ocorrência de evento adverso relacionado ao uso de produto para a saúde.
( ) Qualquer notificação de suspeita de alteração/irregularidade de um produto/empresa relacionada a aspectos técnicos ou legais, e que poderá ou não causar danos à saúde individual e coletiva.
( ) Combinação da probabilidade de ocorrência de dano e da gravidade deste dano.
( ) Realizada pelo fabricante ou detentor de registro de produto para a saúde, com objetivo de reduzir o risco de ocorrência de evento adverso relacionado ao uso de produto para saúde já comercializado.
( ) Qualquer efeito não desejado, em humanos, decorrente do uso de produtos sob vigilância sanitária.
A ordem correta de preenchimento dos parênteses, de cima para baixo, é:
Provas
Questão presente nas seguintes provas
Uma determinada instituição de saúde identificou em sua rotina uma ocorrência de
risco ao paciente associada a um equipamento do centro cirúrgico. A área assistencial abriu notificação
imediata desencadeando um protocolo de investigação de Evento Adverso, com ações predefinidas no
procedimento operacional padrão interno, em conjunto com a área assistencial. Como o relato inicial
sugere uma ocorrência relacionada ao uso impróprio da tecnologia pela equipe, o protocolo destaca
os pontos de atenção na investigação. Avalie as assertivas abaixo e assinale a ação que NÃO
caracteriza um passo da investigação de uso impróprio.
Provas
Questão presente nas seguintes provas
A partir de 2021, a Lei Geral de Licitações nº 8.666/1993 foi atualizada pela Lei nº
14.133/2021. Para fins dessa lei, foi definido, como requisito da fase preparatória do processo
licitatório, o planejamento para o projeto, compatibilizado com o plano de contratações anual da
instituição e fundamentado, entre outros, em estudo técnico preliminar que caracteriza o interesse
público dando base ao Termo de Referência. Esse termo deve conter parâmetros e elementos que
caracterizem o objeto com a respectiva estimativa de valor de contratação acompanhada de outras
informações. Assinale a alternativa INCORRETA no que se refere às informações necessárias nesse
caso:
Provas
Questão presente nas seguintes provas
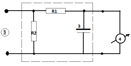
O circuito abaixo representa um modelo esquemático do circuito elétrico utilizado
para medição de corrente de fuga em equipamentos eletromédicos (EEM) com base na norma NBR
60601-1. Marque a opção que identifica os componentes do sistema de medição e seu
dimensionamento no circuito abaixo:


Provas
Questão presente nas seguintes provas
Em uma ação multidisciplinar com participação da Engenharia Clinica do hospital,
para o planejamento de uma nova Unidade de Terapia Intensiva (UTI) para público adulto, foi
elaborado um termo de referência para aquisição de alguns equipamentos necessários, com as devidas
justificativas. O dimensionamento baseou-se na evidencia disponível, a RDC nº 07/2010. De acordo
com os requisitos mínimos da RDC para a quantidade de equipamentos necessários, analise as
assertivas abaixo, assinalando V, se verdadeiras, ou F, se falsas.
( ) Quatro bombas de infusão por leito, com reserva operacional de um equipamento para cada três leitos.
( ) Equipamento para ressuscitação manual do tipo balão autoinflável, com reservatório e máscara facial: 1(um) por leito, com reserva operacional de 1 (um) para cada 2 (dois) leitos.
( ) Capnógrafo: 1 (um) para cada 20 (vinte) leitos.
( ) Equipamento para aferição de glicemia capilar, específico para uso hospitalar: 1 (um) glicosímetro.
( ) Gerador de marca-passo cardíaco temporário: 1 (um) equipamento para cada 20 (vinte) leitos.
A ordem correta de preenchimento dos parênteses, de cima para baixo, é:
( ) Quatro bombas de infusão por leito, com reserva operacional de um equipamento para cada três leitos.
( ) Equipamento para ressuscitação manual do tipo balão autoinflável, com reservatório e máscara facial: 1(um) por leito, com reserva operacional de 1 (um) para cada 2 (dois) leitos.
( ) Capnógrafo: 1 (um) para cada 20 (vinte) leitos.
( ) Equipamento para aferição de glicemia capilar, específico para uso hospitalar: 1 (um) glicosímetro.
( ) Gerador de marca-passo cardíaco temporário: 1 (um) equipamento para cada 20 (vinte) leitos.
A ordem correta de preenchimento dos parênteses, de cima para baixo, é:
Provas
Questão presente nas seguintes provas
Cadernos
Caderno Container