Magna Concursos

Foram encontradas 50 questões.

4084561 Ano: 2026
Disciplina: Arquitetura
Banca: FUNDATEC
Orgão: GHC
Provas:

No projeto arquitetônico de um EAS, os ambientes destinados ao armazenamento de resíduos de risco biológico devem atender a requisitos construtivos e de dimensionamento definidos em Norma. Com base na NBR 12809:2013, assinale a alternativa INCORRETA.

 

Provas

Questão presente nas seguintes provas
4084558 Ano: 2026
Disciplina: Arquitetura
Banca: FUNDATEC
Orgão: GHC
Provas:

No desenvolvimento do projeto executivo arquitetônico de um EAS, os requisitos de acabamento, forros, tubulações e elementos construtivos devem atender às exigências sanitárias estabelecidas pela RDC nº 50/2002, visando à adequada limpeza, desinfecção e controle de infecções. Considerando essas disposições, assinale a alternativa correta.

 

Provas

Questão presente nas seguintes provas
4084557 Ano: 2026
Disciplina: Arquitetura
Banca: FUNDATEC
Orgão: GHC
Provas:

Durante o estudo preliminar para adequação física de uma unidade de atendimento imediato, o arquiteto deve observar os dimensionamentos mínimos dos ambientes, conforme a RDC nº 50/2002. Com base nas tabelas de dimensionamento de ambientes assistenciais, assinale a alternativa correta.

 

Provas

Questão presente nas seguintes provas
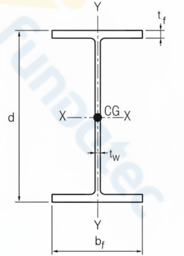
4084556 Ano: 2026
Disciplina: Arquitetura
Banca: FUNDATEC
Orgão: GHC
Provas:

A Figura 6 abaixo apresenta a seção transversal de um perfil metálico. Com base na classificação definida pela NBR 15980:2024, a estrutura indicada corresponde ao:

Enunciado 4596165-1

Figura 6 – sem escala

 

Provas

Questão presente nas seguintes provas
4084554 Ano: 2026
Disciplina: Arquitetura
Banca: FUNDATEC
Orgão: GHC
Provas:

Com base na Figura 5 abaixo, assinale a alternativa que apresenta o material indicado pela letra A.

Enunciado 4596163-1

Figura 5 – corte

Sem escala

 

Provas

Questão presente nas seguintes provas
4084552 Ano: 2026
Disciplina: Arquitetura
Banca: FUNDATEC
Orgão: GHC
Provas:

De acordo com a tabela “características dos ocupantes” da NBR 9077:2025, ocupantes de hospitais e assemelhados são classificados como:

 

Provas

Questão presente nas seguintes provas
4084544 Ano: 2026
Disciplina: Arquitetura
Banca: FUNDATEC
Orgão: GHC
Provas:

De acordo com a NBR 9077:2025, a Figura 4 abaixo apresenta uma escada do tipo:

Enunciado 4596153-1

Figura 4 – sem escala

 

Provas

Questão presente nas seguintes provas
4084542 Ano: 2026
Disciplina: Arquitetura
Banca: FUNDATEC
Orgão: GHC
Provas:

O principal objetivo da estratégia de abandono é assegurar que, em caso de incêndio, os ocupantes da edificação possam alcançar um local de segurança absoluta fora da edificação. Considerando a NBR 9077:2025, assinale a alternativa INCORRETA quanto à estratégia de abandono.

 

Provas

Questão presente nas seguintes provas
4084540 Ano: 2026
Disciplina: Arquitetura
Banca: FUNDATEC
Orgão: GHC
Provas:

Conforme a NBR 13534:2008, os locais médicos são classificados de acordo com o tipo de utilização de partes aplicadas de equipamentos eletromédicos e os riscos associados à interrupção da alimentação elétrica. Considerando essas classificações, assinale a alternativa correta.

 

Provas

Questão presente nas seguintes provas
4084538 Ano: 2026
Disciplina: Arquitetura
Banca: FUNDATEC
Orgão: GHC
Provas:

A NBR 16636-2:2017 apresenta uma classificação exemplificativa dos objetos do projeto arquitetônico na edificação, relacionando ambientes, elementos construtivos e revestimentos. Considerando essa classificação, assinale a alternativa correta.

 

Provas

Questão presente nas seguintes provas