Foram encontradas 25 questões.
Segundo as diretrizes da Norma Regulamentadora n° 32 (NR-32), considere as afirmações abaixo.
I - Todo local onde exista possibilidade de exposição ao agente biológico deve ter lavatório exclusivo para higiene das mãos provido de água corrente, sabonete líquido, toalha descartável e lixeira provida de sistema de abertura sem contato manual.
II - Os trabalhadores com feridas ou lesões nos membros superiores só podem iniciar suas atividades após avaliação médica obrigatória com emissão de documento de liberação para o trabalho.
III - O uso de luvas substitui o processo de lavagem das mãos.
Quais estão corretas?
Provas
Quanto às diretrizes da NR-10, considere as afirmações abaixo.
I - É obrigatório que os projetos de instalações elétricas especifiquem dispositivos de desligamento de circuitos que possuam recursos para impedimento de reenergização, para sinalização de advertência com indicação da condição operativa.
II - Todo o projeto de instalações elétricas deve prever condições para a adoção de aterramento temporário.
III - Circuitos elétricos com finalidades diferentes, como comunicação, sinalização, controle e tração elétrica, devem ser identificados e instalados separadamente, salvo quando o desenvolvimento tecnológico permitir compartilhamento, respeitadas as definições de projetos.
Quais estão corretas?
Provas
Quanto às diretrizes da Norma Regulamentadora nº 10 (NR-10), considere as afirmações abaixo.
I - As empresas estão obrigadas a manter esquemas unifilares atualizados das instalações elétricas dos seus estabelecimentos, com as especificações do sistema de aterramento e demais equipamentos e dispositivos de proteção.
II - Os estabelecimentos com carga instalada inferior a 75 kW devem constituir e manter o Prontuário de Instalações Elétricas.
III - O Prontuário de Instalações Elétricas deve ser organizado e mantido atualizado pelo empregador ou pessoa formalmente designada pela empresa, devendo permanecer à disposição dos trabalhadores envolvidos nas instalações e serviços em eletricidade.
Quais estão corretas?
Provas
Provas
Em um processo licitatório para contratação de um serviço, de acordo com o Manual de Obras Públicas do Tribunal de Contas da União, considere os documentos a seguir.
I - ART’s dos responsáveis técnicos pela obra, registrada no CREA do estado onde se localiza o empreendimento.
II - Ordem de Serviço da Administração, autorizando o início dos trabalhos.
III - Certidão de Acervo Técnico (CAT) emitida pelo CREA, atestando que a empresa já prestou serviço para a Administração Pública.
Quais devem ser apresentados, após as etapas de habilitação e assinatura do contrato, para que a empresa vencedora possa iniciar a execução dos serviços?
Provas
- Instalações Elétricas
- Proteção de Sistemas ElétricosProteção em Média Tensão
- Sistemas Elétricos de PotênciaDistribuição de Energia Elétrica
- Normas TécnicasNBRsNBR 5410: Instalações Elétricas de Baixa Tensão
Provas
- Instalações ElétricasAterramentos
- Normas TécnicasNBRsNBR 14039: Instalações Elétricas de Média Tensão
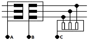
Observe a figura abaixo, referente aos esquemas de aterramento considerados na norma ABNT NBR 14039 – Instalações elétricas de média tensão de 1kV a 36,2kV. Os pontos A, B e C se referem, respectivamente, aos aterramentos da subestação, do neutro e das massas da instalação.

Quanto à ligação dos pontos a eletrodos de terra, pode-se afirmar que
Provas
- Instalações ElétricasSubestações
- Transformadores e Máquinas ElétricasMáquinas EstáticasTransformador de Potência
- Sistemas Elétricos de PotênciaDistribuição de Energia Elétrica
Provas
- Instalações ElétricasAterramentos
- Instalações ElétricasSubestações
- Proteção de Sistemas ElétricosProteção em Média Tensão
- Sistemas Elétricos de PotênciaDistribuição de Energia Elétrica
Quanto às diretrizes técnicas estabelecidas pelo RIC-MT (Regulamento de Instalações Consumidoras – Média Tensão), considere as afirmações abaixo.
I - O valor da resistência de aterramento pode ultrapassar 10 ohms em qualquer época do ano.
II - Os cabos do ramal de entrada devem ser conectados diretamente aos equipamentos de medição da subestação.
III - Para o dimensionamento do condutor do ramal de entrada, devem ser observados os valores de corrente de curto-circuito, compatibilizados com o tempo de atuação do dispositivo de proteção a montante.
Quais estão corretas?
Provas
Para responder à questão, considere o quadro abaixo, que representa a sequência de atividades a serem realizadas para a execução de uma obra na rede elétrica de uma empresa.

Provas
Caderno Container