Foram encontradas 45 questões.
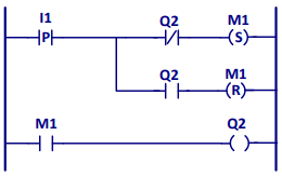
O diagrama Ladder possui uma função de detecção de borda de subida por I1 e saídas Set e Reset em M1.

A ação ocorrida sobre Q2 é:
Provas
O instrumento TC e TT na malha de controle a seguir são identificados, respectivamente, como:

Provas
As expressões lógicas que representam o diagrama de comandos são:

Provas
Assinale, a seguir, a função da lógica Ladder.

Provas
A corrente de coletor para o circuito (considere transistor de silício) é de, aproximadamente:

Provas
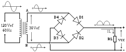
Observe a imagem a seguir:

A tensão média na carga RL, supondo diodos de silício é de, aproximadamente:
Provas
O circuito trata-se de um controlador PID que utiliza amplificadores operacionais. A numeração identifica ações matemáticas do controlador. Observe:

A associação está correta em
Provas
Considere o circuito a seguir:

Podemos afirmar que a tensão na carga RL é:
Provas
Na imagem, algumas memórias devem ser classificadas, a saber: DRAM, SRAM, Flash Rom, EEPROM.

Assinale a alternativa que completa corretamente a imagem anterior.
Provas
Sobre microprocessadores e microcontroladores, marque V para as afirmativas verdadeiras e F para as falsas.
( ) A unidade de controle, também chamada Unidade de Instrução e Controle (UIC), é responsável por comandar a operação de todas as demais unidades de um computador digital, fornecendo sinais de controle e temporização. Contém circuitos lógicos e de temporização, que geram os sinais necessários para executar cada instrução em um programa.
( ) Para processar o programa armazenado em registradores específicos do computador digital, a Unidade de Instrução e Controle (UIC) faz a busca de cada instrução a ser executada, as interpreta e executa. Tal processo de busca e execução é realizado continuamente, de forma sequencial, para cada uma das instruções contidas no programa.
( ) A Unidade de Instrução e Controle (UIC) pode ser comparada a um “maestro”, responsável por manter cada um dos “membros da orquestra” em sincronismo.
( ) Os Registradores de Uso Geral (GPR – General Purpose Register) armazenam, dentro da CPU, temporariamente, programas que serão manipulados na execução, evitando a necessidade de acessar a unidade de memória externa à CPU.
( ) Os Registradores de Finalidade Específica (SFR – Special Function Register) são utilizados em tarefas predeterminadas e realizam funções especiais como definir se um determinado terminal (“pino”) do microcontrolador se comportará como um dispositivo de entrada ou de saída de dados.
A sequência está correta em
Provas
Caderno Container