Foram encontradas 530 questões.
Uma carga tem impedância igual a (3 + j5) (Ω).
A sua admitância, em Siemmens, é igual a
Provas
Embora as válvulas eletrônicas tenham sido substituídas pelos semicondutores na maioria das aplicações, alguns dispositivos apresentam o mesmo princípio de funcionamento.
A respeito das válvulas termoiônicas, assinale a alternativa incorreta.
Provas
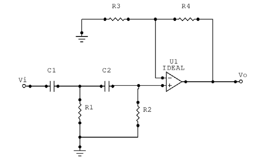
Analise o circuito a seguir que apresenta um filtro ativo.

Em relação a esse circuito, assinale a alternativa incorreta.
Provas
Sensores e transdutores desempenham funções primordiais em instrumentação eletrônica biomédica.
A respeito desses dispositivos, assinale a alternativa incorreta.
Provas
Foram realizadas medidas com um voltímetro digital do potencial de Nerst devido aos íons Na+ no axônio de um nervo de lula, e foi obtida a série de valores, em milivolt (mV), a seguir.
V1=54,20
V2=54,17
V3=54,22
V4=54,16
V5=54,20
V6=54,24
V7=54,15
V8=54,23
V9=54,15
V10=54,25
Sobre o experimento, assinale a alternativa incorreta.
Provas
O técnico de enfermagem tem o papel de auxiliar o enfermeiro no procedimento de cateterização vesical. Para isso, deve observar e tomar alguns cuidados a fim de evitar a infecção do trato urinário.
São cuidados que o técnico de enfermagem deve ter para evitar tal infecção, exceto:
Provas
O teste de glicemia capilar consiste em um exame sanguíneo que oferece resultado imediato acerca da concentração de glicose nos vasos capilares da polpa digital. Para realizar o exame, é necessário o uso do glicosímetro, da fita reagente e lanceta para perfuração da pele.
O valor referente ao nível sanguíneo de glicose, que é mostrado no visor do glicosímetro, é apresentado em
Provas
- Prevenção e Controle da Infecção Relacionada à Assistência em saúde (IRAS)Tipos de Infecções relacionadas à assistência à saúde
As infecções relacionadas à assistência à saúde – infecções hospitalares – levam a considerável elevação dos custos no cuidado do paciente, além de aumentar o tempo de internação, a morbidade e a mortalidade.
São critérios definidores das infecções hospitalares, exceto:
Provas
A crise convulsiva ou convulsão consiste em evento clínico no qual o paciente tem sintomas e sinais variáveis e transitórios causados pela descarga elétrica anormal, excessiva e hipercrônica dos neurônios.
São procedimentos para auxiliar uma pessoa durante uma crise convulsiva, exceto:
Provas
Uma das técnicas realizadas com maior frequência pela equipe de enfermagem é a aferição de sinais vitais. O pulso é um sinal vital que pode ser palpado sobre alguma artéria periférica.
O pulso deve ser classificado como taquisfigmia quando
Provas
Caderno Container