Foram encontradas 393 questões.
Nas instalações de média tensão, uma das situações mais perigosas que podem ocorrer é a formação de arcos elétricos. Nesse sentido, a NBR 14039 – Instalações Elétricas de Média Tensão preceitua que os dispositivos e equipamentos que podem gerar arcos durante sua operação devem ser selecionados e instalados de forma a garantir a segurança das pessoas que trabalham nas instalações. Dados os itens,
I. Utilização de dispositivos de abertura sob carga.
II. Coberturas perfuradas ou telas ao invés de coberturas sólidas ou barreiras.
III. Emprego de dispositivos limitadores de corrente.
IV. Operação da instalação a uma distância segura.
V. Equipamentos ensaiados para resistir a descargas atmosféricas.
verifica-se que, segundo a norma, são medidas que devem ser adotadas para garantir a proteção das pessoas contra os perigos resultantes de faltas de arco apenas
Provas
Questão presente nas seguintes provas
Um equipamento elétrico de grande porte foi instalado em um laboratório de eletrotécnica. Esse equipamento é trifásico e alimentado a três fios. Para medir a potência média consumida pelo equipamento, dispõe-se de quatro wattímetros W1, W2, W3 e W4.

Se os wattímetros foram instalados conforme a figura, quais deles devem ser utilizados para realizar a medição desejada?
Provas
Questão presente nas seguintes provas
Dadas as afirmativas com relação à segurança em instalações elétricas,
I. São exemplos de Equipamentos de Proteção Coletiva (EPC): capacete de segurança com isolamento para eletricidade, vara de manobra isolada, conjunto de aterramento temporário, cones e bandeirolas de sinalização e escadas com isolamento próprias para trabalho com eletricidade.
II. São exemplos Equipamentos de Proteção Individual (EPI): meia bota isolada, óculos de segurança incolor e com proteção contra raios ultravioletas, luvas de borracha isolantes para baixa tensão e alta tensão e cinturão de segurança com talabarte para trabalhos em grandes alturas.
III. Zona de Risco é definida como o entorno de parte condutora energizada, não segregada, acessível inclusive acidentalmente, de dimensões estabelecidas de acordo com o nível de tensão, cuja aproximação somente é permitida a profissionais autorizados e com a adoção de técnicas e instrumentos apropriados de trabalho.
IV. Zona Controlada constitui o entorno de parte condutora energizada, não segregada, acessível, de dimensões estabelecidas de acordo com o nível de tensão, cuja aproximação somente é permitida a profissionais autorizados.
verifica-se que estão corretas apenas
Provas
Questão presente nas seguintes provas
Dadas as afirmativas sobre alguns dos sistemas/esquemas de aterramento e proteção empregados nas instalações prediais,
I. Os dispositivos DR podem ser utilizados na proteção das instalações, independentemente do esquema de aterramento empregado.
II. Em instalações alimentadas em baixa tensão pela rede pública, apenas os esquemas TN e TT devem ser empregados.
III. No esquema TN-C-S, as funções de neutro e proteção são separadas por toda a instalação.
IV. Em instalações críticas, como setores de hospitais e indústrias, é recomendado o esquema de aterramento IT.
verifica-se que está(ão) correta(s)
Provas
Questão presente nas seguintes provas
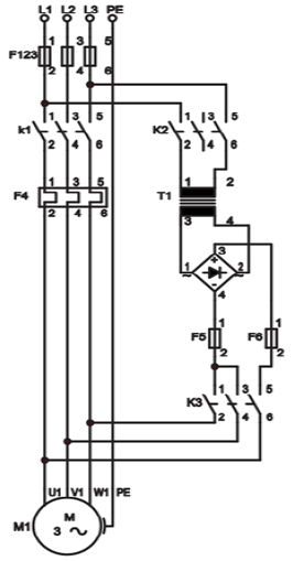
O portão de entrada do almoxarifado de um Instituto Federal possui um sistema de acionamento automático de abertura e fechamento. Além disso, o sistema possui a funcionalidade de parada emergencial do portão, com intuito de se evitar esmagamentos de objetos e pessoas. Nas figuras, são apresentados os diagramas de força e comando do sistema de controle do portão. Nesse sistema, qual princípio de frenagem é utilizado?


Provas
Questão presente nas seguintes provas
Dadas as afirmativas a respeito de máquinas rotativas e transformadores,
I. Em sistemas de potência, a associação de dois transformadores trifásicos em paralelo é possível quando ambos possuem a mesma defasagem angular e a mesma impedância percentual.
II. Motores CC são amplamente empregados em sistemas de controle de velocidade que necessitam de torque elevado.
III. O motor universal possui características construtivas similares a um motor CA, porém pode operar tanto em CA quanto em CC.
IV. O motor síncrono pode ser utilizado para absorver potência reativa da rede, bem como corrigir o fator de potência de uma instalação.
verifica-se que estão corretas apenas
Provas
Questão presente nas seguintes provas
Na planta elétrica da figura há dois circuitos partindo do quadro de distribuição. As duas luminárias pertencem ao circuito 1 e são acionadas pelos interruptores paralelos. Já as duas tomadas de corrente pertencem ao circuito 2. Os eletrodutos são identificados pelas letras A, B, C, D e E. Sabe-se que o condutor fase do circuito 1 está conectado ao interruptor do canto superior da planta, passando pelo eletroduto B.

Desconsiderando o condutor de proteção, quantos condutores devem passar pelos eletrodutos A, B, C, D e E, respectivamente?
Provas
Questão presente nas seguintes provas
O Instituto Federal de Alagoas decidiu substituir a rede de distribuição tradicional por uma rede compacta. Para o desenvolvimento do projeto, conhecimento das normas, terminologias e estruturas relacionadas a esse tipo de rede são imprescindíveis. Dados os conceitos,
I. Espaçador – acessório de material polimérico de formato losangular ou vertical cuja função é a sustentação e separação dos cabos cobertos na rede compacta ao longo do vão, mantendo o isolamento elétrico entre os cabos da rede.
II. Separador – acessório de material polimérico de formato vertical cuja função é a sustentação e separação dos cabos cobertos na rede compacta, cruzamento aéreo com conexões, mantendo o isolamento elétrico da rede.
III. Cabo Mensageiro – cabo utilizado para propósitos de telefonia e transmissão de dados pelas redes compactas.
IV. Cabo Coberto – cabo dotado de cobertura protetora de material polimérico, visando à redução da corrente de fuga em caso de contato acidental do cabo com objetos aterrados e redução do espaçamento entre condutores.
verifica-se que estão corretos apenas
Provas
Questão presente nas seguintes provas
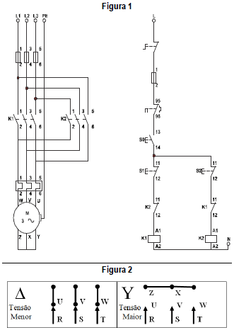
Na figura 1, é apresentado um esquema de ligação para partida de um motor trifásico. O motor possui seis terminais (U, V, W, Z, X e Y) e as respectivas formas de ligação são apresentadas na Figura 2.

Dadas as afirmativas quanto ao funcionamento desse esquema,
I. O esquema trata de uma partida direta temporizada a contator.
II. Os contatos auxiliares K1 (11;12) e K2 (11;12) fazem o papel do selo.
III. O esquema apresenta erros de projeto quanto aos contatos das botoeiras S0 (13;14), S1 (11;12) e S2 (11;12), que deveriam ser normalmente fechada, normalmente aberta e normalmente aberta, respectivamente.
IV. O contator K2 tem o mesmo papel do contator K1, ou seja, foi instalado de forma redundante como uma medida de segurança em caso de falha de K1.
verifica-se que está(ão) correta(s) apenas
Provas
Questão presente nas seguintes provas
A Norma Regulamentadora no 10 (NR 10) estabelece requisitos e condições mínimas para garantir a segurança e a saúde dos profissionais que trabalham com instalações elétricas e serviços de eletricidade. Dadas as afirmativas,
I. Segundo a NR 10, os serviços em instalações elétricas energizadas em Alta Tensão não podem ser realizados individualmente. O objetivo é reduzir a possibilidade de erro humano.
II. A NR 10 obriga a realização de uma análise de risco para todas as atividades envolvendo eletricidade.
III. De acordo com a NR 10, os trabalhadores devem interromper suas tarefas, exercendo o direito de recusa, sempre que constatarem evidências de riscos graves e iminentes para a sua segurança e saúde, comunicando imediatamente o fato a seu superior imediato.
IV. A NR 10 estabelece que os serviços executados em instalações elétricas desligadas, mas com a possibilidade de energização por qualquer razão, devem atender aos requisitos de segurança para instalações energizadas.
verifica-se que está(ão) correta(s)
Provas
Questão presente nas seguintes provas
Cadernos
Caderno Container