Foram encontradas 186 questões.
Queda de pelos em cães e gatos
Os pelos de cachorros e gatos têm funções que vão além da estética. Isso porque eles são muito importantes para a saúde desses animais, pois servem como uma barreira de proteção para a pele e ainda ajudam na conservação da temperatura corporal.
Nesse cenário, encontrar pelos em diversas partes da casa e, até mesmo, nas roupas faz parte da rotina dos tutores. Afinal, a renovação da pelagem de ambos os bichos é algo totalmente natural, isto é, acontecerá independentemente de eles terem ou não alguma doença, por exemplo.
Queda de pelos natural
De acordo com a médica veterinária Cinthya Ugliara, da rede clínica Dra. Mei, em intensidade leve a moderada e dependendo da raça, isso não é motivo para preocupação. Também segundo ela, os pelos possuem três fases de crescimento, sendo que, na última delas, ocorre a queda.
Além disso, durante o ano, há dois períodos em que as quedas são mais intensas, mas, ainda assim, são saudáveis e não produzem falhas na pelagem. “Geralmente [acontecem] na primavera e no outono e duram em torno de 30 dias. Isso ocorre porque a pelagem do animal está sendo preparada para o inverno e verão”, explica.
Quando é sinal de alerta
Segundo Cinthya Ugliara, a queda de pelos fora da normalidade pode indicar que o cão ou o gato está com dermatite alérgica à picada de pulgas, outros tipos de alergias (ocasionadas por sarna, dermatite alérgica e fungos) ou, até mesmo, doenças hormonais (hipotireoidismo e hiperadrenocorticismo).
A médica veterinária acrescenta que tal situação, em cães e gatos, também pode ser agravada por deficiências nutricionais, estresse, alergias ou mesmo problemas endócrinos. Quando isso acontece, é de extrema importância que o tutor procure um médico veterinário para investigar e tratar o problema.
Disponível em: <https://recreio.uol.com.br/noticias/pets/queda-de-pelos-em-caes-e-gatos-veja-as-causas-e-como-tratar-25.phtml?utm_source=Feed%20UOL&utm_medium=site&xid=1200>. Acesso em: 10. dez.2022 (adaptado).
A linguagem humana é utilizada sempre em prol de um propósito de comunicação. Tendo em vista isso, o texto “Queda de pelos em cães e gatos” apresenta predominantemente a função da linguagem
Provas
Queda de pelos em cães e gatos
Os pelos de cachorros e gatos têm funções que vão além da estética. Isso porque eles são muito importantes para a saúde desses animais, pois servem como uma barreira de proteção para a pele e ainda ajudam na conservação da temperatura corporal.
Nesse cenário, encontrar pelos em diversas partes da casa e, até mesmo, nas roupas faz parte da rotina dos tutores. Afinal, a renovação da pelagem de ambos os bichos é algo totalmente natural, isto é, acontecerá independentemente de eles terem ou não alguma doença, por exemplo.
Queda de pelos natural
De acordo com a médica veterinária Cinthya Ugliara, da rede clínica Dra. Mei, em intensidade leve a moderada e dependendo da raça, isso não é motivo para preocupação. Também segundo ela, os pelos possuem três fases de crescimento, sendo que, na última delas, ocorre a queda.
Além disso, durante o ano, há dois períodos em que as quedas são mais intensas, mas, ainda assim, são saudáveis e não produzem falhas na pelagem. “Geralmente [acontecem] na primavera e no outono e duram em torno de 30 dias. Isso ocorre porque a pelagem do animal está sendo preparada para o inverno e verão”, explica.
Quando é sinal de alerta
Segundo Cinthya Ugliara, a queda de pelos fora da normalidade pode indicar que o cão ou o gato está com dermatite alérgica à picada de pulgas, outros tipos de alergias (ocasionadas por sarna, dermatite alérgica e fungos) ou, até mesmo, doenças hormonais (hipotireoidismo e hiperadrenocorticismo).
A médica veterinária acrescenta que tal situação, em cães e gatos, também pode ser agravada por deficiências nutricionais, estresse, alergias ou mesmo problemas endócrinos. Quando isso acontece, é de extrema importância que o tutor procure um médico veterinário para investigar e tratar o problema.
Disponível em: <https://recreio.uol.com.br/noticias/pets/queda-de-pelos-em-caes-e-gatos-veja-as-causas-e-como-tratar-25.phtml?utm_source=Feed%20UOL&utm_medium=site&xid=1200>. Acesso em: 10. dez.2022 (adaptado).
Quanto à tipologia e ao gênero textual, respectivamente, é correto afirmar que o texto é uma
Provas
Dados os fatos referentes ao exercício financeiro de 2020 de um órgão público federal:
- Arrecadação de receita de impostos concomitante ao fato gerador: R$ 200.000,00;
- Recebimento em doação de 10 veículos, totalizando: R$ 25.000,00;
- Aquisição de imóvel à vista: R$ 40.000,00;
- Recebimento à vista por serviços prestados: R$ 27.000,00;
- Despesa com aluguel de espaço para atendimento ao público: R$ 10.800,00;
- Pagamento de parcela de empréstimo contraído: R$ 8.000,00;
- Doação de bens inservíveis a terceiros: R$ 8.700,00;
- Aquisição de materiais de expediente para estoque à vista: R$ 5.900,00;
- Depreciação de imóveis a terceiros: R$ 2.900,00;
- Recebimento de rendimento de aplicação financeira: R$ 1.800,00;
- Reconhecimento de perda por redução ao valor recuperável de imóvel: R$ 6.000,00;
- Juros e encargos da dívida: R$ 1.100,00;
- Uso de material de consumo: R$ 2.100,00;
- Empenho da despesa com pessoal ativo: R$ 86.000,00.
Quanto à movimentação dos fatos, assinale a alternativa correta.
Provas
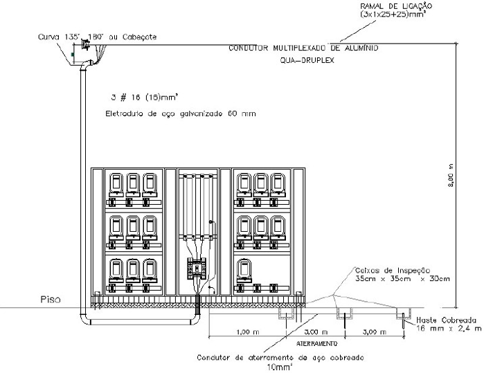
O Autocad®, uma das ferramentas da Autodesk®, é essencial na construção de diagramas unifilares, obrigatórios nos projetos elétricos que são entregues às distribuidoras de energia elétrica, para análise, aprovação, autorização, execução do projeto e preparação da carga para a interligação à rede e posterior solicitação de vistoria para levar os condutores do ramal de ligação ao cliente. Na figura, tem-se um recorte da parte de um quadro coletivo que será conectado à concessionária local, que contém as características elétricas, como condutores e ramais.

Acerca da ilustração, pode-se afirmar que
Provas
Dadas as afirmativas sobre alojamentos em canteiros de obra,
I. Os alojamentos não devem estar situados em subsolos ou porões das edificações.
II. É permitido cozinhar e aquecer qualquer tipo de refeição dentro do alojamento.
III. Os alojamentos devem ter piso de concreto, cimentado, madeira ou material equivalente.
verifica-se que está(ão) correta(s)
Provas
Na gestão pública, o Conselho Nacional de Arquivos (Conarq), com o objetivo de elaborar estudos e propor soluções para demandas da política nacional de arquivos públicos e privados, poderá instituir
Provas
Caderno Container