Foram encontradas 653 questões.
No interior de um material ferromagnético de permeabilidade magnética relativa igual a 10 000, existe um fluxo magnético total de 1 ∙ 10-4 Wb. O caminho médio do núcleo (!$ lc !$) e a seção transversal em toda sua extensão valem, respectivamente, 65 cm e 50 cm2. Na extremidade oposta ao enrolamento, existe um gap de ar de comprimento !$ l_g !$ = 0,065 cm.

Com base nos dados apresentados, assumindo-se uma densidade de fluxo uniforme na seção reta do material e desconsiderando-se o efeito de espraiamento, qual a força magnetomotriz (fmm) necessária para as condições citadas? Considere a permeabilidade magnética do ar igual a 13 ∙ 10-7 H/m.
Provas
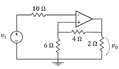
Um amplificador operacional (AOP) consiste em um elemento eletrônico ativo que se comporta como uma fonte de tensão controlada por tensão.
Considerando-se um AOP ideal, assinale a alternativa que corresponde à tensão v0, quando vi=- 6 V.

Provas
Seja a edificação ilustrada na figura a seguir, cujo subsistema de captação do SPDA externo fora desenvolvido segundo o método do ângulo de proteção previsto na ABNT NBR 5419. Se a edificação possui as dimensões ilustradas na figura (base quadrada de 12 metros de lado e altura de 35 metros) e o captor escolhido possui uma altura de 15 metros, o que provê um ângulo de proteção de 30°, qual o raio, em metros, que determina a extensão da ZPR0B no nível do plano de referência (solo), aproximadamente?

Provas
Analise as asserções a seguir e a relação proposta entre elas.
I – Considerando-se tensões de mesmo valor médio quadrático e em regime permanente, um transformador projetado para operar a 50 Hz, quando alimentado com uma tensão senoidal de 60 Hz, apresentará um aumento da tensão induzida no secundário, caso o núcleo não se encontre saturado
PORQUE
II – a tensão induzida no secundário é diretamente proporcional à frequência do sinal de excitação do primário.
Sobre as asserções, é correto afirmar que
Provas
No contexto de um trabalho apresentado no início do século XX, o engenheiro Charles LeGeyt Fortescue propôs uma transformação linear aplicada a circuitos polifásicos capaz de transportar as grandezas de circuito do domínio usual de cálculo, chamado de domínio das fases, para um outro domínio, denominado domínio das componentes simétricas (ou componentes sequenciais). A principal vantagem de tal transformação aplicada a sistemas elétricos polifásicos é a obtenção de circuitos monofásicos desacoplados, o que facilita sobremaneira a realização dos cálculos de tensões e correntes. Nesse sentido, considere a matriz de transformação inversa de Fortescue representada na sequência (sistemas trifásicos) que, ao ser multiplicada por um vetor contendo os fasores no domínio das fases, fornece os fasores no domínio das componentes simétricas, o que produz os chamados circuitos ou diagramas sequenciais (sequência positiva, sequência negativa e sequência zero).
!$ Q^{-1}=\dfrac{1}{3}\begin{bmatrix} 1&1&1\\1&a&a^2\\1&a^2&a \end{bmatrix}, em\, que \,a=e^{j\dfrac{2π}{3}rad}=1\angle120º !$
Considere um sistema trifásico de sequência abc sob condição de curto-circuito franco entre as fases b e c.
Qual afirmação indica corretamente a representação dessa situação do ponto de vista dos diagramas sequenciais?
Provas
Um inversor de onda quadrada é utilizado para converter um sinal de tensão CC em CA. Considerandose o inversor com um ciclo de trabalho (duty cicle) de 60% e um sinal de 60 Hz na saída, assinale a alternativa que mais se aproxima da tensão eficaz (rms) na saída do inversor quando alimentado com 12 Vcc, conforme ilustração a seguir.

Provas
Seja um capacitor esférico cujas placas interna e externa apresentam raios iguais a 0,25 mm e 0,5 mm, respectivamente, e cujo material dielétrico que preenche o espaço entre as placas possui permissividade elétrica igual a 20 ∙ !$ ε !$0 (!$ ε !$0 = 8,854 ∙ 10-12 F/m).
Se a máxima tensão que pode ser aplicada no capacitor é de 1000 V, uma vez que tensões superiores iniciam processos de ionização no meio dielétrico, assinale a alternativa que indica corretamente a rigidez dielétrica do material entre as placas.
Provas
aConsidere o circuito ilustrado na sequência, constituído exclusivamente por uma associação de sete capacitores ideais, cujas capacitâncias estão informadas na figura a seguir.

A capacitância equivalente do arranjo vista pelos terminais !$ a !$ e !$ b !$ é igual a
Provas
Considerando-se as informações a seguir preencha corretamente as lacunas do texto.
A norma ABNT NBR 5.738:2015 estabelece os procedimentos para moldagem e cura de corpos de prova de concreto. Considere um corpo de prova cilíndrico nas dimensões:
!$ \bullet !$ Diâmetro – 150 mm
!$ \bullet !$ Altura – 300 mm
!$ \bullet !$ Abatimento – 200 milímetros
Sendo assim, de acordo com a referida norma, a quantidade de camadas e de golpes que devem ser adotados para adensar manualmente com uma haste um molde de corpo de prova cilíndrico, nas dimensões apresentadas, é de camadas e golpes em cada camada.
A sequência que preenche corretamente as lacunas é
Provas
Uma tinta é uma composição química, pigmentada ou não, que se apresenta na forma líquida e que, quando aplicada sobre uma superfície, resulta em um revestimento, proporcionando às superfícies acabamento, resistência e proteção. Dentre as tintas mais comuns encontradas no mercado de construção civil brasileiro, avalie as seguintes:
I - O verniz poliuretânico é um verniz que pode ser utilizado em madeira, à base de resinas poliuretânicas e aditivos que filtram os raios solares, protegendo a superfície.
II - A pintura com hidrofugante é uma solução à base de cristais de silicone, incolor, para tratamento de superfícies, com a finalidade de torná-las repelentes à água.
III - Os esmaltes podem ser obtidos adicionando-se pigmentos aos vernizes ou às lacas, resultando desta mistura uma tinta caracterizada pela capacidade de formar um filme liso.
IV - A pintura à base de cal tem como seu componente principal a cal extinta, produzida a partir de rochas calcárias e dolomíticas, que apresentam baixo teor de óxidos de ferro e de alumínio, o que determina o índice de alvura na pintura.
Está correto apenas o que se afirma em
Provas
Caderno Container