Foram encontradas 60 questões.
- EletrotécnicaCircuitos Elétricos em Eletricidade
- EletrotécnicaCircuitos de Corrente Contínua e de Corrente Alternada

Para o circuito CC ilustrado acima, assinale a alternativa com o valor da potência, em módulo, fornecida pela fonte de tensão.
Provas
- EletrotécnicaCircuitos Elétricos em Eletricidade
- EletrotécnicaCircuitos de Corrente Contínua e de Corrente Alternada
Provas
Provas
- EletrotécnicaCircuitos Elétricos em Eletricidade
- EletrotécnicaCircuitos de Corrente Contínua e de Corrente Alternada
Provas
- EletrotécnicaCircuitos Elétricos em Eletricidade
- EletrotécnicaCircuitos de Corrente Contínua e de Corrente Alternada
Provas
- EletrotécnicaCircuitos Elétricos em Eletricidade
- EletrotécnicaCircuitos de Corrente Contínua e de Corrente Alternada
Provas
Durante a implementação dos circuitos de força e comando que acionará um motor de indução trifásico por meio de uma chave de partida direta, deseja-se dimensionar os fusíveis a serem usados para proteção da instalação. As curvas t x i dos fusíveis disponíveis são ilustradas na figura a seguir.

Para a realização do dimensionamento, o profissional responsável pela instalação anotou os seguintes dados de placa do motor: 4 CV, tensão nominal de linha igual a 500 / √3 V, rendimento 73,6%, fator de potência 0,8 atrasado, tempo de partida igual a 1 segundo e corrente máxima na partida direta de 80 A.
Nessa situação, considerando que 1 CV = 736 W, é correto afirmar que a corrente nominal do motor In e a corrente
nominal do fusível Ifusível mais adequado para a instalação serão, respectivamente, iguais a
Provas
- EletrotécnicaCircuitos Elétricos em Eletricidade
- EletrotécnicaCircuitos de Corrente Contínua e de Corrente Alternada
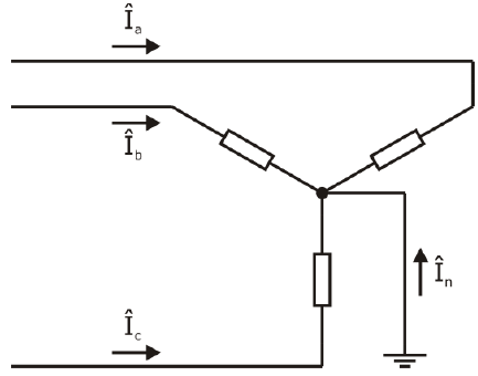
Uma carga trifásica desequilibrada, com ligação em Y aterrada, é alimentada por uma fonte trifásica equilibrada, também ligada em Y aterrada. Nesse sistema foram medidas as correntes de linha: Îa, Îb e Îc, bem como a corrente de neutro În considerando os sentidos ilustrados na figura a seguir.

Com relação a esse sistema, julgue os itens a seguir.
I Sendo a carga desequilibrada, a soma vetorial das correntes Îa, Îb e Îc será igual a –În.
II Sendo a carga desequilibrada, a corrente În será nula quando Îa > Îb > Îc.
III Sendo a carga perfeitamente equilibrada, a soma vetorial das correntes Îa, Îb e Îc será diferente de zero.
Assinale a alternativa correta.
Provas

Provas
- EletrotécnicaCircuitos Elétricos em Eletricidade
- EletrotécnicaCircuitos de Corrente Contínua e de Corrente Alternada
Provas
Caderno Container