Foram encontradas 60 questões.
- EletrotécnicaCircuitos Elétricos em Eletricidade
- EletrotécnicaCircuitos de Corrente Contínua e de Corrente Alternada
Texto para responder à questão.
Para determinar a natureza de uma impedância, ou seja, se ela é resistiva, predominantemente indutiva, predominantemente capacitiva ou mesmo puramente indutiva e puramente capacitiva, analisa-se normalmente a relação angular entre tensões e correntes no ramo sob análise. Dessa forma, para se obter a natureza de três impedâncias distintas, denominadas de Z1, Z2 e Z3, que se encontram instaladas em um circuito CA, alunos de uma escola realizaram um experimento, no qual foram feitas medições fasoriais de tensão e de corrente em cada uma das impedâncias. Os resultados das medições são ilustrados na figura a seguir.

Com base nas medições fasoriais obtidas pelos alunos, é correto afirmar que as impedâncias Z1, Z2 e Z3 têm natureza, respectivamente, do tipo
Provas
- EletrotécnicaCircuitos Elétricos em Eletricidade
- EletrotécnicaCircuitos de Corrente Contínua e de Corrente Alternada
O conhecimento das relações V x I e I x V dos componentes básicos de circuitos elétricos (resistores, indutores e capacitores) é importante durante a análise de sistemas que operam em regime de corrente contínua ou alternada. Na tabela a seguir, são apresentadas algumas dessas relações:

Com base nas relações apresentadas, determine a tensão e a corrente que passa pelo resistor de 10 Ω do circuito CC a seguir, quando este se encontra operando em regime permanente.

Provas
Provas
- EletrotécnicaCircuitos Elétricos em Eletricidade
- EletrotécnicaCircuitos de Corrente Contínua e de Corrente Alternada

As Leis de Kirchhoff consistem em técnicas de grande utilidade para a análise de circuitos elétricos, sejam eles CC ou CA. Com base na Lei de Kirchhoff das Correntes (LKC), os valores das correntes desconhecidas I1, I2 e I3 no circuito elétrico ilustrado acima são:
Provas
- EletrotécnicaCircuitos Elétricos em Eletricidade
- EletrotécnicaCircuitos de Corrente Contínua e de Corrente Alternada
Provas
- EletrotécnicaCircuitos Elétricos em Eletricidade
- EletrotécnicaCircuitos de Corrente Contínua e de Corrente Alternada
Texto para responder à questão.
Para determinar a natureza de uma impedância, ou seja, se ela é resistiva, predominantemente indutiva, predominantemente capacitiva ou mesmo puramente indutiva e puramente capacitiva, analisa-se normalmente a relação angular entre tensões e correntes no ramo sob análise. Dessa forma, para se obter a natureza de três impedâncias distintas, denominadas de Z1, Z2 e Z3, que se encontram instaladas em um circuito CA, alunos de uma escola realizaram um experimento, no qual foram feitas medições fasoriais de tensão e de corrente em cada uma das impedâncias. Os resultados das medições são ilustrados na figura a seguir.

Provas
- EletrotécnicaCircuitos Elétricos em Eletricidade
- EletrotécnicaCircuitos de Corrente Contínua e de Corrente Alternada
Provas
- EletrotécnicaCircuitos Elétricos em Eletricidade
- EletrotécnicaCircuitos de Corrente Contínua e de Corrente Alternada
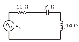
Tabela para responder à questão.


O monitoramento do fator de potência (FP) de impedâncias em circuitos elétricos CA é de grande importância para a utilização otimizada das instalações. Nesse contexto, sabe-se que o FP deve ser classificado como ‘adiantado’ ou ‘atrasado’, a depender da natureza da impedância do circuito. Para a instalação ilustrada na figura, é correto afirmar que o módulo da impedância equivalente vista pela fonte e o FP serão, respectivamente, iguais a
Provas
- EletrotécnicaCircuitos Elétricos em Eletricidade
- EletrotécnicaCircuitos de Corrente Contínua e de Corrente Alternada

A figura acima ilustra um diagrama elétrico multifilar de uma instalação constituída de três interruptores que acionam uma lâmpada e seu respectivo diagrama elétrico unifilar, o qual precisa de correções. A respeito das correções necessárias para a correta representação do circuito, assinale a alternativa correta.
Provas
- EletrotécnicaCircuitos Elétricos em Eletricidade
- EletrotécnicaCircuitos de Corrente Contínua e de Corrente Alternada

Durante um experimento, deseja-se representar o circuito elétrico de uma lanterna incandescente. A estrutura da lanterna utilizada no experimento é ilustrada na figura acima. Assinale a alternativa que apresenta corretamente o circuito da lanterna, considerando que as partes condutoras que interligam a lâmpada possuem resistência desprezível.
Provas
Caderno Container