Foram encontradas 60 questões.
O dispositivo de manobra (mecânico) e de proteção, capaz de estabelecer, conduzir e interromper correntes em condições normais do circuito, assim como estabelecer, conduzir por tempo especificado e interromper correntes em condições anormais especificadas do circuito, como as de curto-circuito, é
Provas
Questão presente nas seguintes provas
A figura abaixo mostra a tabela verdade para um circuito lógico combinacional com três variáveis: A, B e C. A expressão lógica simplificada para a saída Y deste circuito é
| C | B | A | Y |
| 0 | 0 | 0 | 0 |
| 0 | 0 | 1 | 0 |
| 0 | 1 | 0 | 1 |
| 0 | 1 | 1 | 1 |
| 1 | 0 | 0 | 0 |
| 1 | 0 | 1 | 0 |
| 1 | 1 | 0 | 1 |
| 1 | 1 | 1 | 1 |
Provas
Questão presente nas seguintes provas
A expressão booleana simplificada que representa a saída Y, para o circuito mostrado abaixo, é

Provas
Questão presente nas seguintes provas
A carga de uma instalação industrial é 40 kW com fator de potência indutivo 0,8. Deseja-se corrigir o fator de potência para que seja unitário. Neste caso, é necessário acrescentar um banco de capacitores com potência reativa de
Provas
Questão presente nas seguintes provas
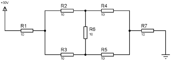
A corrente “i” que circula em R6 no circuito mostrado na figura abaixo é

Provas
Questão presente nas seguintes provas
Um transformador monofásico ideal, com relação de transformação de 10:1, usado como elevador, fornece potência de saída de 2200VA a uma carga com tensão nominal de 220 volts. A corrente de entrada do transformador é
Provas
Questão presente nas seguintes provas
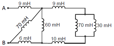
A indutância total entre os pontos “A” e “B”, no circuito mostrado na figura abaixo, é

Provas
Questão presente nas seguintes provas
O valor de R1, no circuito da figura abaixo, para que o LED funcione com suas características nominais, é
Obs: Vbe = 0,7V; VBB = 5V; VCC = 15V; Iled = 20mA.

Provas
Questão presente nas seguintes provas
A figura abaixo mostra um circuito de uma fonte que utiliza um regulador série de tensão integrado do tipo 7805 (Regulador Série Integrado para 5 Volts). Nas condições mostradas na figura, a tensão de saída Vo é

Provas
Questão presente nas seguintes provas
Para acionar um relé a partir de um circuito de controle digital, foi montado o circuito apresentado abaixo. Quando a tensão na entrada VIN for igual a 5 V, o transistor Q1 conduzirá uma corrente e a bobina do relé será energizada, provocando seu acionamento. No projeto, foi empregado um transistor Q1, cujo parâmetro β pode assumir valores entre 100 e 400 (de acordo com o datasheet do fabricante). Considerando-se que Q1 apresenta VBE = 0,7 V e VCE = 0,2 V no modo de saturação, o limite máximo que a resistência RB pode assumir, de maneira a garantir que Q1 opere na saturação quando VIN = 4,7 V, é

Provas
Questão presente nas seguintes provas
Cadernos
Caderno Container