Foram encontradas 60 questões.
O conceito que é entendido como a capacidade de um corpo qualquer se opor à passagem de corrente elétrica, mesmo quando existe uma diferença de potencial aplicada, é
Provas
Questão presente nas seguintes provas
Um voltímetro de uma bancada de determinada empresa possui o fundo de escala de 500 V, e a classe de exatidão de 1%. Em um ensaio, ele foi utilizado para medir uma tensão de 380 V. O valor máximo de tensão que poderá ser mostrado pelo instrumento é
Provas
Questão presente nas seguintes provas
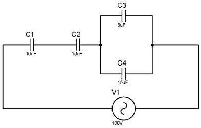
O valor da tensão da fonte V1 para o circuito mostrado abaixo é de 100 V (valor eficaz). O valor da tensão, nos terminais do capacitor C4 de 15uF, é

Provas
Questão presente nas seguintes provas
Considerando-se o circuito a seguir, a tensão de saída (Vout), a partir da tensão de entrada (Vin), é

Provas
Questão presente nas seguintes provas
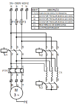
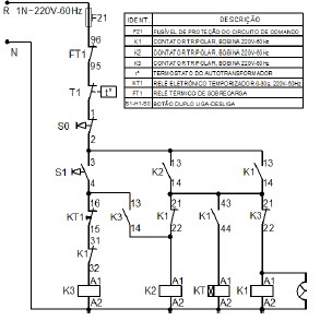
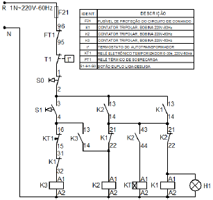
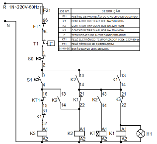
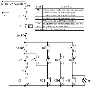
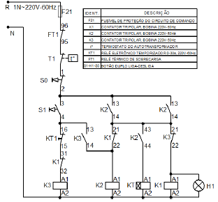
A figura abaixo mostra o diagrama de força de uma chave de partida compensadora acionando um motor de indução trifásico.

O diagrama de comando adequado para perfeito funcionamento do diagrama de força mostrado na figura acima está mostrado na opção
Provas
Questão presente nas seguintes provas
A seguir, é mostrada a curva característica de um LED de cor branca. O valor do resistor R1, que deve ser utilizado em série, para limitar a corrente neste LED, em aproximadamente 10 mA, conforme o circuito mostrado na figura ao lado, é

Provas
Questão presente nas seguintes provas
Sobre o sofrimento e sobre a felicidade
Acho que sabedoria é saber sofrer pelas razões certas. Quem não sofre, quando há razões para isso, está doente. [...]
Quem é feliz sempre, e nunca sofre, padece de uma grave enfermidade e precisa ser tratado, a fim de aprender a sofrer. Sofrer pelas razões certas significa que estamos em contato com a realidade, que o corpo e a alma sentem a tristeza das perdas e que existe em nós o poder do amor. Só não sofrem, quando há razões para isso, aqueles que perderam a capacidade de amar. Toda experiência de amor traz, encolhida em seu ventre, à espera, a possibilidade de sofrer.
Assim, a receita para não sofrer é muito simples: basta matar o amor.
Mas que enorme seria a perda, se isso acontecesse! Porque é o sofrimento que nos faz pensar. Pensamos ou para encontrar formas de eliminar o sofrimento, quando isso é possível, ou para dar um sentido ao sofrimento, quando ele não pode ser evitado. O pensamento, assim, filho da dor, está a serviço da alegria. Todas as mais belas conquistas do espírito humano, da poesia à ciência, nasceram assim. [...]
(Retirado do livro Um mundo num grão de areia – o ser humano e seu universo, de Rubem Alves. 2002.)
De acordo com o texto,
Provas
Questão presente nas seguintes provas
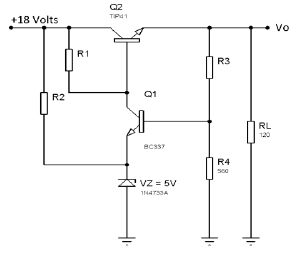
Considerando-se os transistores de silício com Vbe = 0,6V e βcc = 200, o valor de R3, no circuito mostrado abaixo, para que a tensão de saída Vo seja igual a +12 Volts, é

Provas
Questão presente nas seguintes provas
A tensão de saída Vo, no circuito mostrado na figura abaixo, é

Provas
Questão presente nas seguintes provas
Uma empresa comprou um forno elétrico e, por falta de informações no pedido, o fabricante forneceu este forno com tensão nominal de 220 V trifásico, porém a tensão nominal do circuito de alimentação da empresa é 380 V trifásico. Sabendo-se que a tensão nominal de cada uma das três resistências do forno é 220 V e que o forno foi entregue com estas ligadas em triângulo, com relação ao novo esquema de ligação das resistências, é correto dizer-se que
Provas
Questão presente nas seguintes provas
Cadernos
Caderno Container