Magna Concursos

Foram encontradas 50 questões.

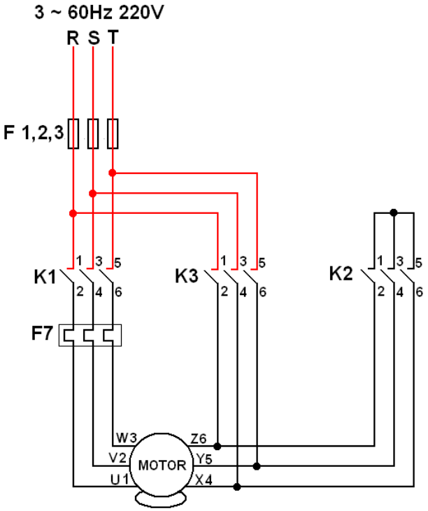
O seguinte diagrama de partida é apresentado no painel de um motor:


Enunciado 3123457-1


De acordo com o diagrama, é correto afirmar que

 

Provas

Questão presente nas seguintes provas
2824049 Ano: 2023
Disciplina: Eletroeletrônica
Banca: AOCP
Orgão: IF-MA
A figura a seguir ilustra um circuito elétrico conhecido como ponte de Weatstone:
Enunciado 3123453-1

Sobre a ponte de Weatstone, assinale a alternativa INCORRETA.
 

Provas

Questão presente nas seguintes provas
2824048 Ano: 2023
Disciplina: Eletroeletrônica
Banca: AOCP
Orgão: IF-MA
Um eletricista foi chamado para a instalação de um chuveiro em uma residência. A potência elétrica dissipada por um chuveiro é de 6600 W. Sabendo que a tensão de alimentação do chuveiro é de 220 V e que ele pode ser considerado uma carga puramente resistiva, o disjuntor que deverá ser instalado para o circuito de alimentação do chuveiro com base em sua corrente nominal é de
 

Provas

Questão presente nas seguintes provas
2824047 Ano: 2023
Disciplina: Eletroeletrônica
Banca: AOCP
Orgão: IF-MA
Um eletricista foi chamado para analisar um problema em um circuito elétrico. Após vários testes, verificou que o problema consistia em um resistor de valor nominal de 500 Ω do sistema de controle que havia queimado e precisava ser substituído. Ao verificar seus materiais, constatou que não possuía nenhum resistor com essas características para a substituição. Sabendo que o resistor deve ser substituído por outro de igual valor nominal ou com variação de ±10%, representa uma solução alternativa para o problema do eletricista o uso de
 

Provas

Questão presente nas seguintes provas
2824046 Ano: 2023
Disciplina: Eletroeletrônica
Banca: AOCP
Orgão: IF-MA
Tendo como base a equação da 2ª lei de Ohm, assinale a alternativa correta.
 

Provas

Questão presente nas seguintes provas
2824045 Ano: 2023
Disciplina: Eletroeletrônica
Banca: AOCP
Orgão: IF-MA
Em um circuito elétrico, podem existir dois tipos de elementos: passivos e ativos. Sobre os elementos de circuito passivos e ativos, é correto afirmar que
 

Provas

Questão presente nas seguintes provas
2824044 Ano: 2023
Disciplina: Eletroeletrônica
Banca: AOCP
Orgão: IF-MA
Tendo como base os conhecimentos em eletricidade básica, é correto afirmar que
 

Provas

Questão presente nas seguintes provas
Sobre a Lei Federal nº 13.709/2018, alterada pela Lei Federal nº 13.853/2019 (Lei Geral de Proteção de Dados Pessoais), assinale a alternativa correta.
 

Provas

Questão presente nas seguintes provas
De acordo com a Constituição da República Federativa do Brasil de 1988, assinale a alternativa correta.
 

Provas

Questão presente nas seguintes provas
A Lei Federal nº 8.429/1992, alterada pela Lei Federal nº 14.230/2021, prevê, como uma das sanções aplicáveis àquele que pratica ato de improbidade administrativa que importa em enriquecimento ilícito,
 

Provas

Questão presente nas seguintes provas