Foram encontradas 40 questões.
- EletrotécnicaAnálise de Circuitos Elétricos
- EletrônicaCircuitos de Corrente Contínua em Eletroeletrônica
Para o circuito a seguir, considere V1 = 10V, V2 = 5V, R1 = 5Ω, R2 = 10Ω e R3 = R4 = R5 = R6 =
20Ω.

Analisando o circuito, as quedas de tensão nos resistores R1, R2, R3, R4, R5 e R6 são respectivamente:

Analisando o circuito, as quedas de tensão nos resistores R1, R2, R3, R4, R5 e R6 são respectivamente:
Provas
Questão presente nas seguintes provas
- EletrotécnicaAnálise de Circuitos Elétricos
- EletrônicaCircuitos de Corrente Contínua em Eletroeletrônica
Um dos circuitos mais conhecidos de medição elétrica é a ponte de Wheatstone (ou ponte de
resistências), o qual permite obter medições precisas de resistência elétrica. Este circuito foi batizado
como ponte de Wheatstone devido ao seu inventor, Charles Wheatstone (1802-1875).

A ponte de Wheatstone ilustrada abaixo, está sendo utilizada em conjunto com um sensor de temperatura R2 para monitoramento da temperatura T em um trocador de calor.
O sensor de temperatura é do tipo termorresistivo, ou seja, sua resistência elétrica varia em função da temperatura aplicada. A função matemática que combina a temperatura (em °C) com a resistência elétrica (em kΩ) deste sensor é dada por:
T=0,05 * R2 -1503
Sabendo que T = 250°C, R1 = 10kΩ, R3 = 1MΩ e que a corrente elétrica no galvanômetro G é nula, o valor de R4 é dado por:

A ponte de Wheatstone ilustrada abaixo, está sendo utilizada em conjunto com um sensor de temperatura R2 para monitoramento da temperatura T em um trocador de calor.
O sensor de temperatura é do tipo termorresistivo, ou seja, sua resistência elétrica varia em função da temperatura aplicada. A função matemática que combina a temperatura (em °C) com a resistência elétrica (em kΩ) deste sensor é dada por:
T=0,05 * R2 -1503
Sabendo que T = 250°C, R1 = 10kΩ, R3 = 1MΩ e que a corrente elétrica no galvanômetro G é nula, o valor de R4 é dado por:
Provas
Questão presente nas seguintes provas
- EletrotécnicaAnálise de Circuitos Elétricos
- EletrônicaCircuitos de Corrente Contínua em Eletroeletrônica
Uma carga de potência de 360mW e tensão de alimentação de 9V é interligada em um circuito com
uma fonte de alimentação V de tensão 15V, como mostra a ilustração abaixo.

Considerando que a carga funciona com tensão e potência adequados, os valores do resistor R e de sua potência dissipada quando a chave S é fechada são respectivamente:

Considerando que a carga funciona com tensão e potência adequados, os valores do resistor R e de sua potência dissipada quando a chave S é fechada são respectivamente:
Provas
Questão presente nas seguintes provas
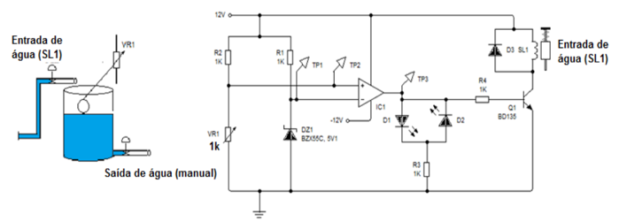
Observe atentamente a figura a seguir. Ela mostra o circuito de controle de nível de água em
um tanque com as seguintes características:
• O cursor do potenciômetro VR1 (1k Ohm) está mecanicamente acoplado à boia do tanque de forma que a subida do nível de água aumenta a tensão em TP2. Do contrário, a diminuição do nível de água diminui a tensão em TP2.
• A válvula solenoide SL1 quando acionada libera a passagem de água e desligada fecha a entrada de água no tanque. A saída de água do tanque é manual.
•R4 está dimensionado para levar o transistor para a região de saturação.
• Considere o amplificador operacional como ideal, energizado por +12V e -12V.

• O cursor do potenciômetro VR1 (1k Ohm) está mecanicamente acoplado à boia do tanque de forma que a subida do nível de água aumenta a tensão em TP2. Do contrário, a diminuição do nível de água diminui a tensão em TP2.
• A válvula solenoide SL1 quando acionada libera a passagem de água e desligada fecha a entrada de água no tanque. A saída de água do tanque é manual.
•R4 está dimensionado para levar o transistor para a região de saturação.
• Considere o amplificador operacional como ideal, energizado por +12V e -12V.

Com relação ao funcionamento do circuito é incorreto se afirmar que:
Provas
Questão presente nas seguintes provas
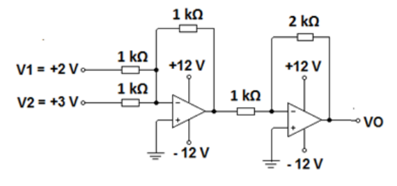
Abaixo é apresentado um circuito utilizando amplificadores operacionais para se fazer uma sequência
de operações matemáticas com sinais (contínuos) aplicados nas entradas V1 e V2. O valor correto da
tensão na saída VO, em relação ao terra do circuito, é mostrado na letra:


Provas
Questão presente nas seguintes provas
Quanto aos amplificadores operacionais, abaixo são apresentados 04 circuitos usados como
aplicações básicas destes importantes circuitos integrados. Os nomes corretos de cada circuito, na
sequencia apresentada é mostrada na letra:


Provas
Questão presente nas seguintes provas
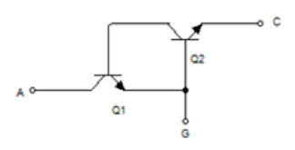
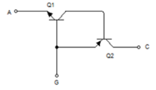
O circuito equivalente correto de um SCR utilizando transistores é apresentado a seguir pela letra:
Provas
Questão presente nas seguintes provas
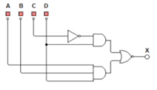
- EletrotécnicaCircuitos Lógicos e Álgebra Booleana em Eletrotécnica
- EletrônicaEletrônica Digital em Eletroeletrônica
O circuito digital simplificado, gerado a partir da tabela verdade fornecida abaixo é apresentado na letra:

Provas
Questão presente nas seguintes provas
- EletrotécnicaAnálise de Circuitos Elétricos
- EletrônicaCircuitos de Corrente Contínua em Eletroeletrônica
- EletrônicaEletrônica Analógica em Eletroeletrônica
Faça a análise dos circuitos com diodos reais de silício (tensão de condução de 0,7 Volts) a seguir.
No que diz respeito ao circuito digital equivalente e sua família lógica marque a opção que se encaixa
perfeitamente na equivalência dos circuitos.


Provas
Questão presente nas seguintes provas
Com relação aos transistores de junção bipolar é fornecida abaixo a família de curvas de um transistor
assim como três coordenadas do ponto quiescente. Com base nas informações da figura e no circuito
que as gerou, assinale a seguir a opção incorreta.


Provas
Questão presente nas seguintes provas
Cadernos
Caderno Container