Foram encontradas 40 questões.
A figura abaixo representa um circuito regulador de tensão com diodo Zener. A tensão Vz = 10V, a potência PzM = 50 mW e VL é a tensão na carga de 2 K Ω.

Assinale a afirmação CORRETA:
Provas
A figura abaixo ilustra de forma esquemática a conexão de 4 telefones à central de telefonia de um hospital. Essa conexão é realizada através de um circuito de controle. O telefone do setor Administrativo é designado pela entrada A; o telefone do setor de Pessoal é designado pela entrada P; o telefone do setor de Refeição é designado pela entrada R e o do setor de Manutenção é designado pela entrada M. Para A=P=R=M=1, significa solicitação de ligação telefônica e A=P=R=M=0, significa não solicitação de ligação telefônica. O circuito de controle obedece às seguintes prioridades:
- Telefone do setor Administrativo (A) --> Prioridade 1.
- Telefone do setor de Pessoal (P) --> Prioridade 2.
- Telefone do setor de Refeitório (R) --> Prioridade 3.
- Telefone do setor de Manutenção (M) --> Prioridade 4.
A tabela verdade abaixo mostra as combinações possíveis da saída designada por Chave R de acordo com sua prioridade. Assinale o item que corresponde à expressão lógica correta para a Chave R.

Provas
O amplificador operacional inversor mostrado na figura abaixo tem taxa de subida igual 0,5 V/μs. É aplicado em sua entrada um sinal de 2 V com uma determinada frequência (rd/s). O ganho de tensão do amplificador em dB (decibéis) e a máxima frequência que pode ser utilizada no sinal de entrada para evitar distorção na saída são, respectivamente:

Provas
No circuito ilustrado na figura abaixo, a corrente de base é fornecida por um circuito de polarização
consistindo em um resistor 180R
e 60R
e por uma fonte de 12 V. A corrente no coletor é igual a
quarenta e seis vezes à corrente de base (IC = 46IBB), onde R representa um valor de resistência
compreendido entre 1 K
e 5 K
(1 K
< R < 5 K
). Existe uma queda de tensão de 0,7 V da base ao
emissor. Sobre a corrente de base (IB), é CORRETO afirmar que:

Provas
Considerando que a potência instalada de um determinado consumidor esteja distribuída como: a) CARGA A - 0,5 KW; b) CARGA B - 2 KW e c) CARGA C - 1,5 KW, sendo o período de funcionamento "LIGADO" diário de todas elas conforme ilustrado no gráfico abaixo.

Indicar o custo do consumo da energia elétrica ao final de 30 dias, sendo R$ 0,85/KWH e os impostos totais no valor de R$ 25,00. Além disso, as cargas elétricas operaram em bandeira vermelha ao custo total de R$ 5,00.
Assinale a alternativa que indica o valor CORRETO:
Provas
As curvas da figura relacionam "Corrente (I/In) e Conjugado(C/Cn)" (eixo Y) e "RPM" (eixo X) de um motor trifásico de indução. Considerando que a partida do motor é Estrela-Triângulo e a linha tracejada indica a velocidade do motor em regime permanente, determinar a relação (I/In) aproximada de regime permanente do motor.

Assinale a alternativa CORRETA:
Provas
- EletrotécnicaCircuitos de Corrente Contínua em Eletrotécnica
- EletrotécnicaCircuitos Elétricos em Eletrotécnica
Encontrar a resistência equivalente entre A e B.

Provas
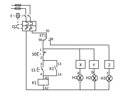
O diagrama de comando ilustrado na figura está relacionado à partida direta do motor trifásico de indução. Não é mostrado o diagrama de força, porém esse diagrama possui um contator (K1) com quatro chaves auxiliares, 3 NAs e 3NFs, e um relé de sobrecarga (FT1) com contatos auxiliares do tipo comutador. Os sinalizadores "H1", "H2" e "H3" devem indicar, respectivamente, três situações: 1a) Motor Parado; 2a) Motor Funcionando e 3a) Motor Parado por sobrecarga. Definir os valores lógicos para "X", "Y" e "Z", usando as chaves auxiliares do contator (bobina K1), se for o caso, e do relé de sobrecarga (FT1) que definam as três situações mencionadas. Para as análises, a chave "Q2" está fechada e as botoeiras são de pulso sem retenção.

Os valores lógicos CORRETOS estão expressos em:
Provas
Após as análises da carga mecânica no eixo do motor de indução trifásico, especificou-se o motor como: a) 30 CV (22,5 KW), operando com 100% da potência nominal, e rendimento de 90%; b) 4 polos - 6 terminais; c) F= 60 Hz; d) Fator de potência de 0,87; e) Vnominal de 380 V e; f) Corrente de partida, seis vezes a corrente nominal. Sabendo que a partida do motor é direta, especificar a faixa de ajuste do relé de sobrecarga e da corrente elétrica do fusível a partir da corrente elétrica nominal do motor, conforme tabela abaixo. Considerar (√3 * 380 * 0,87 ≅ 573).

Assinale a alternativa CORRETA:
Provas
Provas
Caderno Container