Foram encontradas 60 questões.
Considerando a função: \( Y=(A . B)+(\overline{(A.C)}.(\overline{B})) \) o circuito combinacional que implementa essa expressão é:
Provas
Selecione a tabela verdade que corresponde à expressão booleana: \( \overline{(A+B)} \):
Provas
Motores CC apresentam configurações onde possuem ímãs permanentes ou eletroímãs, como é o caso de motores de grande porte. O resultado da interação dos campos magnéticos é a produção de um conjugado eletromecânico, produzindo movimento rotacional do eixo (CHAPMAN, 2013). Sobre a rotação dos motores CC, qual das seguintes leis pode ser usada para determinar o sentido de rotação do motor de corrente contínua?
Referência: Chapman, Stephen J. Fundamentos de máquinas elétricas [recurso eletrônico] / Stephen J. Chapman; tradução: Anatólio Laschuk. - 5. ed. - Dados eletrônicos. - Porto Alegre : AMGH, 2013.
Provas
Um SPDA consiste em sistema externo e interno de proteção contra descargas atmosféricas (NBR 5419). Acerca das atualizações da ABNT NBR 5419, podemos afirmar:
Referência. ASSOCIAÇÃO BRASILEIRA DE NORMAS TÉCNICAS. NBR 5419-1: Proteção contra descargas atmosféricas. Parte 1: Princípios gerais. Rio de Janeiro, 2015.
Provas
Um motor assíncrono trifásico com tensão V1 = 400 V, frequência = 50 Hz e 4 polos, possui enrolamento do estator conectado em estrela (Y), potência Ps = 7,5 kW, escorregamento do rotor s = 3%, eficiência respeitando todas as perdas h = 86% e fator de potência = 0,88. Com essas características, qual será o torque que esse motor produzirá?
Provas
Um gerador síncrono trifásico de 450 volts, 50 Hz, conectado em Δ, 4 pólos, tem reatância de eixo direto de 0,15Ω e reatância de eixo de quadratura de 0,07Ω. Sua resistência de armadura pode ser desprezada. Em plena carga, o gerador fornece \( 150\sqrt{3} \) A com fator de potência atrasado de 0,8. Nessas condições, qual é o valor da corrente de armadura?
Provas
Todas as atividades biológicas desenvolvidas pelo corpo humano são resultantes de impulsos enviados pelo cérebro na forma de corrente elétrica de baixíssimo valor. Porém, quando o indivíduo entra em contato com qualquer parte viva de um circuito elétrico, uma corrente passa a circular por esse indivíduo juntamente com a corrente fisiológica própria. O resultado é uma alteração nas funções vitais do indivíduo que pode levá-lo à morte (Mamede, 2015). Sobre o uso do DR, podemos afirmar que:
Referência: Mamede Filho, João. Instalações elétricas industriais : de acordo com a norma brasileira NBR 5419:2015 / João Mamede Filho. 9. ed. Rio de Janeiro : LTC, 2017.
Provas
- Transformadores e Máquinas ElétricasMáquinas EstáticasTransformadores Trifásicos e Autotransformadores
Um transformador é um dispositivo que converte, por meio da ação de um campo magnético, a energia elétrica CA de uma dada frequência e nível de tensão em energia elétrica CA de mesma frequência, mas outro nível de tensão. Ele consiste em duas ou mais bobinas de fio enroladas em torno de um núcleo ferromagnético comum (CHAPMAN, 2013). A respeito do núcleo, qual é a finalidade da laminação do núcleo em transformadores?
Provas
Dado o circuito a seguir, qual será a tensão de saída?

Provas
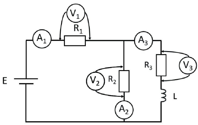
Considere o circuito mostrado na figura a seguir.

Considerando R1 = R2 = R3 e que os elementos são ideais (não possuem perdas), após estabelecido o regime permanente, pode-se afirmar que:
Provas
Caderno Container