Foram encontradas 40 questões.
Sobre transformadores, analise as afirmativas.
I - Indutância mútua é a capacidade de um indutor induzir tensão em um indutor vizinho e essa grandeza é medida em henrys (H).
II - A regra para eliminar o transformador e refletir o circuito secundário para o lado primário é: dividir a impedância do secundário por n2, dividir a tensão do secundário por n e multiplicar a corrente do secundário por n.
III - Se uma corrente sai do terminal da bobina marcado com um ponto, a polaridade de referência da tensão mútua na segunda bobina é positiva no terminal marcado com um ponto na segunda bobina.
IV - Transformador ideal é um transformador sem perdas com coeficiente de acoplamento unitário no qual as bobinas primárias e secundárias possuem autoindutâncias nulas.
Está correto o que se afirma em
Provas
Questão presente nas seguintes provas
Sabendo que as concessionárias de energia medem a energia em watt-hora (Wh), onde 1 Wh = 3.600 J, quanta energia consome em 2 horas uma lâmpada incandescente de 220 Volts e de 2,5 Ampères?
Provas
Questão presente nas seguintes provas
Sobre amplificadores operacionais, assinale a afirmativa INCORRETA.
Provas
Questão presente nas seguintes provas
Marque a opção que apresenta a expressão mínima para a expressão AB + A(B + C) + B(B + C) ao ser simplificada por meio das técnicas da álgebra Booleana.
Provas
Questão presente nas seguintes provas
A coluna da esquerda apresenta as formas de conversão de energia e a da direita, a classificação quanto à forma de conversão. Numere a coluna da direita de acordo com a da esquerda.
1 - CC-CC ( ) Retificador
2 - CC-CA ( ) Cicloconversor
3 - CA-CC ( ) Chopper
4 - CA-CA ( ) Inversor
2 - CC-CA ( ) Cicloconversor
3 - CA-CC ( ) Chopper
4 - CA-CA ( ) Inversor
Assinale a sequência correta.
Provas
Questão presente nas seguintes provas
Sobre Sinais e Sistemas, analise as afirmativas.
I - Diz-se que um sinal x(t) é um sinal de tempo contínuo se ele for definido para todo tempo t.
II - Diz-se que um sinal de tempo contínuo é um sinal ímpar se ele satisfizer a condição x(-t) = x(t) para todo t.
III - Diz-se que um sinal x(t) é um sinal par se ele satisfizer a condição x(-t) = -x(t) para todo t.
IV - Um sinal periódico x(t) é uma função que satisfaz a condição x(t) = x(t+T) para todo t, em que T é uma constante positiva.
II - Diz-se que um sinal de tempo contínuo é um sinal ímpar se ele satisfizer a condição x(-t) = x(t) para todo t.
III - Diz-se que um sinal x(t) é um sinal par se ele satisfizer a condição x(-t) = -x(t) para todo t.
IV - Um sinal periódico x(t) é uma função que satisfaz a condição x(t) = x(t+T) para todo t, em que T é uma constante positiva.
Está correto o que se afirma em
Provas
Questão presente nas seguintes provas
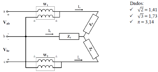
A figura a seguir apresenta o método dos dois wattímetros para uma carga conectada em estrela.

Sabendo que os dois wattímetros apresentam as seguintes leituras: P1=2.000 W e P2=2.500 W, sendo a tensão da linha 220 V, qual é o valor do ângulo de potência da carga, em graus?
Provas
Questão presente nas seguintes provas
A participação cidadã na gestão pública nunca foi oferecida pelos governos. Ela sempre foi uma conquista da cidadania organizada. Essa ampliação da democracia, assim como a própria democracia, depende da vitalidade e da iniciativa dos cidadãos. Ao se criarem leis e mecanismos que institucionalizam canais de participação na gestão pública, a cidadania organizada cria um novo direito, o direito à participação cidadã na governança pública. Mas, assim como os direitos sociais, o direito à participação não se efetiva por seu reconhecimento formal. Na verdade, esse reconhecimento abre um novo campo de disputas, legitima e torna visíveis novos atores que se empenham na conquista desses direitos.
Ao mesmo tempo em que essa inovação democrática – a participação cidadã na gestão pública – ganha espaços, assistimos, paradoxalmente, à democracia liberal ser capturada pelo poder econômico, distanciar-se dos interesses dos cidadãos e sujeitar-se aos interesses do mercado, isto é, das grandes corporações transnacionais, especialmente as financeiras. O financiamento das campanhas eleitorais por empresas é um dos meios de submeter o poder político ao econômico.
(BAVA, S. C. A reinvenção da democracia. Disponível em: http://www.diplomatique.org.br/. Acesso em: 25/09/2016.)
Os gêneros textuais apresentam elementos composicionais relativamente estáveis, como tipos de enunciados, além de estruturas e conteúdos temáticos de acordo com as condições de produção. Sobre a composição do editorial em questão, marque V para as afirmativas verdadeiras e F para as falsas.
( ) O conteúdo abordado representa a opinião pessoal do autor, como se pode conferir pelo emprego de forma verbal assistimos na primeira pessoa do plural.
( ) Por meio de um tratamento formal e distanciado, o produtor apresenta uma opinião acerca do tema, visando à adesão do leitor.
( ) São usados recursos argumentativos a fim de convencer o leitor a praticar determinadas ações.
( ) Predominam formas verbais empregadas no presente do indicativo, sugerindo caráter de verdade às afirmações apresentadas.
Assinale a sequência correta.
Provas
Questão presente nas seguintes provas
Sobre potência elétrica em circuito CA, analise as afirmativas.
I - Para a máxima transferência de potência média, a impedância de carga deve ser igual ao conjugado complexo da impedância de Thevenin.
II - O valor eficaz de um sinal periódico é a raiz quadrada do valor médio quadrático.
III - A potência aparente é o produto dos valores rms da tensão, da corrente e do cosseno do seu ângulo de defasamento entre a tensão e a corrente.
IV - O fator de potência é o cosseno da diferença de fase entre a tensão e a corrente, também conhecido por ângulo da impedância de carga.
Está correto o que se afirma em
Provas
Questão presente nas seguintes provas
Sobre associação de resistores, indutores e capacitores, assinale a afirmativa correta.
Provas
Questão presente nas seguintes provas
Cadernos
Caderno Container