Foram encontradas 70 questões.
Suponha que Você é o encarregado pela documentação de todos os equipamentos que são manutenidos e fabricados numa empresa. Durante a consulta aos procedimentos de inspeção, seu colega de trabalho recém-contratado embaralhou alguns certificados de matérias-primas que foram utilizados para a fabricação desses equipamentos. Caberá a você reorganizar estes certificados e para tanto, deverá relacionar o material de cada equipamento com suas características de operação.
Cabe ressaltar que cada matéria-prima (aços inoxidáveis) corresponde a um equipamento, ou seja, a associação deve ser realizada de modo a viabilizar a operação de todos os equipamentos.
Materiais dos equipamentos:
I – Aço inoxidável AISI 440 (Aço inoxidável martensítico).
II – Aço inoxidável AISI 316L (Aço inoxidável austenítico com baixo teor de carbono – 0,03% carbono).
III – Aço inoxidável AISI 304 (Aço inoxidável austenítico).
Equipamentos:
A – Equipamento construído por soldagem e que opera em ambiente ácido à 200 ºC. No entanto, pode apresentar picos de aquecimento de até 500 ºC por 2 ou 3 minutos durante sua operação.
B – Válvula que opera em condições de intenso desgaste (erosão) e em ambiente corrosivo.
C – Equipamento que opera em baixas temperaturas (temperaturas criogênicas).
Provas
O principal objetivo do tratamento térmico de normalização é conferir ao aço:
Provas
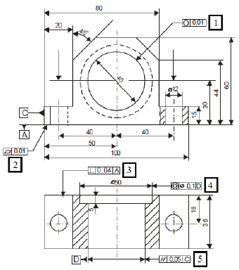
Dentre as alternativas, assinale a que contém o significado e as respectivas tolerâncias geométricas indicadas no desenho técnico a seguir.

Provas
O Sistema Internacional de Unidades (SI) possui três classes de unidade: as unidades de base, as unidades derivadas e as unidades suplementares.
O SI possui, então, sete unidades de base que estão relacionadas às seguintes grandezas:
- comprimento;
- massa;
- tempo;
- corrente elétrica;
- temperatura termodinâmica;
- quantidade de matéria;
- intensidade luminosa.
Com base nisso, marque a alternativa que identifica corretamente as unidades de base relacionadas a cada uma das grandezas descritas.
Provas
Em relação aos parâmetros utilizados na análise estatística dos processos de medição, analise as afirmativas a seguir:
I – A corresponde à diferença entre a média das indicações obtidas de um processo de medição e um valor de referência.
II – A está associada à capacidade do sistema de medição em manter suas características estatísticas ao longo do tempo.
III – A corresponde à faixa dentro da qual as indicações do processo de medição são esperadas quando envolvidos diferentes operadores, medindo uma mesma característica do produto nas condições operacionais naturais do processo de medição.
A opção que contém de TODAS as terminologias que completam de forma correta as sentenças a cerca das características das graxas é:
Provas
Em relação ao processo de formação de cavacos e ao emprego dos fluidos de corte, analise as afirmativas a seguir:
I – O cavaco arrancado é aquele produzido sem deformação plástica do material, sendo de forma irregular e segmentária. É geralmente obtido no trabalho de materiais quebradiços, pouco tenazes e pouco resilientes.
II – O cavaco cisalhado apresenta-se sob a forma de segmentos regulares, os quais são formados pela deformação progressiva do material. É geralmente obtido na usinagem de materiais dúcteis e tenazes.
III – Uma das funções do fluido de corte é evitar o aparecimento de corrosão na peça durante o seu processo de usinagem.
Em relação aos itens acima:
Provas
Deseja-se dividir uma barra circular de 30 mm de diâmetro em 12 (doze) partes iguais. Para tanto, dispõe-se de uma fresadora cujo cabeçote divisor possui um parafuso sem fim com 2 (duas) entradas e uma coroa com 80 (oitenta) dentes.
Além disso, o disco divisor possui 5 (cinco) circunferências com os seguintes números de furos: 37; 39; 41; 43; 47 e 49.
Com base nesses dados, calcule o número de voltas que deverá ser dado à manivela do cabeçote divisor para que seja possível executar o serviço.
Provas
Dado o desenho técnico cotado abaixo, observe os afastamentos e assinale a afirmativa que contém o tipo de ajuste correspondente.

Provas
Com relação à representação de área de corte por meio de hachuras em desenho técnico, correlacione a coluna da esquerda com a coluna da direita.
( 1 ) Elastômeros
( 2 ) Concreto
( 3 ) Madeira
( 4 ) Terra
( 5 ) Líquido
( )

( )

( )

( )

( )

Assinale a alternativa que apresenta a sequencia correta
Provas
Assinale a alternativa que indica quais são as vistas que pertencem a peça a seguir.

Provas
Caderno Container