Foram encontradas 40 questões.
Na montagem em protoboard apresentada a seguir, um dos instrumentos é um amperímetro enquanto que o outro é um voltímetro. Eles se encontram conectados segundo os padrões de medição apropriados para obter corrente e tensão no circuito.

A partir da análise da montagem, assinale a alternativa CORRETA.
Provas
Questão presente nas seguintes provas
Sobre os conversores CC-CC e CC-CA, analise as afirmações de I a IV:
I. Os conversores CC-CC são largamente aplicados em fontes de alimentação chaveadas e em acionamento de motores de corrente contínua. Nas fontes chaveadas, eles sucedem os retificadores não controlados, reduzindo o ripple e regulando a tensão de saída da fonte, por isso são conhecidos também por “reguladores chaveados”.
II. Os conversores CC-CA são conhecidos como inversores. A função dos inversores é de converter a tensão de entrada contínua em tensão alternada na saída com amplitude e frequência desejada.
III. Existem duas topologias básicas de conversores CC-CA, que são o abaixador de tensão (conversor buck) e o elevador de tensão (conversor boost).
IV. A forma de onda ideal para a tensão de saída do conversor CC-CA é a senoidal, entretanto, na prática, a saída dos inversores contém certo número de harmônicos. Com o aumento da velocidade de comutação dos semicondutores, tornou-se possível reduzir estes harmônicos utilizando algumas técnicas de chaveamento.
Assinale a alternativa em que todas as afirmativas são VERDADEIRAS.
Provas
Questão presente nas seguintes provas
Qual é a expressão booleana do diagrama lógico? Assinale a alternativa CORRETA.

Provas
Questão presente nas seguintes provas
O avanço na concepção de novos métodos e dispositivos de proteção retrata a necessidade de reduzir os acidentes nas instalações elétricas de baixa tensão. A escolha inadequada de um dispositivo pode evitar a detecção de correntes de fuga e sobrecorrentes, comprometendo a segurança das instalações. No contexto, o dispositivo utilizado para seccionamento mecânico, destinado a provocar a abertura dos próprios contatos quando da ocorrência de uma corrente de fuga, sobrecarga ou corrente de curto-circuito é o:
Provas
Questão presente nas seguintes provas
As técnicas de acionamento de motores elétricos evitam estresses transitórios durante sua partida ou no controle de velocidade. A construção e aplicação de circuitos de comando pode prolongar a vida útil dos motores, reduzir despesas com manutenção e, assim, eliminar certos custos na produção de um bem material. Neste sentido, admita a implementação dos circuitos de força e comando indicados a seguir, utilizados para acionar um motor elétrico trifásico M.

Em relação à técnica de acionamento descrita pelos diagramas, assinale a alternativa CORRETA.
Provas
Questão presente nas seguintes provas
Realize a operação de multiplicação em binário A.B, onde A=11001 e B=10011.
Assinale a alternativa CORRETA.
Provas
Questão presente nas seguintes provas
O TEXTO - serve de base para responder a questão.
O céu está limpo, não há nenhuma nuvem acima de nós. O avião, entretanto, começa a dar saltos (I), e temos de por os cintos para evitar uma cabeçada na poltrona da frente. Olho pela janela: (II) é que estamos sobrevoando de perto um grande tumulto de montanhas. As montanhas são belas, cobertas de florestas; (V) no verde-escuro há manchas de ferrugem de palmeiras, algum ouro de ipê, alguma prata de embaúba — e de súbito uma cidade linda e um rio estreito. Dizem que é Petrópolis (IV).
É fácil explicar que o vento nas montanhas faz corrente para baixo e para cima, (III) como também o ar é mais frio debaixo da leve nuvem. A um passageiro assustado o comissário diz que “isso é natural”. Mas o avião, com o tranquilo conforto imóvel com que nos faz vencer milhas em segundos, havia nos tirado o sentimento do natural (...)
(BRAGA, In, PAULINO, 2013, p.37-38)
Observe as proposições no que tange ao emprego dos sinais de pontuação.
I. Uma das funções da vírgula é separar as conjunções pospostas, como ocorre em “O avião, entretanto, começa a dar saltos”.
II. O emprego dos dois pontos tem como finalidade introduzir um enunciado de natureza explicativa.
III. A vírgula após a expressão “para baixo e para cima” poderia ser substituída por dois pontos, sem prejuízo de sentido.
IV. O ponto que separa o enunciado “Dizem que é Petrópolis” infringe a norma culta, por isso deveria ser substituído por vírgula.
V. O ponto e vírgula, após o termo “florestas”, separa as partes da descrição, levando o leitor a uma pausa mais acentuada.
Estão CORRETAS apenas as proposições que constam nos itens
Provas
Questão presente nas seguintes provas
Parte relevante dos sistemas de distribuição de energia elétrica tem um caráter trifásico, ou seja, possuem três fases. Este tipo de circuito rapidamente substituiu o monofásico por razões técnicas e econômicas. Neste contexto, curioso em conhecer mais sobre o desempenho elétrico do seu sistema (alimentado por uma rede equilibrada), um conglomerado industrial contratou um técnico que, após realizar medições, constatou uma potência ativa total de 4 MW dissipada nas três fases da instalação. Foi medida também uma potência reativa de 1 Mvar por fase. Nesse caso, o fator de potência da instalação é:
Provas
Questão presente nas seguintes provas
Algumas válvulas reguladoras têm a função de manter constante a pressão nos circuitos em que atuam. Seu funcionamento acontece apenas quando a pressão a ser regulada for menor que a pressão de alimentação da rede. Elas são capazes de reduzir a pressão, sendo bastante empregadas em circuitos pneumáticos de segurança.
Em relação ao exposto, assinale a alternativa que apresenta uma CORRETA aplicação destas válvulas.
Provas
Questão presente nas seguintes provas
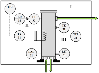
Considere a planta de controle de processos a seguir, utilizada para aquecimento de líquidos em tanque.
Analise os sinais de interface dos controladores, transmissores, elementos primários e registradores.

As conexões I, II e III são, respectivamente
Provas
Questão presente nas seguintes provas
Cadernos
Caderno Container