Foram encontradas 40 questões.
Alberto e Bruno possuíam juntos 570 figurinhas. Alberto deu metade de suas figurinhas para Bruno, e em seguida, este deu um terço de suas figurinhas para Alberto. No final, Alberto tinha 310 figurinhas e Bruno tinha 260.
No início, quantas figurinhas Alberto tinha a mais do que Bruno?
Provas
Questão presente nas seguintes provas
A loja de Espedito foi roubada por uma única pessoa, mas as mercadorias foram recuperadas. Havia três suspeitos, chamados Alves, Bosco e Carvalho. No julgamento, os acusados prestaram os seguintes depoimentos:
• Alves: “Não fui eu que cometi o roubo!”
• Bosco: “Não foi Carvalho quem roubou a loja!”
• Carvalho: “Sim, o ladrão fui eu!”
Horas depois, a polícia descobriu que dois deles haviam mentido. Quem falou a verdade e quem foi o ladrão?
Provas
Questão presente nas seguintes provas
Considere verdadeiras as proposições:
• “Todo estudante é responsável.”
• “Toda pessoa responsável é alegre.”
• “Algumas pessoas honestas são responsáveis.”
• “Todos os políticos são honestos.”
• “Nenhum político é alegre.”
Agora, baseando-se apenas nas proposições anteriores, verifique quais das seguintes afirmações são necessariamente verdadeiras, e assinale, a seguir, a alternativa CORRETA.
I. Algumas pessoas honestas são alegres.
II. Alguns estudantes são honestos.
III. Nenhum político é responsável.
IV. Todas as pessoas alegres são responsáveis.
V. Alguns estudantes são políticos.
Provas
Questão presente nas seguintes provas
Maria, Ana e Bia moram em três cidades diferentes. Uma mora em Caruaru, uma em Recife e a outra em Ipojuca e cada uma faz um curso superior diferente: uma faz Pedagogia, uma faz Direito e a outra faz Arquitetura, não necessariamente nessas ordens.
Sabe-se que:
• Maria não mora em Recife;
• Ana não estuda Pedagogia;
• A que mora em Recife não estuda Direito;
• Quem mora em Ipojuca estuda Arquitetura;
• Ana não mora em Ipojuca.
Onde Bia mora e o que estuda?
Provas
Questão presente nas seguintes provas
Na figura da esquerda, os números foram colocados obedecendo um determinado padrão. Seguindo o mesmo padrão e completando a figura da direita, determine o número que deve ser colocado no retângulo onde se encontra a interrogação.

Provas
Questão presente nas seguintes provas
Um sistema domótico é dividido em vários subsistemas, em que cada um tem atuação específica em uma área de controle. A maioria destes sistemas são computadorizados, possuindo uma rede de comunicação que interconecta os dispositivos. Algumas aplicações envolvem o controle de climatização, a detecção de movimento por sensores de presença, alarmes contra fumaça, vazamento de gás e violação de ambientes, além de redes para controle de acesso e integração de áudio-vídeo. Em relação à rede de comunicação a barramento, NÃO CONSTITUI um meio de transmissão dos sinais de um sistema domótico:
Provas
Questão presente nas seguintes provas
Na conversão de números inteiros hexadecimais em seus equivalentes decimais e binários, verifique quais estão corretas.
I. F516 = 245 = 1111 01012
II. B316 = 173 = 1001 00112
III. E916 = 239 = 1110 10012
IV. A416 = 164 = 1010 01002
V. 8C16 = 138 = 1000 11002
Assinale a alternativa em que todas as conversões estão CORRETAS.
Provas
Questão presente nas seguintes provas
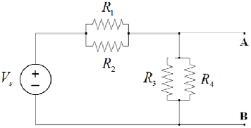
Um profissional, suspeitando do mau funcionamento de um circuito em corrente contínua, desenhou o circuito de uma placa eletrônica, apresentado na figura a seguir.

A fonte Vs é uma bateria de 9 Volts. Os quatro resistores do circuito são iguais e apresentam, cada um, resistência elétrica de 2,2 kΩ. Constatou-se que o resistor R3 estava com soldagem mal feita, se comportando como um circuito aberto. Todos os outros elementos da placa estavam em perfeito funcionamento. Um osciloscópio foi conectado entre os pontos A e B, configurado com uma escala de tensão de 2V/DIV (dois volts por divisão) e ganho DC nulo. A partir das informações, marque a alternativa CORRETA, que indica, dentre os sinais do osciloscópio, aquele medido pelo técnico entre os pontos A e B.

Provas
Questão presente nas seguintes provas
O retificador controlado de silício (SCR) é o tiristor mais utilizado quando se quer chavear correntes de altos valores.
Sobre o SCR, verifique quais as alternativas abaixo são corretas:
I. O terminal de entrada é chamado de porta ou gatilho.
II. Para o SCR conduzir basta haver uma tensão de disparo do gatilho (VGT).
III. Uma forma de reativar o SCR é reduzindo a tensão do gatilho a zero.
IV. O SCR é reativado quando a corrente entre o anodo e o catodo for menor que a corrente de manutenção.
Assinale a alternativa em que todas as afirmativas são VERDADEIRAS.
Provas
Questão presente nas seguintes provas
Para avaliar projetos de amplificadores de potência, utiliza-se a eficiência porque indica o aproveitamento de um amplificador em converter a I em II . A eficiência máxima de um amplificador classe A é de III , de um classe B é de IV e de um classe C é de V .
A alternativa que completa CORRETAMENTE as lacunas I, II, III, IV e V é:
Provas
Questão presente nas seguintes provas
Cadernos
Caderno Container