Foram encontradas 40 questões.
Qual tratamento apresenta como características o aumento da resistência ao desgaste, elevação de resistência à tração e apreciável redução da ductilidade?
Provas
Questão presente nas seguintes provas
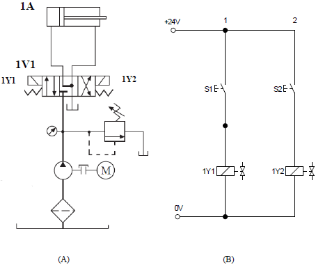
Interpretar circuitos, por meio de diagramas ou esquemas, é um dos principais requisitos exigidos para realização da manutenção em um sistema mecânico. Use o diagrama abaixo para responder à questão.
Analise atentamente as informações fornecidas e responda o que se pede.

Assinale a alternativa que traz a informação CORRETA sobre o circuito.
Provas
Questão presente nas seguintes provas
Quais são os 3 elementos necessários para a cotagem de desenhos mecânicos?
Provas
Questão presente nas seguintes provas
O TEXTO serve de base para responder a questão.
TEXTO

Dalcio, 13 jun. 2000
O gênero charge apresenta a seguinte característica:
Provas
Questão presente nas seguintes provas
O TEXTO - serve de base para responder a questão.
O céu está limpo, não há nenhuma nuvem acima de nós. O avião, entretanto, começa a dar saltos, e temos de por os cintos para evitar uma cabeçada na poltrona da frente. Olho pela janela: é que estamos sobrevoando de perto um grande tumulto de montanhas. As montanhas são belas, cobertas de florestas; no verde-escuro há manchas de ferrugem de palmeiras, algum ouro de ipê, alguma prata de embaúba — e de súbito uma cidade linda e um rio estreito. Dizem que é Petrópolis.
É fácil explicar que o vento nas montanhas faz corrente para baixo e para cima, como também o ar é mais frio debaixo da leve nuvem. A um passageiro assustado o comissário diz que “isso é natural”. Mas o avião, com o tranquilo conforto imóvel com que nos faz vencer milhas em segundos, havia nos tirado o sentimento do natural (...)
(BRAGA, In, PAULINO, 2013, p.37-38)
Se considerarmos a tipologia textual, é CORRETO afirmar que
Provas
Questão presente nas seguintes provas
Analise as proposições abaixo e assinale a alternativa CORRETA quanto aos conceitos sobre técnicas de manutenção de sistemas mecânicos.
I. Manutenção preventiva é realizada antes de a falha ocorrer, enquanto a corretiva é realizada depois da falha.
II. Técnicas como análise de vibração e análise termográfica são métodos típicos da manutenção preditiva.
III. A aplicação da manutenção preventiva busca minimizar as paradas não previstas.
IV. Lubrificação continuada e substituição de um rolamento antes do seu limite de operação é um procedimento da manutenção corretiva.
V. A substituição de uma correia de transmissão que acabou de se partir é um procedimento da manutenção preventiva.
Estão CORRETAS as informações presentes nos itens
Provas
Questão presente nas seguintes provas
Fazendo a conversão do sistema inglês para o sistema métrico das medidas 3/4”, 7/8” e 9/16”, ter-se-á respectivamente:
Provas
Questão presente nas seguintes provas
O TEXTO serve de base para responder a questão.
TEXTO

Dalcio, 13 jun. 2000
Reunindo elementos verbais e visuais, entendemos que o autor da charge tem a intenção de
Provas
Questão presente nas seguintes provas
Os equipamentos dos laboratórios didáticos são usados por alunos. Portanto, todas as questões de segurança devem ser devidamente observadas. Analise as proposições abaixo e assinale a alternativa CORRETA quanto ao uso adequado desses equipamentos.
I. Os procedimentos de segurança devem ser informados aos alunos antes do uso dos equipamentos.
II. Os procedimentos de segurança devem ser informados aos alunos depois do uso dos equipamentos, para que possam ver o risco a que foram expostos.
III. Não se deve permitir que alunos operem máquinas sem os devidos equipamentos de proteção individual.
IV. Os alunos podem operar as máquinas sem os devidos equipamentos de proteção individual, desde que declarem possuir experiência na operação do mesmo.
V. Os alunos não devem operar máquinas sem os devidos equipamentos de proteção individual. Mesmo que declarem possuir experiência na operação do mesmo.
Estão CORRETAS as informações presentes nos itens
Provas
Questão presente nas seguintes provas
A identificação dos componentes utilizados em projetos, através da sua simbologia, é um dos conhecimentos básicos necessários para se realizar manutenção em sistemas mecânicos. Analise a simbologia apresentada e responda o que se pede na questão.
Analise a simbologia dos componentes abaixo e assinale a alternativa que traz a informação CORRETA a respeito destes.

Provas
Questão presente nas seguintes provas
Cadernos
Caderno Container