Foram encontradas 40 questões.
Desde a concepção até a execução final do projeto de uma instalação elétrica, diversos elementos
são especificados para proteção. O aterramento, por exemplo, é um sistema de proteção formado
por um conjunto de componentes, os quais interligam com o solo as partes metálicas da
instalação ou os equipamentos conectados aos componentes (tomadas, luminárias, caixas,
tubulações, quadros, ...), denominados “massas”. A partir disto, é estabelecido com o
aterramento um referencial de potencial zero. Em um dos cenários mais comuns, o aterramento
do neutro da fonte (rede da concessionária) é separado do aterramento dos componentes da
instalação como apresentado na figura a seguir, ou seja, existem hastes exclusivas para as
massas.

Este tipo de aterramento é denominado

Este tipo de aterramento é denominado
Provas
Questão presente nas seguintes provas
Seja o circuito abaixo baseado no transistor TIP49 (hfe = 150, Vbe = 0,6V), qual o valor
aproximado de RV para que a lâmpada opere com sua corrente nominal?


Provas
Questão presente nas seguintes provas
A medição de pressão assume papel de destaque nos sistemas industriais. Um dos transdutores
manométricos mais utilizados tem como princípio de funcionamento a alteração da curvatura
original em um tubo de seção oval, o qual tende a ficar circular a partir da pressão exercida
internamente. Comercialmente, ele se apresenta com curvatura em várias formas (C, helicoidal,
espiral). O dispositivo apresenta em geral uma das suas extremidades fechada e conectada a um
mecanismo que movimenta um ponteiro, possuindo, em alguns casos, engrenagens para realizar
esta tarefa. Este tipo de equipamento tem normalmente baixo custo e elevada longevidade, sendo
comum em aplicações industriais. Tal dispositivo é denominado
Provas
Questão presente nas seguintes provas
- EletrotécnicaAnálise de Circuitos Elétricos
- EletrônicaCircuitos de Corrente Contínua em Eletroeletrônica
Uma estação meteorológica é normalmente composta por uma série de sensores utilizados para
monitorar parâmetros diversos (temperatura, pressão atmosférica, umidade relativa do ar,...). A
fonte de alimentação de uma destas estações é formada por células solares de modo a suprir a
energia elétrica consumida pelos equipamentos que formam o sistema. O ajuste das
características da tensão das placas, conectadas a um circuito de controle, pode ocorrer através de
um banco de capacitores. É apresentado a seguir um dos circuitos utilizados para esta finalidade.
Admite-se a resistência dos cabos e do circuito.
Com base nos dados apresentados, indique o tempo necessário para que o voltímetro mostre a
tensão aproximada na qual o banco de capacitores atinge o carregamento pleno.
Com base nos dados apresentados, indique o tempo necessário para que o voltímetro mostre a
tensão aproximada na qual o banco de capacitores atinge o carregamento pleno.Provas
Questão presente nas seguintes provas
Dadas as operações abaixo, assinale o resultado CORRETO para a soma e subtração,
respectivamente, lembrando que os resultados estão em hexadecimal.
A = (1001001+10111111)2 e B = (101111-101)2
Provas
Questão presente nas seguintes provas
Sobre os transistores, pode-se afirmar que
I. um transistor tem três regiões dopadas: um emissor, uma base e um coletor. Existe uma
região pn entre a base e o emissor. Essa parte do transistor é chamada de diodo emissor e a
junção entre a base e o coletor é chamada de diodo coletor.
II. o gráfico da corrente da base versus tensão base-emissor tem a mesma aparência do gráfico
de um diodo comum.
III. a definição do ganho de corrente é dada por ßcc = Ic / Ib .
IV. para uma operação normal, polariza-se o diodo emissor inversamente e o diodo coletor
reversamente. Sob essas condições, o emissor injeta elétrons livres na base. A maioria
desses elétrons livres passa do coletor para a base.
V. na zona de corte o transistor equivale a um interruptor aberto quando no coletor a corrente
não é nula.
Está(ão) CORRETO(S) apenas
Provas
Questão presente nas seguintes provas
Considere as seguintes afirmativas sobre as características de motores elétricos, dispositivos
auxiliares e técnicas de acionamento.
I. Em circuitos do tipo estrela-triângulo, a corrente transitória de partida do motor é menor que
no caso da partida direta, reduzindo os estresses nos enrolamentos.
II. O Fator de Serviço significa um multiplicador que, quando aplicado à potência nominal do
motor, indica a carga permissível que pode ser aplicada em regime permanente.
III. Motores elétricos de indução do tipo monofásicos com rotor em formato de gaiola de
esquilo podem apresentar capacitor auxiliar de partida.
IV. A sobrecarga mecânica no eixo pode ser uma das causas de sobreaquecimento do motor.
Neste caso, relés de sobrecarga podem ser utilizados como medida de proteção.
V. O inversor de frequência é um dispositivo com parâmetros programáveis que, dentre suas
funções, permite controlar a velocidade de motores, suavizando o acionamento.
Assinale a alternativa CORRETA.
Provas
Questão presente nas seguintes provas
Dado o circuito abaixo e considerando uma tensão de entrada (vs) de 220 V/60 Hz e o resistor
com resistência R = 10 kΩ, assinale a alternativa que apresenta o valor médio aproximado da
tensão na carga e o valor médio da corrente, respectivamente.


Provas
Questão presente nas seguintes provas
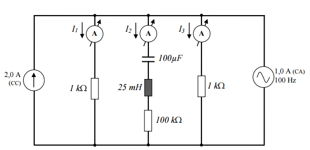
O circuito elétrico a seguir foi construído em laboratório com auxílio de uma fonte de corrente
contínua (CC), um gerador de sinais habilitado como fonte de corrente alternada (CA) e alguns
componentes passivos (RLC). A fonte CC tem amplitude 2,0 A, enquanto que a fonte CA tem
valor de pico 1,0 A e frequência 100 Hz, sendo esta compatível com a frequência de ressonância
do ramo do circuito que contém o indutor e o capacitor. Três multímetros digitais configurados
como amperímetros foram conectados individualmente em cada um dos ramos do circuito
elétrico, tal como apresentado na figura a seguir.

Os instrumentos foram ajustados para medir o valor médio da corrente em cada ramo (I1m; I2m; I3m). A opção que representa, em regime permanente, o valor mais próximo de cada uma destas grandezas é:

Os instrumentos foram ajustados para medir o valor médio da corrente em cada ramo (I1m; I2m; I3m). A opção que representa, em regime permanente, o valor mais próximo de cada uma destas grandezas é:
Provas
Questão presente nas seguintes provas
- EletrônicaComponentes Eletrônicos em Eletroeletrônica
- EletrônicaEquipamentos Elétricos em Eletroeletrônica
Os dispositivos eletromecânicos encontrados nos equipamentos eletrônicos estão sendo
substituídos por equivalentes de estado sólido. Este é o caso dos relés de estado sólido (SSR -
Solid State Relays), que cada vez mais substituem os equivalentes eletromecânicos (EMR -
Electro-Mechanical Relays). Sobre os SSRs, é possível afirmar que
I. os SSRs são semicondutores que têm como função comutar uma carga maior a partir de uma
carga de menor intensidade.
II. como os SSRs possuem partes móveis sua confiabilidade é muito maior que os EMRs.
III. os SSRs são utilizados no chaveamento de cargas como motores, válvulas, solenoides e
lâmpadas.
IV. apesar de todas as vantagens, os SSRs, se comparados a EMRs e contatores comuns,
requerem correntes muito maiores para o acionamento e ainda possuem uma vida útil e
durabilidade menor que os EMRs.
V. os SSRs são componentes mecânicos sensíveis a vibrações, utilizados em aplicações
industriais e tem como função chavear os equipamentos.
Estão CORRETOS
Provas
Questão presente nas seguintes provas
Cadernos
Caderno Container