Foram encontradas 40 questões.
Em sistemas de automação industrial, sensores e atuadores são componentes fundamentais,
sendo amplamente aplicados em processos de produção, montagem e monitoramento. Em
relação à simbologia dos principais componentes, identifique os elementos numerados a seguir e
assinale a alternativa CORRETA.


Provas
Questão presente nas seguintes provas
Dado o circuito baseado em MOSFETs da figura abaixo, assinale a alternativa que apresenta a
função lógica implementada pelo mesmo.


Provas
Questão presente nas seguintes provas
Observe as proposições que seguem sobre microprocessadores e microcontroladores.
I. O microcontrolador é um circuito ou dispositivo contendo apenas elementos ativos, capazes
de assumir um ou dois estados estáveis em um determinado momento.
II. O microprocessador é um dos principais componentes de um computador, ele é responsável
pelo controle de um ou mais dispositivos externos (periféricos) e pela troca de dados entre
esses dispositivos e a memória principal.
III. A interrupção é a suspensão de um processo, causada por um evento externo, e é realizada
de modo que o processo possa ser retomado.
IV. A instrução de computador pode ser reconhecida como uma forma de endereçamento
indexado em que o registrador de índice é incrementado ou decrementado automaticamente,
a cada referência da memória.
V. A unidade central de processamento é a parte do computador que busca e executa instruções,
além disto, consiste em uma unidade lógica e aritmética, uma unidade de controle e
registradores. Estão CORRETAS apenas
Provas
Questão presente nas seguintes provas
São exemplos de aplicações utilizando flip-flops, EXCETO:
Provas
Questão presente nas seguintes provas
Sobre os conversores A/D e D/A, é possível afirmar que
I. a conversão D/A é o processo de conversão de uma tensão ou corrente para um valor representado em código digital (como binário ou BCD).
II. a função do transdutor é converter a variável física em elétrica. Alguns transdutores comuns são sensores de temperatura, fotocélulas e fotodiodos.
III. a saída elétrica analógica do transdutor serve como entrada analógica do conversor analógico-digital (ADC). Este converte essa entrada analógica em saída digital, que consiste de um número de bits que representa o valor da entrada analógica.
IV. a resolução de um conversor D/A é definida como a menor variação na saída analógica como resultado de mudança na entrada digital.
V. erro de offset é o desvio máximo da saída do conversor digital-analógico (DAC) do valor esperado (ideal), expresso como porcentagem do erro de offset. Então se o conversor apresentar um erro de offset de ±0,05% e esse conversor tem tensão de entrada 10V, esse percentual de erro de offset é de até 5 mV.
Estão CORRETOS os itens
I. a conversão D/A é o processo de conversão de uma tensão ou corrente para um valor representado em código digital (como binário ou BCD).
II. a função do transdutor é converter a variável física em elétrica. Alguns transdutores comuns são sensores de temperatura, fotocélulas e fotodiodos.
III. a saída elétrica analógica do transdutor serve como entrada analógica do conversor analógico-digital (ADC). Este converte essa entrada analógica em saída digital, que consiste de um número de bits que representa o valor da entrada analógica.
IV. a resolução de um conversor D/A é definida como a menor variação na saída analógica como resultado de mudança na entrada digital.
V. erro de offset é o desvio máximo da saída do conversor digital-analógico (DAC) do valor esperado (ideal), expresso como porcentagem do erro de offset. Então se o conversor apresentar um erro de offset de ±0,05% e esse conversor tem tensão de entrada 10V, esse percentual de erro de offset é de até 5 mV.
Estão CORRETOS os itens
Provas
Questão presente nas seguintes provas
Associe corretamente os componentes/princípios apresentados na primeira coluna de acordo com
o tipo de variável/transdutor industrial a qual está associado na segunda coluna. I. Strain gage 1. Temperatura
II. Efeito Seebeck 2. Deformação/deslocamento
III. Light-Dependent Resistor (LDR) 3. Luminosidade
Marque a opção com a sequência CORRETA.
Marque a opção com a sequência CORRETA.
Provas
Questão presente nas seguintes provas
Sobre os diodos especiais, é CORRETO afirmar:
Provas
Questão presente nas seguintes provas
Dado o diagrama abaixo, implementado com o circuito integrado LM324, indique a tensão de
saída (V0) desse circuito.


Provas
Questão presente nas seguintes provas
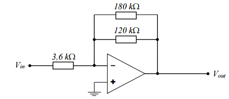
A fim de realizar a operação de processamento de um sinal elétrico (Vin) de baixa amplitude na
saída de um aparelho eletrônico, o responsável pela manutenção fez uso de um osciloscópio de
modo a visualizar o referido sinal. Antes das análises, ele garantiu o devido ajuste de atenuação
das pontas de prova sob uso (x1), adequação do nível de trigger e ganho DC nulo. O perfil do
sinal Vin é descrito a seguir, sendo visualizado no canal 1 (CH1). As respectivas configurações de
amplitude (milivolts/DIV ou volts/DIV) e tempo (time/DIV) do aparelho são apresentadas. Note
que o sinal apresenta período de 20 ms, valor mínimo 100 mV (Vin_min) e valor máximo 200 mV
(Vin_máx). Na tela do osciloscópio, o sinal ocupa duas divisões verticais entre o mínimo (Vin_min) e
o máximo valor (Vin_máx). 
Em seguida, o profissional decidiu fazer uso de um circuito com amplificador operacional, tendo como entrada o sinal Vin. Em protoboard conseguiu construir a topologia a seguir.
Admita que seja desejado visualizar a tensão de saída (Vout) no mesmo osciloscópio. Para isso, o responsável admitiu a configuração (Volts/DIV) indicada no canal 2 (CH2). Neste caso, assinale a alternativa que indica o número CORRETO de divisões verticais ocupadas na tela do osciloscópio entre o valor mínimo e o valor máximo do sinal de tensão Vout.

Em seguida, o profissional decidiu fazer uso de um circuito com amplificador operacional, tendo como entrada o sinal Vin. Em protoboard conseguiu construir a topologia a seguir.

Admita que seja desejado visualizar a tensão de saída (Vout) no mesmo osciloscópio. Para isso, o responsável admitiu a configuração (Volts/DIV) indicada no canal 2 (CH2). Neste caso, assinale a alternativa que indica o número CORRETO de divisões verticais ocupadas na tela do osciloscópio entre o valor mínimo e o valor máximo do sinal de tensão Vout.
Provas
Questão presente nas seguintes provas
Durante a inspeção de um circuito eletrônico, o técnico responsável registrou alguns dados por
meio de instrumentos de medição com o intuito de comparar os resultados com os parâmetros
indicados pelo datasheet do fabricante. Ele mediu as seguintes variáveis: (I) reatância indutiva
de uma bobina; (II) eficiência luminosa de uma fonte de luz; (III) potência aparente da entrada
do circuito; (IV) fator de potência da carga; (V) condutância de um cabo. Considerando os
elementos descritos, pode-se afirmar que as unidades de cada uma destas grandezas são,
respectivamente,
Provas
Questão presente nas seguintes provas
Cadernos
Caderno Container