Foram encontradas 40 questões.
O texto a seguir é referência para a questão.
Pais não acompanham a rotina escolar dos filhos
Vanessa Fogaça Prateano
Quase 70% dos brasileiros não supervisionam os deveres de casa das crianças e mais de 40% não sabem o que elas fazem no tempo livre.
A cada dez pais brasileiros que possuem filhos entre 13 e 15 anos, sete não estão informados sobre os deveres de casa do adolescente e não sabem se eles entregam ou não a tarefa exigida pelos professores. Além disso, 40% deles não sabem o que as crianças fazem durante o tempo livre, e 25% desconhecem que o filho havia faltado às aulas. Os dados são da Pesquisa Nacional de Saúde do Escolar (Pense), coletados ao longo do ano de 2012 e divulgados ontem pelo Instituto Brasileiro de Geografia e Estatística (IBGE), que ouviu 109 mil estudantes matriculados no 9º ano do Ensino Fundamental de 2,8 mil escolas do país.
A pesquisa também apontou que os jovens estão cada vez mais expostos a fatores de risco, como o uso de drogas ilícitas (maconha e crack foram as citadas), cigarro e álcool (66% já experimentaram bebida alcoólica e 21% já ficaram embriagados). Quanto ao uso de drogas, 7,3% já experimentaram alguma substância. Destes, 19% usaram maconha e 3% usaram crack. O cigarro foi experimentado por 19,6% dos alunos. Os dados revelaram também que 28,7% dos entrevistados já tiveram relações sexuais e, destes, 25% afirmaram que não usaram preservativo na última vez em que fizeram sexo.
Para o gerente de Estatísticas Vitais e Estimativas Populacionais do IBGE, Marco Ratzsch de Andreazzi, a pouca participação dos pais na vida dos filhos está intimamente relacionada ao comportamento arriscado que eles assumem fora da escola. “São fatores de risco na adolescência já bem conhecidos, com os quais a própria ONU trabalha, e leva-se em conta se eles moram com pais, se estes sabem o que seus filhos fazem no tempo livre, se há tranquilidade para que o filho conte sobre seus problemas. Tudo isso mostra que há, sim, uma relação. Agora, com os números do IBGE, cabe à sociedade explorá-los e discuti-los de forma aprofundada”.
[...]
(Disponível em <http://www.gazetadopovo.com.br/vidaecidadania/
conteudo.phtml?tl=1&id=1383623&tit=Pais-nao-acompanham-a-rotina-escolar-dos-filhos>)
Com base nas informações do texto, assinale a alternativa correta.
Provas
A Lei nº 9.784, de 29 de janeiro de 1999, regulamentou o processo administrativo no âmbito da Administração Pública Federal. Tendo em vista a regulamentação prevista no referido diploma legal, numere a coluna da direita de acordo com sua correspondência com a coluna da esquerda.
1. Direito do administrado.
2. Dever do administrado.
3. Dados que devem constar no requerimento inicial do interessado, quando realizado de forma escrita.
4. Critério a ser observado nos processos administrativos.
5. Conteúdo da intimação do interessado para ciência da decisão ou efetivação de diligências.
( ) Prestar as informações que lhe forem solicitadas e colaborar para o esclarecimento dos fatos.
( ) Órgão ou autoridade administrativa a que se dirige; identificação do interessado ou de quem o represente; domicílio do requerente ou local para recebimento de comunicações; formulação do pedido, com exposição de fatos e seus fundamentos; data e assinatura do requerente ou de seu representante.
( ) Garantia dos direitos à comunicação, à apresentação de alegações finais, à produção de provas e à interposição de recursos, nos processos de que possam resultar sanções e nas situação de litígio.
( ) Identificação do nome do intimado e nome do órgão ou entidade administrativa; finalidade da intimação; data, hora e local em que deve comparecer; se o intimado deve comparecer pessoalmente, ou fazer-se representar; informação da continuidade do processo independentemente do seu comparecimento; indicação dos fatos e fundamentos legais pertinentes.
( ) Ter ciência da tramitação dos processos administrativos em que tenha a condição de interessado, ter vista dos autos, obter cópias de documentos neles contidos e conhecer as decisões proferidas.
Assinale a alternativa que apresenta a numeração correta da coluna da direita, de cima para baixo.
Provas
O texto a seguir é referência para a questão.
21% dos alunos dizem agredir colegas
Adriana Czelusniak
O bullying é uma realidade nas escolas brasileiras. Especialistas dizem que prática não é combatida adequadamente.
Esculachar, zoar, intimidar e caçoar são verbos conjugados na prática por alunos das escolas brasileiras. Agressões contra os colegas são admitidas por 20,8% dos estudantes. O resultado faz parte da Pesquisa Nacional de Saúde do Escolar (Pense), que ouviu cerca de 100 mil jovens de 13 a 15 anos matriculados no 9º ano do ensino fundamental em escolas de todo o país.
O estudo também revela que 35,4% dos alunos confirmam ter sido agredidos, humilhados ou hostilizados pelos colegas nos 30 dias que antecederam a pesquisa, feita entre abril e setembro de 2012. Nesse cenário, 7,2% disseram que a prática é frequente e 28,2% afirmaram que ocorre raramente ou às vezes.
Ainda segundo a pesquisa, o bullying atinge mais os meninos e mostra-se mais recorrente nas escolas privadas do que nas públicas. A Pense foi feita a partir de uma parceria entre os Ministérios da Saúde e da Educação com o Instituto Brasileiro de Geografia e Estatística (IBGE)
[...]
Vítima
A forma como o governo atua contra o bullying também precisa melhorar na opinião de Guilherme Dobrezanski Marques, que conviveu com o bullying nos anos escolares principalmente por ser “tímido e franzino”. Hoje, Marques tem 25 anos e, formado em Direito, estuda o tema em sua dissertação de mestrado. “Os projetos de lei criminalizam o bullying, o que é errado. O bullying se combate com educação e com a qualificação das instituições de ensino para lidarem com ele. Não com punições”, diz.
De forma geral, as escolas não se mostram preparadas para lidar com a questão. Marques diz que, nos tempos de agressões, nunca pediu socorro, pois tudo ocorria na frente dos professores, que nunca interviram. “Fora do colégio, eu também não procurava ajuda, até porque é uma situação humilhante que você vai ter que se expor e, por vergonha, acaba não contando para alguém”, diz.
Bullying não é brincadeira
O que diferencia o bullying de uma brincadeira é a intenção do agressor de causar sofrimento, a frequência das ofensas e o desequilíbrio de poder que leva à intimidação da vítima. O fato de ainda haver muita gente que encara o bullying com desdém atrapalha o enfrentamento ao problema. Achar que o bullying é frescura ou que se trata de uma dificuldade que torna a vítima mais forte é um erro comum, segundo o psicólogo Cloves Amorim. “O que mais se quer na vida é se sentir pertencente a um grupo, é conquistar a confiança de um igual e, por isso, é tão terrível quando os pares menosprezam”, diz a pedagoga Luciene Tognetta.
(Disponível em <http://www.gazetadopovo.com.br/educacao/
conteudo.phtml?tl=1&id=1393102&tit=21-dos-alunos-dizem-agredir-colegas>)
O texto:
Provas
Considerando os fundamentos de máquinas térmicas, assinale a alternativa correta.
Provas
Para determinação das propriedades dos materiais, são realizados testes denominados ensaios mecânicos. A intenção é observar o comportamento do material e, dessa observação, coletar parâmetros que o caracterizam. Sobre os ensaios mecânicos e as propriedades, considere as seguintes afirmativas:
1. A tensão de escoamento dos materiais é obtida no ensaio universal de tração.
2. O ensaio Charpy é um típico ensaio de dureza do material.
3. O ensaio Erichsen avalia a estampabilidade do material.
4. A simbologia HRC indica a dureza de um material obtida pelo método Rockwell na escala C.
5. A tenacidade de um material é obtida no ensaio de impacto.
Assinale a alternativa correta.
Provas
O texto a seguir é referência para a questão.
Seis meses após ter sido posta à venda no exterior, ‘Avenida Brasil’ já é a obra mais licenciada lá fora
Isabel de Luca
MIAMI - “Avenida Brasil” foi sucesso no mundo em tempo real, digamos assim: enquanto o país (e eventualmente até a presidente Dilma) parava para assistir à novela de João Emanuel Carneiro no ano passado, jornais e revistas noticiavam o fenômeno pelo planeta. Seis meses após ter sido posta à venda no mercado internacional, “Avenida Brasil” já é a obra mais licenciada da Globo no exterior. Seus direitos de exibição foram adquiridos por 106 países, batendo um recorde que até então era de “Da cor do pecado”, do mesmo autor, comercializada em 100 países nos últimos três anos.
“Se uma história é muito concentrada em poucos personagens (eram 23), acho que isso facilita a entrada fora do Brasil”, diz João Emanuel, por telefone. “‘Avenida Brasil’ se passava em torno daquela casa, de Nina e Carminha, é uma trama mais fácil de acompanhar, mais próxima da noção de seriado através do mundo. Com cem personagens, e uma narrativa multifacetada, fica mais difícil para um estrangeiro assimilar. Também tem o fato de serem personagens fingidos, bons e maus, mocinhos e bandidos, que são um atrativo para o público de hoje. As séries são todas de heróis falhos. A heroína de “Avenida Brasil” também é uma heroína falha”.
“A trama de ‘Da cor do pecado’”, ele ressalta, “também era concentrada em poucos personagens. E mesmo assim nas versões vendidas para o exterior tiraram dois núcleos”, lembra.
A venda de novelas dubladas é o mais antigo braço da área de negócios internacionais da TV Globo, que gerencia ainda os canais internacionais (com sete grades de programação diferentes em 116 países) e, mais recentemente, as coproduções (“Marido en alquiler” é a quinta)
“Avenida Brasil” foi dublada em 14 línguas – entre elas, espanhol, inglês, russo, grego, polonês e francês – e já está no ar em Rússia, Croácia, Grécia, Uruguai, Panamá, Equador, Venezuela e Portugal.
“Dois fatores contribuem para o êxito em curto espaço de tempo”, acredita Raphael Corrêa Netto, diretor-executivo de negócios internacionais da Globo. “Primeiro: o texto ter sido tão emblemático que, do Brasil, reverberou fora do país. Foi um assunto global na indústria do entretenimento. Segundo: a estética cinematográfica foi muito bem recebida. É um conflito universal contado de maneira inovadora, vendeu muito rápido. E onde entra assume a liderança, e em duas, três semanas está liderando com folga”.
(Disponível em O Globo: <http://oglobo.globo.com
/revista-da-tv/seis-meses-apos-ter-sido-posta-venda-no-exterior-avenida-brasil-ja-a-obra-mais-licenciada-la-fora-9099841>)
Com base nas informações do texto, é correto afirmar:
Provas

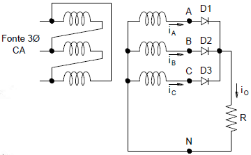
A figura acima ilustra um retificador trifásico não controlado de meia-onda, conectado a uma carga resistiva.
O gráfico abaixo apresenta as formas de onda das tensões fornecidas pela fonte trifásica CA.

Com base nas figuras acima, assinale a alternativa que apresenta o(s) diodo(s) que conduz(em) entre 150° e 270°.
Provas

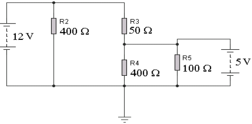
Um circuito elétrico de corrente contínua é mostrado na figura acima. Para esse circuito, qual alternativa representa o valor da potência dissipada no resistor R4?
Provas
Considere as afirmativas abaixo, referentes à internet e intranet:
1. A intranet é menor que a internet.
2. A internet pode conectar as intranets locais.
3. A internet possui todos os conteúdos das intranets.
4. A intranet 2 (i.e., de segunda geração) está substituindo a internet.
Assinale a alternativa correta:
Provas
O texto a seguir é referência para a questão.
A queridinha da reciclagem
Katia Brembatti
Enquanto o volume de plástico usado na produção de garrafas PET aumentou 91% em uma década, a quantidade reciclada cresceu 230% no mesmo período.
A expressão “feita com garrafas PET” resulta em mais de 500 mil citações no Google. Não é para menos: proliferam os mais variados tipos de reciclagens e reaproveitamentos a partir dessa embalagem plástica. De trabalhos escolares à matéria-prima na indústria de tecelagem, passando por uma série de projetos inusitados e criativos, a garrafa PET está no topo da lista dos materiais recicláveis mais usados.
Na semana passada, um dos principais prêmios voltados ao estímulo de iniciativas universitárias sagrou vencedor um projeto baseado em garrafas PET. O Instituto 3M deu a vitória a um espaço-piloto que avalia o conforto térmico de construções feitas com materiais recicláveis. Comprovada a viabilidade da empreitada, os estudantes pretendem que o modelo de obra seja aplicado em assentamentos e conjuntos habitacionais.
Vantagens
Firme e ao mesmo tempo moldável, o plástico da garrafa PET se adapta com facilidade a um enorme número de projetos. Em comparação com outros materiais, tem a vantagem de ser limpo. Mesmo o baixo valor de mercado, que é um empecilho para que a reciclagem do plástico seja ainda maior – ao contrário do que ocorre com as latinhas de alumínio, por exemplo – acaba sendo uma vantagem para os empreendedores que decidem dar outras utilidades para as garrafas PET.
Há ambientalistas que torcem o nariz para os projetos com as embalagens plásticas, por acreditarem que o processo apenas adia a destinação final do produto e que o necessário mesmo é reduzir o uso. Mas a reciclagem de garrafas PET tem aumentado muito mais do que a produção das embalagens. Enquanto a quantidade do plástico especial – politereftalato de etileno, origem da sigla PET – cresceu 91% em uma década na indústria, o montante reciclado subiu 230% no mesmo período.
O executivo de relações com o mercado da Associação Brasileira da Indústria do PET (Abipet), Hermes Contesini, comenta que, além de mais iniciativas de reciclagem, o desenvolvimento de técnicas eficientes na produção reduziram a quantidade aplicada de plástico no processo fabril primário.
A estimativa da Abipet é de que a embalagem seja o segundo ou terceiro material mais reciclado no Brasil. O dado mais recente, de 2011, indica que a reciclagem chega a 57,1% (294 mil toneladas) do total produzido ao ano (515 mil toneladas). Atualmente, com faturamento de R$ 1,2 bilhão, a reciclagem responde por mais de um terço de todo o faturamento da indústria do PET no Brasil. Como não pode ser usada na indústria alimentícia depois de reaproveitada, a garrafa PET migra para outros setores fabris. O mercado têxtil é o principal destino, com 40% de tudo o que é reciclado. Mas ainda sobram garrafas para os trabalhinhos escolares.
(Disponível em: < http://www.gazetadopovo.com.br
/vidaecidadania/meio-ambiente/conteudo.phtml?tl=1&id=1357365&tit=A-queridinha-da-reciclagem>)
Assinale a alternativa que está de acordo com as ideias do texto.
Provas
Caderno Container