Foram encontradas 45 questões.
- EletrotécnicaCircuitos Elétricos em Eletricidade
- EletrotécnicaCircuitos de Corrente Contínua e de Corrente Alternada

Calcula-se para esse circulo, visto entre os pontos a e b, o valor da resistência de Norton e a corrente de Norton respectivamente,
Provas
- EletrotécnicaCircuitos Elétricos em Eletricidade
- EletrotécnicaCircuitos de Corrente Contínua e de Corrente Alternada

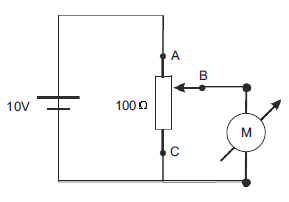
No circuito ilustrado nessa figura, um multímetro é instalado entre os pontos B e C. A resistência entre os pontos A e B do resistor variável (potenciômetro) é igual a 35% do valor da resistência entre os pontos A e C. Chaveando o multímetro para a condição de voltímetro, mediu-se a tensão E, e chaveando-o na condição de amperímetro, mediu-se a corrente I.
Os valores de E, em volts, e I, em ampères, respectivamente, são
Provas
- EletrotécnicaCircuitos Elétricos em Eletricidade
- EletrotécnicaCircuitos de Corrente Contínua e de Corrente Alternada

A corrente total (Amperímetro A) e a de cada um dos ramos (amperímetros A1, A2 e A3), em Ampère, são, respectivamente,
Provas

A expressão booleana que gera a saída S é representada por
Provas
- EletrotécnicaCircuitos Elétricos em Eletricidade
- EletrotécnicaCircuitos de Corrente Contínua e de Corrente Alternada
Esta figura deve ser usada para responder à seguinte questão.

Provas
Esta figura deve ser usada para responder à seguinte questão.

Provas

Então, I, II, III e IV apresentam, respectivamente, a seguinte tensão de ensaio:
Provas

Provas
- EletrotécnicaCircuitos Elétricos em Eletricidade
- EletrotécnicaCircuitos de Corrente Contínua e de Corrente Alternada
Considere este circuito, onde é dado seu diagrama fasorial.

Se a impedância é do tipo RLC, então, sobre a tensão nos terminais, pode-se afirmar que a do
Provas
- EletrotécnicaCircuitos Elétricos em Eletricidade
- EletrotécnicaCircuitos de Corrente Contínua e de Corrente Alternada

A potência aparente total (VA) requerida pelo circuito trifásico simétrico equilibrado, ilustrado nessa figura, é de
Provas
Caderno Container