Foram encontradas 50 questões.
Observe atentamente a figura abaixo.

Para, a partir dos elementos geométricos apresentados na figura (a), gerar o sólido apresentado na figura (b), no programa Autocad, emprega-se o comando:

Para, a partir dos elementos geométricos apresentados na figura (a), gerar o sólido apresentado na figura (b), no programa Autocad, emprega-se o comando:
Provas
Questão presente nas seguintes provas
ATENÇÃO
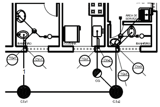
Observe a figura abaixo, que apresenta parte de uma instalação elétrica de uma edificação. Sobre essa figura, responda à próxima questão.

Provas
Questão presente nas seguintes provas
ATENÇÃO
Observe a figura abaixo, que apresenta parte de uma instalação elétrica de uma edificação. Sobre essa figura, responda à próxima questão.

Provas
Questão presente nas seguintes provas
A figura abaixo apresenta uma janela mostrando as camadas
(layers) de um desenho executado em Autocad.

Sobre essas camadas, é correto afirmar que a camada:

Sobre essas camadas, é correto afirmar que a camada:
Provas
Questão presente nas seguintes provas
- Gerenciamento, Planejamento e Controle de Obras
- Orçamento no Planejamento e Controle de Obras na Engenharia Civil
Uma empresa deve ser contratada para furar 50m de poços
de exploração para investigação geotécnica de determinado
subsolo. O serviço possui um custo variável por metro
perfurado e um custo fixo para mobilização de equipe e aluguel
de equipamentos. Três empresas se candidataram, propondo
os seguintes preços e número de amostras coletadas para a
realização do serviço:

Sabendo-se que o critério para escolha da empresa é aquela que oferece o menor custo por amostra coletada, a escala de preferência para realização de serviço, da mais favorável para a menos favorável, é:

Sabendo-se que o critério para escolha da empresa é aquela que oferece o menor custo por amostra coletada, a escala de preferência para realização de serviço, da mais favorável para a menos favorável, é:
Provas
Questão presente nas seguintes provas
- Edificações
- Gerenciamento, Planejamento e Controle de Obras
- Materiais de Construção Civil
- Orçamento no Planejamento e Controle de Obras na Engenharia Civil
Em uma obra, deve-se preparar 3,2t de argamassa com as
seguintes características:

Sabendo-se que a água é gratuita, que o preço do saco com 50kg de cimento é de R$30,00 e que a areia custa R$80,00/m3 , o custo total de material para produzir essa argamassa é de:

Sabendo-se que a água é gratuita, que o preço do saco com 50kg de cimento é de R$30,00 e que a areia custa R$80,00/m3 , o custo total de material para produzir essa argamassa é de:
Provas
Questão presente nas seguintes provas
Observe as cinco curvas indicadas na figura abaixo:

A variação da percentagem de adensamento de um solo ao longo do tempo, quando submetido a uma sobre carga constante, é melhor indicada pela curva de número:

A variação da percentagem de adensamento de um solo ao longo do tempo, quando submetido a uma sobre carga constante, é melhor indicada pela curva de número:
Provas
Questão presente nas seguintes provas
Observe o desenho abaixo, que mostra uma planta das curvas
de nível de um terreno. As cotas dos pontos A e B, indicados na
figura, são denotadas por CA e CB
, respectivamente.

Sendo d = CA - CB a diferença entre as cotas desses pontos A e B, pode-se dizer que:

Sendo d = CA - CB a diferença entre as cotas desses pontos A e B, pode-se dizer que:
Provas
Questão presente nas seguintes provas
Em um levantamento topográfico, foram determinadas as
seguintes coordenadas para os vértices de um polígono:

A área interna do polígono ABCD vale, em m2 :

A área interna do polígono ABCD vale, em m2 :
Provas
Questão presente nas seguintes provas
ATENÇÃO
Na figura a seguir, é apresentada a instalação de esgoto sanitário de uma edificação que possui . Sobre essa instalação, responda às duas próximas questões.

Provas
Questão presente nas seguintes provas
Cadernos
Caderno Container