Foram encontradas 50 questões.
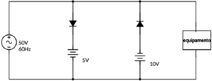
O diodo semicondutor com (V !$ γ !$ = 0,7 V), além do uso comum em retificadores, pode também ser aplicado em circuito de proteção de equipamentos, por exemplo. Na figura, tem-se uma dessas aplicações.

Nesse exemplo, o equipamento está protegido de valores de tensão:
Provas
Uma fonte de tensão alternada senoidal é aplicada à associação de um elemento resistivo em série com um elemento indutivo. A expressão para a tensão aplicada pela fonte será v(t)=179sen(314t) V. Se a impedância da associação for (6,28 +j3,14) !$ Ω !$, a indutância do elemento indutivo, em mH, será:
Provas
Os transformadores e motores devem ser periodicamente testados utilizando um megôhmetro, também conhecido como Megger.
O megôhmetro é utilizado para medir:
Provas
Em um circuito eletrônico, três resistores são associados em paralelo e alimentados por uma fonte de corrente contínua ideal. Os resistores valem 3 !$ Ω !$, 6 !$ Ω !$ e 6 !$ Ω !$. Se a corrente disponibilizada pela fonte for 10 A, o valor da corrente e da queda de tensão no resistor de 3 !$ Ω !$ serão, respectivamente:
Provas
O elemento passivo de um circuito, frequentemente encontrado em circuitos elétricos e eletrônicos, formado por duas placas condutoras separadas por um dielétrico e com capacidade de armazenar cargas elétricas, é designado:
Provas
Um ferro elétrico tem as seguintes especificações: 1100 W/220 V. Quando o ferro está em funcionamento, a quantidade de carga que atravessa a resistência do ferro durante 1 minuto é:
Provas
Para medir resistências com baixo valores, recomenda-se o uso da ponte de corrente contínua denominada:
Provas
Um técnico de laboratório, durante o ensaio de um transformador monofásico, deve aplicar tensão alternada no lado de tensão superior até fazer circular a corrente nominal no enrolamento primário. Se o transformador possui valores nominais 880 VA, 220/110 V, a corrente, em ampéres, que circulará no enrolamento primário vale:
Provas
Um circuito indutivo puro em corrente alternada possui impedância representada por !$ Z=X_L \angle θ Ω !$, onde o módulo !$ X_L !$ é a reatância indutiva do circuito. Para essa situação, o ângulo !$ θ !$ será:
Provas
Um gerador trifásico equilibrado conectado em estrela alimenta uma carga trifásica equilibrada em delta. O gerador fornece nos seus terminais 120 V eficazes. Se a corrente de linha no sistema tem módulo !$ 10 \sqrt3 !$ A, o módulo da impedância por fase da carga é:
Se necessário, usar !$ \sqrt3=1,73 !$
Provas
Caderno Container