Foram encontradas 25 questões.
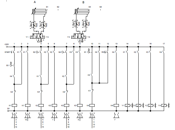
O circuito a seguir é empregado em um equipamento para dobragem de metais.

Com relação ao circuito apresentado, marque a sequência algébrica correta em relação aos movimentos dos cilindros A e B.
Provas
Um dos principais componentes que integra o conjunto de órgãos móveis dos motores de combustão interna é o comando de válvulas, que trabalha em sincronismo com o virabrequim, comandando a abertura e o fechamento das válvulas e garantindo, dessa forma, o perfeito funcionamento do motor. Existem várias denominações para a localização desse comando no motor. Marque a opção na qual aparecem, respectivamente, a especificação e a descrição do comando de válvulas.
Provas
A sigla LSD, diferencial de deslizamento limitado, representa um sistema que equipa os veículos do tipo picape de grande e médio porte com tração traseira, como mostra a figura a seguir.

O destaque desse sistema é que, quando uma roda patina,
Provas
Uma parede de alvenaria de um ambiente foi construída exclusivamente por tijolos estruturais e encontra-se com temperatura externa de 32°C e temperatura interna de 24°C. Sabe-se que a condutividade térmica do tijolo é 1,25 W/m.K e que a parede possui uma área de 40 m2, com espessura de 20 cm. A partir dessas informações, é correto afirmar que a transferência de calor pelo interior da parede é
Provas
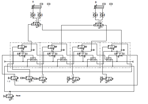
O circuito pneumático, da imagem a seguir, é empregado em um equipamento de uma oficina mecânica.

Com base na análise do circuito, marque a sequência algébrica correta em relação aos movimentos dos cilindros A e B.
Provas
Em um circuito regenerativo, é correto dizer que a velocidade do movimento de avanço é
Provas
A imagem a seguir mostra um circuito oleodinâmico que emprega um cilindro diferencial (2:1).

A mínima pressão em que a válvula de contrabalanço deve ser regulada é
Provas
As bombas centrífugas não são empregadas em sistemas e circuitos oleodinâmicos. A principal razão da impossibilidade do emprego dessas bombas centrífugas é porque
Provas
Provas
Durante o funcionamento de um sistema de refrigeração por compressão de vapor, na saída do dispositivo de expansão, o refrigerante em circulação estará sob a forma de
Provas
Caderno Container