Foram encontradas 45 questões.
Considere os diagramas elétricos representados nas figuras abaixo.


Fonte: FUNCERN, 2015
O diagrama que corresponde a uma chave reversora com intertravamento elétrico está representado na
Provas
Questão presente nas seguintes provas
MAIORIDADE PENAL: UMA ANÁLISE SOBRE O CÉREBRO DOS JOVENS
Carlos Orsi
Um dado curioso do debate brasileiro sobre maioridade penal é a insistência com que emerge a afirmação, peremptória, de que os jovens de hoje “não são ingênuos como os de antigamente” e “sabem muito bem o que estão fazendo”.
A primeira questão que um observador cético poderia levantar é: “de antigamente”, quando? Em 1874, os Estados Unidos condenavam Jesse Pomeroy, de 14 anos, à prisão perpétua por duplo homicídio. William Henry “Bonney” McCarthy, o “Billy the Kid” do Velho Oeste, matou pela primeira vez aos 17 e, aos 20, já tinha a cabeça a prêmio. Foi morto pouco depois, em 1881. Nathan Leopold e Richard Loeb, a dupla de assassinos que inspirou o filme “Festim Diabólico”, de Alfred Hitchcock, cometeram o assassinato pelo qual foram condenados, em 1924, quando já eram maiores de idade – tinham 19 e 18 anos, respectivamente – mas 9 haviam participado de crimes menores, antes.
Delinquência juvenil – incluindo crimes escabrosos, cometidos com arrogância, violência e crueldade – não é invenção dos tempos modernos. A percepção do problema talvez seja maior hoje do que foi no passado, mas, como apontou uma reportagem da Folha de S. Paulo, faltam dados para que possamos ter sua real dimensão.
Agora, se adolescentes que cometem crimes bárbaros não são exatamente uma invenção moderna, o que dizer da alegação de que eles “sabem muito bem o que estão fazendo”? Há alguns anos, nos Estados Unidos, foi produzida uma boa consolidação da ciência a respeito da capacidade do cérebro adolescente de, 17 exatamente, saber o que está fazendo. E isso por causa de Christopher Simmons.
Esse jovem havia sido condenado à morte, aos 17 anos, por um crime arrepiante: a vítima, uma mulher, foi amarrada com fita adesiva, cabos elétricos e jogada do alto de uma ponte. Em 2005, quando Simmons já estava com 28 anos, a Suprema Corte dos EUA determinou que a condenação à morte de menores de 18 anos era inconstitucional.
Em 2004, quando a questão ainda se encontrava em aberto, a revista Science publicou uma reportagem sobre 23 o papel da neurociência no julgamento. Resumindo, a melhor evidência científica diz que o cérebro de um jovem de 16 ou 17 anos ainda não atingiu o desenvolvimento pleno de áreas fundamentais para a responsabilidade criminal, como as envolvidas no controle das ações impulsivas, das emoções e da capacidade de resistir à tentação de prazer imediato. Ruben Gur, da Universidade da Pensilvânia, resumiu a questão assim: “A própria parte do cérebro que o sistema legal julga só entra em ação mais tarde”.
Desde que a neurociência ajudou a convencer a Suprema Corte a salvar a vida de Simmons (que hoje cumpre prisão perpétua), a questão do “teenage brain” – “cérebro adolescente” – assumiu um papel importante no sistema judiciário dos Estados Unidos. Alguns advogados logo tentaram usar a cartada da imaturidade juvenil para neutralizar, de vez, a culpabilidade de seus clientes, como se o cérebro imperfeito fosse a “verdadeira 32 causa” dos crimes.
Poucos cientistas endossam essa interpretação radical: ser adolescente não basta para transformar ninguém em criminoso. Há outros fatores envolvidos, inclusive sociais. Uma análise publicada recentemente, 35 envolvendo mais de 50 mil homicídios cometidos na Califórnia ao longo de duas décadas, mostra que a correlação entre idade adolescente e comportamento criminoso é mais forte nas parcelas mais pobres da população e praticamente desaparece entre os ricos.
O que se sabe, de fato, é que o cérebro jovem é mais vulnerável a estresse, a emoções fortes e tem baixa capacidade de analisar as consequências de longo prazo de suas ações. Jovens são naturalmente mais irresponsáveis, e não é muito difícil imaginar que as pressões trazidas pela pobreza aumentem a tentação de agir irresponsavelmente.
E o que tudo isso tem a ver com o caso concreto da maioridade penal? Não vou defender aqui a ideia de que ser irresponsável é ser inimputável. Como escreveu um poeta, “toda perversidade é fraqueza”; logo, ser fraco 44 não deveria bastar para desculpar ninguém.
Mas, se o jovem está disposto a cometer um crime e ainda não está mentalmente equipado para avaliar consequências de modo eficaz, será que o medo de “ser preso como adulto” vai impedi-lo?
Talvez, dado o modo como o cérebro adolescente funciona, o efeito dissuasório de uma redução da maioridade penal seja muito menor do que se imagina.
Claro, dissuasão não é a única função da pena. Há a questão da correção do comportamento e de se tirar elementos perigosos de circulação, poupando possíveis futuras vítimas.
Mas lembremo-nos de que o Brasil não tem prisão perpétua e de que um jovem, julgado e preso como adulto aos 16, muito provavelmente voltará às ruas antes dos 30, tendo passado os anos que, na população em geral, são usados para aprender uma profissão e começar uma carreira, trancafiado na companhia de bandidos experientes. Do jeito que a coisa está, os adolescentes presos sairão da cadeia, já adultos, graduados em colégios técnicos da crueldade e em universidades do crime.
Fonte: adaptado de <http://revistagalileu.globo.com>. Acesso em: 02 jul. 2015.
É propósito comunicativo dominante do texto
Provas
Questão presente nas seguintes provas
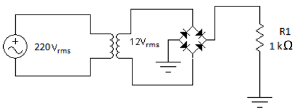
Considere o circuito retificador em onda completa, apresentado na figura abaixo.

Fonte: FUNCERN, 2015.
Considerando que os diodos utilizados são de silício, a corrente média de saída, aproximada, entregue à carga é de
Provas
Questão presente nas seguintes provas
Considere o mapa de Veitch-Karnaugh apresentado na figura abaixo. A variável X, no mapa, representa uma condição irrelevante (don't care.)

Fonte: FUNCERN, 2015.
A função mínima simplificada do sistema "S" representado no mapa é
Provas
Questão presente nas seguintes provas
Um transformador abaixador monofásico de chapas de silício possui 100 espiras no primário e 40 espiras no secundário.
Considerando esse equipamento como ideal e aplicando uma diferença de potencial de 200 Vrms no primário, a tensão de saída do secundário será de
Provas
Questão presente nas seguintes provas
MAIORIDADE PENAL: UMA ANÁLISE SOBRE O CÉREBRO DOS JOVENS
Carlos Orsi
Um dado curioso do debate brasileiro sobre maioridade penal é a insistência com que emerge a afirmação, peremptória, de que os jovens de hoje “não são ingênuos como os de antigamente” e “sabem muito bem o que estão fazendo”.
A primeira questão que um observador cético poderia levantar é: “de antigamente”, quando? Em 1874, os Estados Unidos condenavam Jesse Pomeroy, de 14 anos, à prisão perpétua por duplo homicídio. William Henry “Bonney” McCarthy, o “Billy the Kid” do Velho Oeste, matou pela primeira vez aos 17 e, aos 20, já tinha a cabeça a prêmio. Foi morto pouco depois, em 1881. Nathan Leopold e Richard Loeb, a dupla de assassinos que inspirou o filme “Festim Diabólico”, de Alfred Hitchcock, cometeram o assassinato pelo qual foram condenados, em 1924, quando já eram maiores de idade – tinham 19 e 18 anos, respectivamente – mas 9 haviam participado de crimes menores, antes.
Delinquência juvenil – incluindo crimes escabrosos, cometidos com arrogância, violência e crueldade – não é invenção dos tempos modernos. A percepção do problema(C) talvez seja maior hoje do que foi no passado, mas, como apontou uma reportagem da Folha de S. Paulo, faltam dados para que possamos ter sua real dimensão.
Agora, se adolescentes que cometem crimes bárbaros não são exatamente uma invenção moderna, o que dizer da alegação de que eles “sabem muito bem o que estão fazendo”? Há alguns anos, nos Estados Unidos, foi produzida uma boa consolidação da ciência a respeito da capacidade do cérebro adolescente de, 17 exatamente, saber o que está fazendo. E isso(D) por causa de Christopher Simmons.
Esse jovem(B) havia sido condenado à morte, aos 17 anos, por um crime arrepiante: a vítima, uma mulher, foi amarrada com fita adesiva, cabos elétricos e jogada do alto de uma ponte. Em 2005, quando Simmons já estava com 28 anos, a Suprema Corte dos EUA determinou que a condenação à morte de menores de 18 anos era inconstitucional.
Em 2004, quando a questão(B) a questão ainda se encontrava em aberto, a revista Science publicou uma reportagem sobre 23 o papel da neurociência no julgamento. Resumindo, a melhor evidência científica diz que o cérebro de um jovem de 16 ou 17 anos ainda não atingiu o desenvolvimento pleno de áreas fundamentais para a responsabilidade criminal, como as envolvidas no controle das ações impulsivas, das emoções e da capacidade de resistir à tentação de prazer imediato. Ruben Gur, da Universidade da Pensilvânia, resumiu a questão assim: “A própria parte do cérebro que o sistema legal julga só entra em ação mais tarde”.
Desde que(A) a neurociência ajudou a convencer a Suprema Corte a salvar a vida de Simmons (que hoje cumpre prisão perpétua), a questão do “teenage brain” – “cérebro adolescente” – assumiu um papel importante no sistema judiciário dos Estados Unidos. Alguns advogados logo tentaram usar a cartada da imaturidade juvenil para neutralizar, de vez, a culpabilidade de seus clientes, como se o cérebro imperfeito fosse a “verdadeira 32 causa” dos crimes.
Poucos cientistas endossam essa interpretação radical(C): ser adolescente não basta para transformar ninguém em criminoso. Há outros fatores envolvidos, inclusive sociais. Uma análise publicada recentemente, 35 envolvendo mais de 50 mil homicídios cometidos na Califórnia ao longo de duas décadas, mostra que a correlação entre idade adolescente e comportamento criminoso é mais forte nas parcelas mais pobres da população e praticamente desaparece entre os ricos.
O que se sabe, de fato, é que o cérebro jovem é mais vulnerável a estresse, a emoções fortes e tem baixa capacidade de analisar as consequências de longo prazo de suas ações. Jovens são naturalmente mais irresponsáveis, e não é muito difícil imaginar que as pressões trazidas pela pobreza aumentem a tentação de agir irresponsavelmente.
E o que tudo isso(D) tem a ver com o caso concreto da maioridade penal? Não vou defender aqui a ideia de que ser irresponsável é ser inimputável. Como escreveu um poeta, “toda perversidade é fraqueza”; logo, ser fraco 44 não deveria bastar para desculpar ninguém.
Mas, se o jovem está disposto a cometer um crime e ainda não está mentalmente equipado para avaliar consequências de modo eficaz, será que o medo de “ser preso como adulto” vai impedi-lo?
Talvez, dado o modo como o cérebro adolescente funciona, o efeito dissuasório de uma redução da maioridade penal seja muito menor do que se imagina.
Claro, dissuasão não é a única função da pena. Há a questão da correção do comportamento e de se tirar elementos perigosos de circulação, poupando possíveis futuras vítimas.
Mas(A) lembremo-nos de que o Brasil não tem prisão perpétua e de que um jovem, julgado e preso como adulto aos 16, muito provavelmente voltará às ruas antes dos 30, tendo passado os anos que, na população em geral, são usados para aprender uma profissão e começar uma carreira, trancafiado na companhia de bandidos experientes. Do jeito que a coisa está, os adolescentes presos sairão da cadeia, já adultos, graduados em colégios técnicos da crueldade e em universidades do crime.
Fonte: adaptado de <http://revistagalileu.globo.com>. Acesso em: 02 jul. 2015.
São elementos linguísticos que, coerentemente, sinalizam a inter-relação e a localização dos parágrafos na progressão do tema:
Provas
Questão presente nas seguintes provas
Um gerador de corrente contínua do tipo shunt, com tensão nos terminais da armadura de 220V, potência nominal de 110kW, possui uma resistência de campo de 60Ω e uma resistência de armadura de 0,05Ω. A tensão gerada, na situação de plena carga é, aproximadamente,
Provas
Questão presente nas seguintes provas
2506955
Ano: 2015
Disciplina: Segurança e Saúde no Trabalho (SST)
Banca: FUNCERN
Orgão: IF-RN
Disciplina: Segurança e Saúde no Trabalho (SST)
Banca: FUNCERN
Orgão: IF-RN
Provas:
Tomando como referência versão consolidada da NR 10/2004 – Segurança em Instalações e Serviços em Eletricidade – do Ministério do Trabalho e Emprego, assinale a opção correta.
Provas
Questão presente nas seguintes provas
Para a elaboração do projeto de instalações elétricas do Campus Lajes do IFRN, o projetista responsável deverá adotar, de forma adequada, os critérios de proteção contra correntes de sobrecarga.
Considere que
• IN é a corrente nominal do disjuntor;
• IB é a corrente de projeto do circuito;
• IZ é a capacidade de condução de corrente do condutor utilizado no circuito; e
• I2 é a corrente convencional de atuação do disjuntor.
• IB é a corrente de projeto do circuito;
• IZ é a capacidade de condução de corrente do condutor utilizado no circuito; e
• I2 é a corrente convencional de atuação do disjuntor.
O critério que o projetista deverá adotar, de acordo com as recomendações da norma ABNT NBR 5410:2004, é
Provas
Questão presente nas seguintes provas
Um transformador monofásico com núcleo envolvente e com chapas de silício possui 800 espiras em seu enrolamento primário e 100 espiras em seu enrolamento secundário. Considere que uma diferença de potencial de 240V foi aplicada nos terminais do enrolamento primário desse transformador e que, nos terminais do secundário, foi colocada uma resistência de carga de !$ 3 Omega !$
Nessas condições e desprezando as perdas do transformador, o valor da impedância referentes ao enrolamento primário é de
Provas
Questão presente nas seguintes provas
Cadernos
Caderno Container