Foram encontradas 45 questões.
Considere os esquemas de aterramento representados nas figuras abaixo.

Fonte: ABNT NBR 5410:2004, Unicamp.
Segundo a norma ABNT NBR 5410:2004, o tipo de esquema de aterramento TN-C está representado na
Provas
Questão presente nas seguintes provas
Para acionar um motor trifásico de indução tipo gaiola, há diversas maneiras: partida direta com chave magnética, chave estrela triângulo, chave compensadora, soft start e inversor de frequência.
Entre esses modos de partida, o dispositivo que possui maior precisão no controle de velocidade é
Provas
Questão presente nas seguintes provas

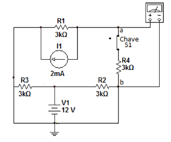
Utilizando um amperímetro com resistência interna de 600Ω, o erro cometido, ao medir a corrente com esse equipamento, no resistor R4, está situado na margem de
Provas
Questão presente nas seguintes provas
A norma ISO/CIE NBR 8995-1:2013 – Iluminação de Ambientes de Trabalho – estabelece que
Provas
Questão presente nas seguintes provas

O circuito da figura apresenta um circuito de corrente contínua alimentado por duas fontes: uma fonte de corrente e uma fonte de tensão. Com o multímetro calibrado para medir tensão e com as pontas de provas posicionadas entre os pontos a e b, a tensão, medida pelo multímetro é
Provas
Questão presente nas seguintes provas
Em determinada instalação elétrica, um fio de cobre deve suportar uma corrente de curto circuito de 7kA. Considere que esse fio possui isolação tipo PVC, com constante K igual a 103 da integral de Joule para aquecimento do condutor, e que a atuação da proteção, adquirida por meio de um disjuntor, atuará em um tempo máximo de 1,0 s.
Considerando que, quanto maior a seção nominal, maior o custo do condutor, e tomando como referência os valores comerciais, o dimensionamento que representa o melhor custo-benefício da seção nominal desse fio é
Provas
Questão presente nas seguintes provas
MAIORIDADE PENAL: UMA ANÁLISE SOBRE O CÉREBRO DOS JOVENS
Carlos Orsi
Um dado curioso do debate brasileiro sobre maioridade penal é a insistência com que emerge a afirmação, peremptória, de que os jovens de hoje “não são ingênuos como os de antigamente” e “sabem muito bem o que estão fazendo”.
A primeira questão que um observador cético poderia levantar é: “de antigamente”, quando? Em 1874, os Estados Unidos condenavam Jesse Pomeroy, de 14 anos, à prisão perpétua por duplo homicídio. William Henry “Bonney” McCarthy, o “Billy the Kid” do Velho Oeste, matou pela primeira vez aos 17 e, aos 20, já tinha a cabeça a prêmio. Foi morto pouco depois, em 1881. Nathan Leopold e Richard Loeb, a dupla de assassinos que inspirou o filme “Festim Diabólico”, de Alfred Hitchcock, cometeram o assassinato pelo qual foram condenados, em 1924, quando já eram maiores de idade – tinham 19 e 18 anos, respectivamente – mas 9 haviam participado de crimes menores, antes.
Delinquência juvenil – incluindo crimes escabrosos, cometidos com arrogância, violência e crueldade – não é invenção dos tempos modernos. A percepção do problema talvez seja maior hoje do que foi no passado, mas, como apontou uma reportagem da Folha de S. Paulo, faltam dados para que possamos ter sua real dimensão.
Agora, se adolescentes que cometem crimes bárbaros não são exatamente uma invenção moderna, o que dizer da alegação de que eles “sabem muito bem o que estão fazendo”? Há alguns anos, nos Estados Unidos, foi produzida uma boa consolidação da ciência a respeito da capacidade do cérebro adolescente de, 17 exatamente, saber o que está fazendo. E isso por causa de Christopher Simmons.
Esse jovem havia sido condenado à morte, aos 17 anos, por um crime arrepiante: a vítima, uma mulher, foi amarrada com fita adesiva, cabos elétricos e jogada do alto de uma ponte. Em 2005, quando Simmons já estava com 28 anos, a Suprema Corte dos EUA determinou que a condenação à morte de menores de 18 anos era inconstitucional.
Em 2004, quando a questão ainda se encontrava em aberto, a revista Science publicou uma reportagem sobre 23 o papel da neurociência no julgamento. Resumindo, a melhor evidência científica diz que o cérebro de um jovem de 16 ou 17 anos ainda não atingiu o desenvolvimento pleno de áreas fundamentais para a responsabilidade criminal, como as envolvidas no controle das ações impulsivas, das emoções e da capacidade de resistir à tentação de prazer imediato. Ruben Gur, da Universidade da Pensilvânia, resumiu a questão assim: “A própria parte do cérebro que o sistema legal julga só entra em ação mais tarde”.
Desde que a neurociência ajudou a convencer a Suprema Corte a salvar a vida de Simmons (que hoje cumpre prisão perpétua), a questão do “teenage brain” – “cérebro adolescente” – assumiu um papel importante no sistema judiciário dos Estados Unidos. Alguns advogados logo tentaram usar a cartada da imaturidade juvenil para neutralizar, de vez, a culpabilidade de seus clientes, como se o cérebro imperfeito fosse a “verdadeira 32 causa” dos crimes.
Poucos cientistas endossam essa interpretação radical: ser adolescente não basta para transformar ninguém em criminoso. Há outros fatores envolvidos, inclusive sociais. Uma análise publicada recentemente, 35 envolvendo mais de 50 mil homicídios cometidos na Califórnia ao longo de duas décadas, mostra que a correlação entre idade adolescente e comportamento criminoso é mais forte nas parcelas mais pobres da população e praticamente desaparece entre os ricos.
O que se sabe, de fato, é que o cérebro jovem é mais vulnerável a estresse, a emoções fortes e tem baixa capacidade de analisar as consequências de longo prazo de suas ações. Jovens são naturalmente mais irresponsáveis, e não é muito difícil imaginar que as pressões trazidas pela pobreza aumentem a tentação de agir irresponsavelmente.
E o que tudo isso tem a ver com o caso concreto da maioridade penal? Não vou defender aqui a ideia de que ser irresponsável é ser inimputável. Como escreveu um poeta, “toda perversidade é fraqueza”; logo, ser fraco 44 não deveria bastar para desculpar ninguém.
Mas, se o jovem está disposto a cometer um crime e ainda não está mentalmente equipado para avaliar consequências de modo eficaz, será que o medo de “ser preso como adulto” vai impedi-lo?
Talvez, dado o modo como o cérebro adolescente funciona, o efeito dissuasório de uma redução da maioridade penal seja muito menor do que se imagina.
Claro, dissuasão não é a única função da pena. Há a questão da correção do comportamento e de se tirar elementos perigosos de circulação, poupando possíveis futuras vítimas.
Mas lembremo-nos de que o Brasil não tem prisão perpétua e de que um jovem, julgado e preso como adulto aos 16, muito provavelmente voltará às ruas antes dos 30, tendo passado os anos que, na população em geral, são usados para aprender uma profissão e começar uma carreira, trancafiado na companhia de bandidos experientes. Do jeito que a coisa está, os adolescentes presos sairão da cadeia, já adultos, graduados em colégios técnicos da crueldade e em universidades do crime.
Fonte: adaptado de <http://revistagalileu.globo.com>. Acesso em: 02 jul. 2015.
É correto afirmar que o texto
Provas
Questão presente nas seguintes provas
MAIORIDADE PENAL: UMA ANÁLISE SOBRE O CÉREBRO DOS JOVENS
Carlos Orsi
Um dado curioso do debate brasileiro sobre maioridade penal é a insistência com que emerge a afirmação, peremptória, de que os jovens de hoje “não são ingênuos como os de antigamente” e “sabem muito bem o que estão fazendo”.
A primeira questão que um observador cético poderia levantar é: “de antigamente”, quando? Em 1874, os Estados Unidos condenavam Jesse Pomeroy, de 14 anos, à prisão perpétua por duplo homicídio. William Henry “Bonney” McCarthy, o “Billy the Kid” do Velho Oeste, matou pela primeira vez aos 17 e, aos 20, já tinha a cabeça a prêmio. Foi morto pouco depois, em 1881. Nathan Leopold e Richard Loeb, a dupla de assassinos que inspirou o filme “Festim Diabólico”, de Alfred Hitchcock, cometeram o assassinato pelo qual foram condenados, em 1924, quando já eram maiores de idade – tinham 19 e 18 anos, respectivamente – mas 9 haviam participado de crimes menores, antes.
Delinquência juvenil – incluindo crimes escabrosos, cometidos com arrogância, violência e crueldade – não é invenção dos tempos modernos. A percepção do problema talvez seja maior hoje do que foi no passado, mas, como apontou uma reportagem da Folha de S. Paulo, faltam dados para que possamos ter sua real dimensão.
Agora, se adolescentes que cometem crimes bárbaros não são exatamente uma invenção moderna, o que dizer da alegação de que eles “sabem muito bem o que estão fazendo”? Há alguns anos, nos Estados Unidos, foi produzida uma boa consolidação da ciência a respeito da capacidade do cérebro adolescente de, 17 exatamente, saber o que está fazendo. E isso por causa de Christopher Simmons.
Esse jovem havia sido condenado à morte, aos 17 anos, por um crime arrepiante: a vítima, uma mulher, foi amarrada com fita adesiva, cabos elétricos e jogada do alto de uma ponte. Em 2005, quando Simmons já estava com 28 anos, a Suprema Corte dos EUA determinou que a condenação à morte de menores de 18 anos era inconstitucional.
Em 2004, quando a questão ainda se encontrava em aberto, a revista Science publicou uma reportagem sobre 23 o papel da neurociência no julgamento. Resumindo, a melhor evidência científica diz que o cérebro de um jovem de 16 ou 17 anos ainda não atingiu o desenvolvimento pleno de áreas fundamentais para a responsabilidade criminal, como as envolvidas no controle das ações impulsivas, das emoções e da capacidade de resistir à tentação de prazer imediato. Ruben Gur, da Universidade da Pensilvânia, resumiu a questão assim: “A própria parte do cérebro que o sistema legal julga só entra em ação mais tarde”.
Desde que a neurociência ajudou a convencer a Suprema Corte a salvar a vida de Simmons (que hoje cumpre prisão perpétua), a questão do “teenage brain” – “cérebro adolescente” – assumiu um papel importante no sistema judiciário dos Estados Unidos. Alguns advogados logo tentaram usar a cartada da imaturidade juvenil para neutralizar, de vez, a culpabilidade de seus clientes, como se o cérebro imperfeito fosse a “verdadeira 32 causa” dos crimes.
Poucos cientistas endossam essa interpretação radical: ser adolescente não basta para transformar ninguém em criminoso. Há outros fatores envolvidos, inclusive sociais. Uma análise publicada recentemente, 35 envolvendo mais de 50 mil homicídios cometidos na Califórnia ao longo de duas décadas, mostra que a correlação entre idade adolescente e comportamento criminoso é mais forte nas parcelas mais pobres da população e praticamente desaparece entre os ricos.
O que se sabe, de fato, é que o cérebro jovem é mais vulnerável a estresse, a emoções fortes e tem baixa capacidade de analisar as consequências de longo prazo de suas ações. Jovens são naturalmente mais irresponsáveis, e não é muito difícil imaginar que as pressões trazidas pela pobreza aumentem a tentação de agir irresponsavelmente.
E o que tudo isso tem a ver com o caso concreto da maioridade penal? Não vou defender aqui a ideia de que ser irresponsável é ser inimputável. Como escreveu um poeta, “toda perversidade é fraqueza”; logo, ser fraco 44 não deveria bastar para desculpar ninguém.
Mas, se o jovem está disposto a cometer um crime e ainda não está mentalmente equipado para avaliar consequências de modo eficaz, será que o medo de “ser preso como adulto” vai impedi-lo?
Talvez, dado o modo como o cérebro adolescente funciona, o efeito dissuasório de uma redução da maioridade penal seja muito menor do que se imagina.
Claro, dissuasão não é a única função da pena. Há a questão da correção do comportamento e de se tirar elementos perigosos de circulação, poupando possíveis futuras vítimas.
Mas lembremo-nos de que o Brasil não tem prisão perpétua e de que um jovem, julgado e preso como adulto aos 16, muito provavelmente voltará às ruas antes dos 30, tendo passado os anos que, na população em geral, são usados para aprender uma profissão e começar uma carreira, trancafiado na companhia de bandidos experientes. Do jeito que a coisa está, os adolescentes presos sairão da cadeia, já adultos, graduados em colégios técnicos da crueldade e em universidades do crime.
Fonte: adaptado de <http://revistagalileu.globo.com>. Acesso em: 02 jul. 2015.
A variedade linguística presente no texto
Provas
Questão presente nas seguintes provas
Considere os seguintes dados referentes a um motor trifásico:
• Tensão de linha: 380 V.
• Fator de potência: 0,8.
• Rendimento: 0,8.
• Potência: 20 CV.
• Fator de potência: 0,8.
• Rendimento: 0,8.
• Potência: 20 CV.
Assumindo que 1CV = 735W, o valor aproximado da corrente de linha desse motor é
Provas
Questão presente nas seguintes provas
Um cliente de uma companhia de energia elétrica recebeu a conta mensal de energia com os seguintes dados:
| Consumo mensal | 500KWh |
| Fator de potência | 0,8 |
| Tensão da rede elétrica fase e neutro | 220V |
| Fator de potência exigido pela companhia elétrica | 0,9 |
Com base nesses dados, a companhia taxou o cliente por excedente reativo devido ao fator de potência estar abaixo do estipulado.
Considerando o mês com 30 dias e o consumo constante, a potência reativa do capacitor para que a correção seja realizada é de
Provas
Questão presente nas seguintes provas
Cadernos
Caderno Container