Foram encontradas 60 questões.
Observe a viga isostática abaixo.

Considere que essa viga está submetida ao seguinte carregamento:
- Carga permanente em todo o vão = 20 kN/m
- Carga móvel:

O momento fletor máximo total, em kN.m, na seção transversal “C” é igual a:
Provas
Questão presente nas seguintes provas
Segundo a norma ABNT NBR 13752:1996 (Perícias de engenharia na construção civil), o modo originário de aquisição da coisa acessória que adere materialmente ao imóvel, passando a pertencer definitivamente ao proprietário, é denominado:
Provas
Questão presente nas seguintes provas
De acordo com a norma ABNT NBR 8039:1983 (Projeto e execução de telhados com telhas cerâmicas tipo francesa – Procedimento), é correto afirmar que:
Provas
Questão presente nas seguintes provas
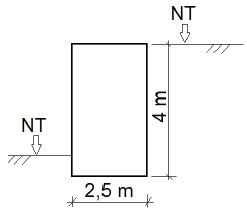
Observe o muro de contenção abaixo, em concreto ciclópico, cujo peso específico é !$ 20 \;kN/m^3 !$ e NT é o nível do terreno.

Considerando-se que o solo arrimado tem coeficiente de empuxo ativo igual a 1/3 e peso específico de !$ 18 \;kN/m^3 !$, adotando-se o coeficiente de atrito entre o solo e o muro igual a 0,48 e desprezando-se o empuxo passivo, o coeficiente de segurança ao deslizamento desse muro é igual a:
Provas
Questão presente nas seguintes provas
O controle estatístico da resistência do concreto de determinada obra foi feito por amostragem parcial, de acordo com o que preconiza a norma ABNT NBR 12655:2006 (Concreto de cimento Portland - Preparo, controle e recebimento - Procedimento). Os valores das resistências dos exemplares do concreto foram os da tabela abaixo:
| Exemplar | 1 | 2 | 3 | 4 | 5 | 6 | 7 | 8 |
|
Resistência
do exemplar
em MPa
|
35 | 33 | 29 | 31 | 26 | 28 | 27 | 36 |
O valor estimado da resistência característica à compressão !$ (f_{ckest} ) !$ do concreto, na idade especificada,em MPa, é:
Provas
Questão presente nas seguintes provas
Leia o texto abaixo e responda a questão proposta.
A figura do ancião, desde o início dos relatos das primeiras civilizações, é muito controversa e discutida. No mundo ocidental, o senso comum das principais culturas muitas vezes discordava dos ensinamentos das filosofias clássicas sobre as contribuições da velhice para a sociedade. O estudo das reais condições trazidas pelo avanço da idade gerou diversas discussões éticas sobre as percepções biossociais dos processos de mudança do corpo. Médicos, biólogos, psicólogos e antropólogos ainda hoje não conseguem obter consenso sobre esse fenômeno em suas respectivas áreas.
Muitas culturas ocidentais descrevem o estereótipo do jovem como corajoso, destemido, forte e indolente. Já a figura do idoso é retratada como um peso morto, um chato em decadência corporal e mental. Percepção preconceituosa que foi levada ao extremo no século XX pelos portugueses durante a ditadura de Antônio Salazar, notório por usar a perseguição aos idosos como bandeira política. Atletas e artistas cotidianamente debatem o avanço da idade com medo e desgosto, enquanto especialistas da saúde questionam se há deterioração ou mudança adaptativa do corpo humano.
Nas culturas orientais, assim como na maioria das filosofias clássicas, a velhice é vista de um ângulo positivo, sendo fonte de sabedoria e meta para uma vida guiada pela prudência. O sábio ancião, que personifica a figura do homem calmo, austero, e que muitas vezes é capaz de prever certas situações e aconselhar, se destaca em relação ao jovem cheio de energia e de hormônios instáveis. Porém, apesar dos filósofos apreciarem o avanço da idade, nem todos eles tinham a mesma opinião sobre a velhice. O jovem Platão tinha como inspiração o velho filósofo Sócrates. Apesar de ser desfavorecido materialmente, Sócrates possuía muita experiência e uma sabedoria ímpar que marcou a história do pensamento. Em A República, Platão retrata uma discussão filosófica sobre a justiça ocorrida na casa do velho Céfalo, homem importante e respeitável em Atenas, que propiciava discussões filosóficas entre os mais velhos e os jovens que contemplavam os diálogos. Na sociedade ideal desse filósofo, os jovens muitas vezes eram retratados como inconsequentes e ingênuos, a exemplo de Polemarco, filho de Céfalo. Nesta sociedade ideal, crianças e adolescentes não recebiam diretamente o ensino da Filosofia. Por ser um conhecimento nobre e difícil, [ela] era ensinada somente para pessoas de idade mais avançada.
................................................................................................................................................................................................................................
Dentre os filósofos clássicos, o maior crítico sobre a construção filosófica da ideia de “velhice” era o estoico Sêneca. Para ele, Platão, Aristóteles e Epicuro construíram uma concepção mitológica da figura do velho. Os idosos que ele conheceu em Roma muitas vezes não eram tão felizes como descreviam os gregos. Muitos deles, observou Sêneca, pareciam tranquilos, mas no fundo não eram. A aparente tranquilidade decorria de seu cansaço e desânimo por não conseguir mais lutar por aquilo que queriam. Não buscaram a ataraxia enquanto jovens, ou seja, a tranquilidade da alma e a ausência de perturbações frente aos desafios impostos pela vida.
................................................................................................................................................................................................................................
Se envelhecer é uma “droga”, como afirma o ator Arnold Schwarzenegger, ou se [a velhice] é a “melhor idade”, como dizem muitos aposentados, esses discursos não contribuem para uma resposta definitiva para o estudo científico. Afinal, o conceito de velhice não é um fenômeno puramente biológico, mas também fruto de uma construção social e psicoemocional.
MEUCCI, Arthur. Rev. Filosofia: março de 2013, p. 72-3.
Dentre as alternativas de concordância verbal propostas, a gramática do português-padrão acolhe apenas a seguinte:
Provas
Questão presente nas seguintes provas
Leia o texto abaixo e responda a questão proposta.
A figura do ancião, desde o início dos relatos das primeiras civilizações, é muito controversa e discutida. No mundo ocidental, o senso comum das principais culturas muitas vezes discordava dos ensinamentos das filosofias clássicas sobre as contribuições da velhice para a sociedade. O estudo das reais condições trazidas pelo avanço da idade gerou diversas discussões éticas sobre as percepções biossociais dos processos de mudança do corpo. Médicos, biólogos, psicólogos e antropólogos ainda hoje não conseguem obter consenso sobre esse fenômeno em suas respectivas áreas.
Muitas culturas ocidentais descrevem o estereótipo do jovem como corajoso, destemido, forte e indolente. Já a figura do idoso é retratada como um peso morto, um chato em decadência corporal e mental. Percepção preconceituosa que foi levada ao extremo no século XX pelos portugueses durante a ditadura de Antônio Salazar, notório por usar a perseguição aos idosos como bandeira política. Atletas e artistas cotidianamente debatem o avanço da idade com medo e desgosto, enquanto especialistas da saúde questionam se há deterioração ou mudança adaptativa do corpo humano.
Nas culturas orientais, assim como na maioria das filosofias clássicas, a velhice é vista de um ângulo positivo, sendo fonte de sabedoria e meta para uma vida guiada pela prudência. O sábio ancião, que personifica a figura do homem calmo, austero, e que muitas vezes é capaz de prever certas situações e aconselhar, se destaca em relação ao jovem cheio de energia e de hormônios instáveis. Porém, apesar dos filósofos apreciarem o avanço da idade, nem todos eles tinham a mesma opinião sobre a velhice. O jovem Platão tinha como inspiração o velho filósofo Sócrates. Apesar de ser desfavorecido materialmente, Sócrates possuía muita experiência e uma sabedoria ímpar que marcou a história do pensamento. Em A República, Platão retrata uma discussão filosófica sobre a justiça ocorrida na casa do velho Céfalo, homem importante e respeitável em Atenas, que propiciava discussões filosóficas entre os mais velhos e os jovens que contemplavam os diálogos. Na sociedade ideal desse filósofo, os jovens muitas vezes eram retratados como inconsequentes e ingênuos, a exemplo de Polemarco, filho de Céfalo. Nesta sociedade ideal, crianças e adolescentes não recebiam diretamente o ensino da Filosofia. Por ser um conhecimento nobre e difícil, [ela] era ensinada somente para pessoas de idade mais avançada.
................................................................................................................................................................................................................................
Dentre os filósofos clássicos, o maior crítico sobre a construção filosófica da ideia de “velhice” era o estoico Sêneca. Para ele, Platão, Aristóteles e Epicuro construíram uma concepção mitológica da figura do velho. Os idosos que ele conheceu em Roma muitas vezes não eram tão felizes como descreviam os gregos. Muitos deles, observou Sêneca, pareciam tranquilos, mas no fundo não eram. A aparente tranquilidade decorria de seu cansaço e desânimo por não conseguir mais lutar por aquilo que queriam. Não buscaram a ataraxia enquanto jovens, ou seja, a tranquilidade da alma e a ausência de perturbações frente aos desafios impostos pela vida.
................................................................................................................................................................................................................................
Se envelhecer é uma “droga”, como afirma o ator Arnold Schwarzenegger, ou se [a velhice] é a “melhor idade”, como dizem muitos aposentados, esses discursos não contribuem para uma resposta definitiva para o estudo científico. Afinal, o conceito de velhice não é um fenômeno puramente biológico, mas também fruto de uma construção social e psicoemocional.
MEUCCI, Arthur. Rev. Filosofia: março de 2013, p. 72-3.
Ao se reescrever a oração adjetiva destacada em “Os idosos QUE ELE CONHECEU EM ROMA muitas vezes não eram tão felizes como descreviam os gregos [...]” (§ 4) cometeu-se um erro de regência nominal em:
Provas
Questão presente nas seguintes provas
- Fundamentos de Sistemas OperacionaisDiferenças entre Windows e Linux
- WindowsGerenciamento de Processos no WindowsGerenciador de Tarefas
No sistema operacional Windows, qual a ferramenta que possui uma função correspondente ao comando kill do Linux?
Provas
Questão presente nas seguintes provas
Para se executar uma estrutura de concreto com grandes dimensões (concreto massa), o cimento mais indicado, dentre os listados abaixo, é o:
Provas
Questão presente nas seguintes provas
O rumo magnético de um alinhamento é 20º15' SW. Se a declinação magnética do local vale 13º15' W, o azimute verdadeiro desse alinhamento é:
Provas
Questão presente nas seguintes provas
Cadernos
Caderno Container