Foram encontradas 863 questões.
Na obra de Norton (2010), é apresentada a orientação para o projeto de transmissões composta com uso de engrenagens. Desta maneira, para projetar uma transmissão composta por engrenagens, espera-se obter a relação de transmissão 95:1. Assim, segundo as normas orientadoras para projeto de transmissões compostas, escolha corretamente as menores engrenagens para serem utilizadas no projeto que forneça essa relação, marcando a alternativa que apresenta a resposta CORRETA:
Provas
Conforme apresentado na obra de Norton (2010), o mecanismo de quatro barras apresentado pode ser analisado para verificar seu atendimento a condição de Grashof. Considerando os comprimentos das barras da figura (1 = 350 mm; 2 = 150 mm; 3 = 450 mm; e 4 = 300 mm), é CORRETO afirmar que:

(imagem extraída de Norton, 2010)
Provas
Segundo Norton (2010), para se determinar o Grau de Liberdade (DOF) de qualquer mecanismo, deve-se considerar o número de elos e juntas bem como as interações entre eles. Assim, assinale a alternativa que responde CORRETAMENTE a questão: quantos graus de liberdade apresenta o mecanismo da figura?

(imagem extraída de Norton, 2010)
Provas
No estudo de vibrações mecânicas, é muito importante compreender os conceitos de frequência natural e fator de amortecimento. Assim, com relação a esses dois temas, assinale a alternativa INCORRETA:
Provas
No estudo de vibrações mecânicas, elementos de rigidez e elementos de dissipação são usualmente empregados para a definição dos conceitos e estudo de caso. Assim, com relação a esses elementos, analise as afirmações abaixo:
I. Na aplicação de duas molas em paralelo, a força em cada mola é a mesma e o deslocamento total é x = x 1 + x 2 = k 1 F + k 2 F = ( k 1 1 + k 2 1 ) F
II. Elementos de amortecimento não têm inércia nem meios para armazenar ou liberar a energia potencial.
III. O amortecimento estrutural ou histerético descreve as perdas de energia no material causadas pelo atrito interno.
IV. Amortecedor é um exemplo de elemento de rigidez, pois à medida que é deformado (aplicação de carga), o elemento armazena energia de forma gradativa e esta é liberada à medida que a forma do amortecedor é restaurada.
Assinale a alternativa em que todas (a)s afirmativa(s) está(ão) CORRETA(S):
Provas
Um portão de garagem manual possui um mecanismo de contrapeso, conforme apresentado na figura a seguir, para auxiliar na sua abertura. Sabendo-se que o contrapeso possui massa (A) de 130 kg e que o portão possui massa (B) de 40 kg, assinale a alternativa que apresenta o valor da velocidade escalar do portão em 2 segundos após a liberação da sua trava, sendo o mesmo solto do repouso.
Para tanto, considere:
- O atrito e as massas das polias e do cabo deverão ser desprezadas;
- Medidas as posições de A e B a partir de um ponto fixo, tem-se: 2SA + SB = l, sendo l o comprimento do cabo;
- Aceleração da gravidade: g=9,81 m/s².
(imagem adaptada de Norton, 2010)
Provas
Hibbeler (2011) faz um estudo sobre o movimento curvilíneo geral e apresenta os elementos e equações que o representam. Abaixo são apresentadas 04 (quatro) afirmações sobre o movimento curvilíneo geral:
I. Em geral, o vetor aceleração não é tangente à trajetória, mas é tangente à hodógrafa.
II. Se o movimento é descrito utilizando-se coordenadas retangulares, então as componentes ao longo de cada um dos eixos variam a direção, mantendo constantes suas intensidades de sentidos.
III. Para obter a aceleração instantânea, faz-se Δt → 0, assim, no limite, Δs se aproximará da tangente à hodógrafa, e então a = 0 }"> lim △−>0 ( △t △s )
IV. O movimento curvilíneo pode causar variações tanto na intensidade quanto na direção dos vetores posição, velocidade e aceleração.
Assinale a alternativa em que todas (a)s afirmativa(s) está(ão) CORRETA(S):
Provas
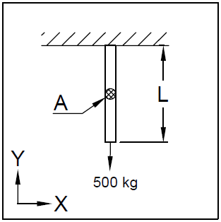
Uma barra circular, com comprimento (L) de 100x10-3 m, área da seção transversal (A) de 0,2x10-3 m2 e módulo de elasticidade de Young (E) de 2,5x109 N/m2, suporta uma massa de 500 kg, conforme a figura a seguir. Determine a frequência natural (ωn) deste sistema, em rad/s, considerando que o mesmo possui apenas um grau de liberdade no sentido do eixo Y.

Assinale a alternativa CORRETA:
Provas
Determine a rigidez equivalente (Ke) do sistema representado na figura a seguir, sabendo-se que os elementos de rigidez possuem os seguintes valores: K1=K2=5x103 N/m, K4=10x103 N/m e K3=K5=20x103 N/m.

Assinale a alternativa CORRETA:
Provas
Assinale a alternativa CORRETA em relação aos elementos que são utilizados na construção de um modelo de sistema vibratório e suas respectivas relações com a energia envolvida no sistema:
Provas
Caderno Container