Foram encontradas 38 questões.
Leia o texto
(…) Mas, é importante dizer, a “leitura" do meu mundo, que me foi sempre fundamental, não fez de mim um menino antecipado em homem, um racionalista de calças curtas. A curiosidade do menino não iria se distorcer pelo simples fato de ser exercida, no que fui mais ajudado do que desajudado por meus pais. E foi com eles, precisamente, em certo momento dessa rica experiência de compreensão do meu mundo imediato, sem que tal compreensão tivesse significado malquerenças ao que ele tinha de encantadoramente misterioso, que eu comecei a ser introduzido na leitura da palavra.
A decifração da palavra fluía naturalmente da “leitura" do mundo particular. Não era algo que se estivesse dando superpostamente a ele. Fui alfabetizado no chão do quintal de minha casa, à sombra das mangueiras, com palavras do meu mundo e não do mundo maior dos meus pais. O chão foi o meu quadro-negro; gravetos, o meu giz (…)
(Freire, Paulo. A importância do ato de ler: em três artigos que se completam. São Paulo: Autores Associados: Cortez, 1989).
Sobre o texto é correto afirmar:
I. O autor foi aprendeu a ler escrevendo no chão.
II. A palavra sublinhada na primeira frase do texto é pronome demonstrativo e retoma a palavra mundo.
III. A leitura do mundo e a da palavra aconteciam de forma concomitante para o personagem da narrativa.
IV. Na frase: “que eu comecei a ser introduzido na leitura da palavra", temos um verbo conjugado no pretérito perfeito do indicativo.
V. A palavra “experiência é acentuada graficamente por se tratar de uma oxítona terminada em ditongo.
Estão CORRETAS:
(…) Mas, é importante dizer, a “leitura" do meu mundo, que me foi sempre fundamental, não fez de mim um menino antecipado em homem, um racionalista de calças curtas. A curiosidade do menino não iria se distorcer pelo simples fato de ser exercida, no que fui mais ajudado do que desajudado por meus pais. E foi com eles, precisamente, em certo momento dessa rica experiência de compreensão do meu mundo imediato, sem que tal compreensão tivesse significado malquerenças ao que ele tinha de encantadoramente misterioso, que eu comecei a ser introduzido na leitura da palavra.
A decifração da palavra fluía naturalmente da “leitura" do mundo particular. Não era algo que se estivesse dando superpostamente a ele. Fui alfabetizado no chão do quintal de minha casa, à sombra das mangueiras, com palavras do meu mundo e não do mundo maior dos meus pais. O chão foi o meu quadro-negro; gravetos, o meu giz (…)
(Freire, Paulo. A importância do ato de ler: em três artigos que se completam. São Paulo: Autores Associados: Cortez, 1989).
Sobre o texto é correto afirmar:
I. O autor foi aprendeu a ler escrevendo no chão.
II. A palavra sublinhada na primeira frase do texto é pronome demonstrativo e retoma a palavra mundo.
III. A leitura do mundo e a da palavra aconteciam de forma concomitante para o personagem da narrativa.
IV. Na frase: “que eu comecei a ser introduzido na leitura da palavra", temos um verbo conjugado no pretérito perfeito do indicativo.
V. A palavra “experiência é acentuada graficamente por se tratar de uma oxítona terminada em ditongo.
Estão CORRETAS:
Provas
Questão presente nas seguintes provas
Em 2014, após anos de construção foi aprovado o Plano Nacional de Educação – PNE, por meio da Lei nº 13.005, com vistas a dar cumprimento ao artigo 214 da Constituição Federal Brasileira. Sobre o PNE, analise as assertivas abaixo.
I. São diretrizes do PNE a erradicação do analfabetismo e a promoção do princípio da gestão democrática da educação pública.
II. A execução do PNE e o cumprimento de suas metas serão objeto de monitoramento contínuo e de avaliações periódicas ao longo dos 10 (dez) anos de sua vigência.
III. Compete ao INEP divulgar os resultados do monitoramento e das avaliações em seu sítio institucional.
Assinale a alternativa que contém a resposta CORRETA.
I. São diretrizes do PNE a erradicação do analfabetismo e a promoção do princípio da gestão democrática da educação pública.
II. A execução do PNE e o cumprimento de suas metas serão objeto de monitoramento contínuo e de avaliações periódicas ao longo dos 10 (dez) anos de sua vigência.
III. Compete ao INEP divulgar os resultados do monitoramento e das avaliações em seu sítio institucional.
Assinale a alternativa que contém a resposta CORRETA.
Provas
Questão presente nas seguintes provas
O Plano Nacional de Educação – PNE aprovado em 2014 ao se tratar especificamente da Educação Profissional, estabeleceu em sua Meta 11 - triplicar as matrículas da educação profissional técnica de nível médio, assegurando a qualidade da oferta e pelo menos 50% (cinquenta por cento) da expansão no segmento público.
São estratégias para atingir a Meta 11 do PNE nos próximos 10 anos, EXCETO.
São estratégias para atingir a Meta 11 do PNE nos próximos 10 anos, EXCETO.
Provas
Questão presente nas seguintes provas
O Plano de Desenvolvimento Institucional (PDI) é o instrumento de planejamento e gestão que considera a identidade da instituição para o estabelecimento de objetivos, metas e estratégias para suas ações em um horizonte de cinco anos.
O Decreto nº 5.773 de 2006 estabelece que o PDI deve conter alguns elementos obrigatórios, dentre eles NÃO consta.
O Decreto nº 5.773 de 2006 estabelece que o PDI deve conter alguns elementos obrigatórios, dentre eles NÃO consta.
Provas
Questão presente nas seguintes provas
Considerando a curva característica do diodo 1N4001 abaixo:

Associe a coluna da esquerda e da direita de acordo com as características.
(1) 50
(2) 0,05u
(3) 0,7
(4) A
(5) B
( ) Tensão de ruptura
( ) Tensão de Joelho
( ) Corrente de fuga
( ) Região Reversa
( ) Região Direta
Assinale a alternativa que contém a sequência CORRETA, de cima para baixo.
Provas
Questão presente nas seguintes provas
O relacionamento interpessoal é fundamental em qualquer organização, são as pessoas que constituem as instituições, daí a importância de se investir nas relações humanas. A valorização de colaboradores é uma prática que deve ser constate de todo líder ou gestor, pois são eles que têm o poder de influenciar profissionais através de suas ações. Profissionais desvalorizados tendem a perder o foco, se desmotivam facilmente, diminuem sua produtividade o que acaba prejudicando e muito o bom andamento da empresa. Levando-se em conta as boas relações interpessoais, e o papel do gestor no ambiente organizacional, podemos considerar corretos os seguintes itens, EXCETO.
Provas
Questão presente nas seguintes provas
Um microcontrolador genérico, que execute uma instrução a cada ciclo de relógio (clock), possui como referência de tempo um oscilador de 10 MHz. O temporizador Timer 1 desse dispositivo é de 8-bit e está configurado para operar em modo de estouro de contagem (overflow). O Timer 1 possui um divisor de frequência (prescaler) configurado com fator 10.
Considerando que o Timer 1 gera uma interrupção a cada estouro de contagem, inicializado em zero, qual será o período de atendimento dessa interrupção?
Assinale a alternativa CORRETA.
Considerando que o Timer 1 gera uma interrupção a cada estouro de contagem, inicializado em zero, qual será o período de atendimento dessa interrupção?
Assinale a alternativa CORRETA.
Provas
Questão presente nas seguintes provas
A norma NR 5444 de 1989 da ABNT estabelece os símbolos gráficos referentes às instalações elétricas prediais. Associe a coluna da direita com a da esquerda de acordo com o símbolo de cada elemento apresentado.

A ordem CORRETA de associação, de cima para baixo, é:
Provas
Questão presente nas seguintes provas
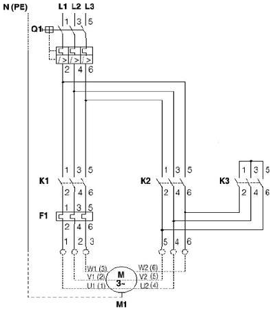
O circuito de potência para acionamento de um motor de indução trifásico com tensão nominal de 220 V/380 V é mostrado a seguir. Considerando esse circuito, leia com atenção as afirmações a seguir e marque V para as verdadeiras e F para as falsas.

( ) O circuito implementa a partida direta com reversão. 
( ) O circuito implementa a partida através de chave compensadora.
( ) O circuito implementa a partida estrela/triângulo do motor.
( ) O circuito permite reduzir a corrente de partida do motor.
( ) A rede deve possuir tensão de linha de 380 V para que o circuito opere corretamente.
Assinale a alternativa que contém a sequência CORRETA de cima para baixo:
Provas
Questão presente nas seguintes provas
- EletrotécnicaAnálise de Circuitos Elétricos
- EletrônicaCircuitos de Corrente Contínua em Eletroeletrônica
- EletrônicaEletrônica Analógica em Eletroeletrônica
No circuito da figura a seguir, o transistor deve operar como chave, acionando o relé. Para que isso aconteça, qual deve ser a faixa adequada de valores para o resistor de base, considerando que a corrente mínima e máxima na bobina do relé, respectivamente, deve ser de 50 mA e 1 A?

Assinale a alternativa CORRETA.
Provas
Questão presente nas seguintes provas
Cadernos
Caderno Container