Foram encontradas 40 questões.
Analise as informações da placa de um motor elétrico apresentado abaixo; depois, associe a coluna da direita com a da esquerda de acordo com o significado das informações destacadas.

| (1) ~3 | ( ) Fator de potência do motor. |
| (2) 8.08A | ( ) Classe de isolamento. |
| (3) ISOL: F | ( ) Motor trifásico. |
| (4) F.P.: 0.81 | ( ) Corrente nominal. |
Assinale a alternativa que contém a ordem CORRETA de associação, de cima para baixo.
Provas
Os Controladores Lógicos Programáveis (CLPs) são equipamentos largamente utilizados em linhas de produção para controle direto de sensores e atuadores. Avalie as afirmações abaixo sobre a arquitetura e princípio de funcionamento destes equipamentos, marcando (V) para as afirmativas verdadeiras e (F) para as falsas.
( ) Os CLPs são equipamentos industriais que historicamente vieram para substituir a lógica por relês e a arquitetura básica é composta por uma unidade central de processamento (CPU), memória, fonte de alimentação, módulos de entrada e saída e uma base estrutural (rack).
( ) O CLP apresenta um funcionamento cíclico, sendo que a cada ciclo o CLP primeiramente efetua a leitura das entradas e das saídas para depois executar o programa interno.
( ) A programação de um CLP pode ser feita diretamente no equipamento ou via computador (PC). Por meio do computador é necessário o uso de softwares e drivers de comunicação. Normalmente, estes softwares são distribuídos pelo próprio fabricante e seguem um protocolo deste fabricante, o que facilita que o mesmo software possa ser utilizado para CLPs de fabricantes diferentes.
( ) Um CLP é capaz de aceitar mais de uma linguagem de programação como, por exemplo, diagrama de blocos funcionais, lista de instruções e diagramas de contato (Ladder).
Assinale a alternativa que contém a sequência CORRETA de cima para baixo.
Provas
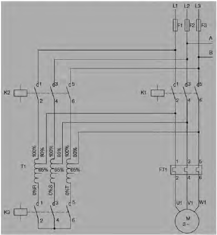
A figura abaixo, são os diagramas de Força e Comando de uma chave de partida de um Motor Trifásico.


Fonte: WEG. Guia de seleção de partidas. 2013.
Selecione a alternativa CORRETA correspondente à representação dada pela figura.
Provas
Para efetuar a correta medição de grandezas elétricas em uma dada instalação, é preciso se valer de instrumentos adequados, bem como efetuar a correta instalação dos mesmos. Alguns instrumentos de medição de grandezas elétricas são apontadas abaixo:
( 1 ) Ohmímetro.
( 2 ) Amperímetro.
( 3 ) Voltímetro.
( 4 ) Wattímetro.
Algumas características de cada um destes instrumentos são:
( ) Possui terminais para ser conectado, em série e em paralelo no o circuito a ser medido.
( ) Possui baixa impedância, na prática considerada como zero ou desprezível.
( ) Possui alta impedância, na prática considerada como infinita.
( ) Não deve ser conectado ao circuito energizado.
A ordem CORRETA de associação, de cima para baixo, é:
Provas
A associação de cilindros pneumáticos abaixo foi montada para possibilitar o posicionamento de peças em diferentes posições. Considerar que a camisa do atuador A1 esteja fixa na estrutura vertical. As hastes dos atuadores A1 e A2 estão fixas, respectivamente, nas camisas de A2 e A3. Os três atuadores recuados marcam a posição inicial (0 cm). Sobre este sistema é CORRETO afirmar que:

Provas
O primeiro capítulo do Plano de Desenvolvimento Institucional do Instituto Federal de Santa Catarina (IFSC) - PDI 2015-2019 apresenta o Perfil Institucional do IFSC e dentre as informações disponíveis estão descritas suas áreas de atuação acadêmica, que são:
Assinale a alternativa CORRETA.
Provas
Assinale a alternativa em que a organização do texto e o emprego da concordância verbal e/ou nominal estão CORRETOS.
Provas
Nas máquinas ferramentas em que o movimento de corte é produzido pela rotação da ferramenta ou da peça, determina-se o número de rotações por minuto (n) através de cálculo ou com auxílio de gráficos ou diagramas; depende da velocidade de corte (Vc) determinada pelas condições de usinagem e pelo diâmetro (d) da peça ou ferramenta, e é expressa em rotações por minuto (rpm). Qual o número de rotações por minuto (n) para as situações de usinagem apresentadas na Figura a seguir, considerando-se que as condições de usinagem admitem uma velocidade de corte (vc) de 20m/min?

Fonte: Informações Tecnológicas- Mecânica (Senai - RS)
Os processos de usinagem são:
Condição A. Furação com uma broca de diâmetro de 10 mm;
Condição B. Torneamento de uma peça com diâmetro de 40 mm;
Condição C. Fresagem com uma fresadora de diâmetro de 50 mm.
Provas
A figura abaixo, é um diagrama unifilar de uma chave de partida direta de um Motor de Indução Trifásico (MIT). Todos os diagramas e circuitos de acionamento de MITs devem ser realizados de tal maneira que obedeçam a técnica padrão normatizada quanto às nomenclaturas dos elementos, quanto à representação gráfica e de modo que cada elemento do circuito cumpra uma função específica.
Estas funções específicas são de:
• Comando funcional e/ou acionamento
• Proteção contra correntes de curto circuito
• Proteção contra correntes de sobrecarga
• Seccionamento do circuito

Fonte: SIEMENS. Módulo 3S: coordenação de partidas de motores elétricos. 2003.
Dado o exposto acima, afirma-se:
( ) O elemento "Q1" é uma Chave Seccionadora.
( ) O elemento "K1" é responsável pelo comando funcional e/ou acionamento.
( ) No diagrama acima está faltando o elemento de proteção contra correntes de sobrecarga.
( ) Os Fusíveis deste circuito efetuam a proteção contra correntes de curto circuito.
( ) O elemento "Q1" é um Disjuntor Motor termomagnético.
Marque a opção que contenha a sequência CORRETA das afirmações, de cima para baixo, sendo (F) para falso e (V) para verdadeiro.
Provas
Com relação a soldagem "MIG", marque (V) para as alternativas verdadeiras e (F), para as falsas.
( ) Método de soldagem que usa um eletrodo consumível.
( ) Método de soldagem que usa um gás que auxilia a geração de calor, através de uma reação química com a poça de soldagem.
( ) Sistema de soldagem onde é empregado Argônio ou Hélio como gás de proteção.
( ) É um processo de soldagem que usa um arco elétrico e um gás de proteção para a soldagem.
( ) Não recomendado para a soldagem de alumínio.
Assinale a alternativa que contém a sequência CORRETA de cima para baixo.
Provas
Caderno Container