Foram encontradas 40 questões.
Com relação aos elementos de máquinas, numere corretamente a coluna da direita de acordo com o texto correspondente à coluna da esquerda:
(1) Utilizada na transmissão de movimento entre eixos perpendiculares entre si.
(2) Podem ser de tração, de compressão, de fita, e de torção.
(3) Também conhecida como meia-lua ou de disco.
(4) Sua função é manter fixo ou limitar movimento axial entre um eixo e outras peças numa montagem
(5) Transmitem o torque necessário e posicionam concêntrica a ferramenta, com relação ao fuso da máquina.
(6) Aplicação muito recomendada em máquinas ou equipamentos que funcionam sob vibrações constantes e/ou intermitentes.
( ) Chaveta woodruff
( ) Anel de retenção
( ) Mola mecânica
( ) Arruela de pressão
( ) Engrenagem cônica
( ) Porta-ferramenta
A ordem CORRETA de associação, de cima para baixo, é:
Provas
Equipamentos e/ou dispositivos mecatrônicos utilizam sistemas de transmissão de movimento e potência. Das alternativas apresentadas abaixo, assinale a que cita apenas exemplos de sistemas de transmissão de movimento e potência utilizados em equipamentos mecatrônicos:
Provas
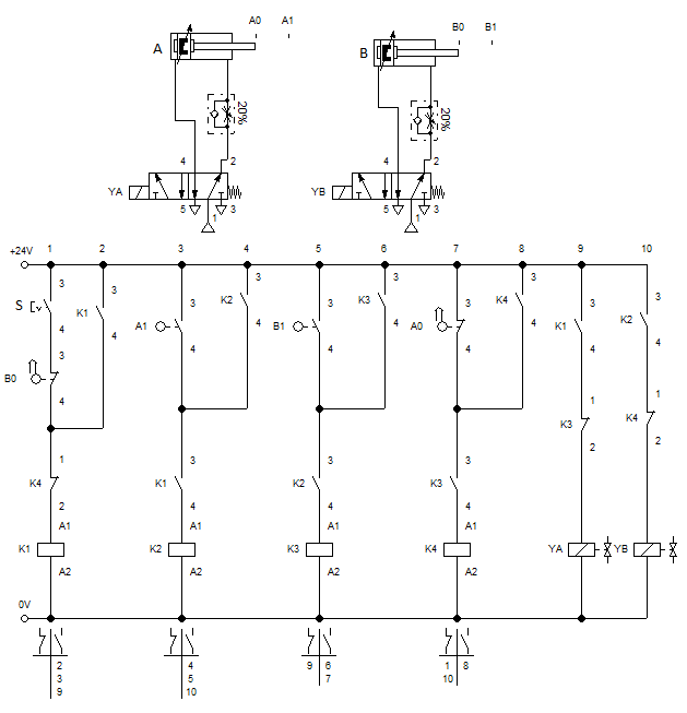
A figura apresentada a seguir é um circuito eletropneumático constituído de dois atuadores para a execução de uma determinada tarefa. Analise o circuito e marque (V) para as afirmativas verdadeiras e (F), para as falsas.

( ) A ativação do relé K2 faz o atuador B recuar.
( ) A movimentação dos atuadores é de acordo com a seguinte sequência algébrica: A+ B+ (A- B-)
( ) Os sensores A1 e B1, são pré-condições de ativação dos relés K2 e K3, respectivamente.
( ) A condição para iniciar a movimentação do sistema é que o atuador A esteja recolhido (sensor A0 ativado) e o botão S seja pressionado.
( ) A ativação do relé K4 faz o atuador B avançar.
( ) O circuito eletropneumático foi feito com base no método denominado Cadeia Estacionária.
Assinale a alternativa que contém a sequência CORRETA de cima para baixo.
Provas
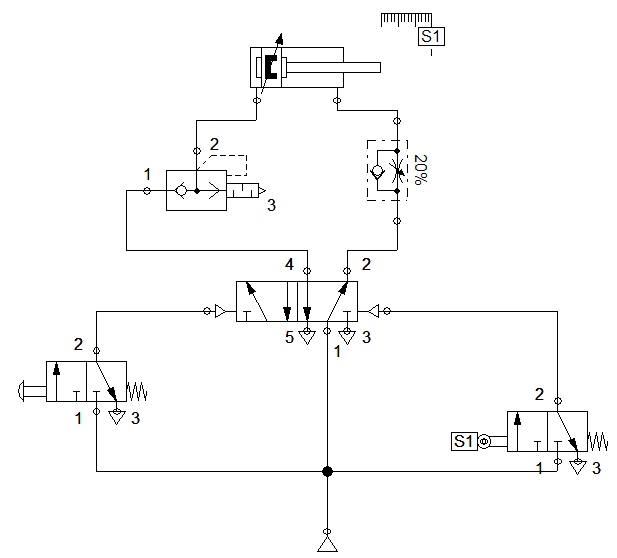
Analise o circuito abaixo e assinale as alternativas corretas.

( ) O atuador avança rápido e retorna lento por causa das válvulas de escape rápido e da válvula reguladora de vazão.
( ) Quando a haste do atuador atinge o rolete S1, ocorre o retorno automático.
( ) Durante o recuo do cilindro, o ar entra na válvula de escape rápido pela via 2 e sai pela via 1.
( ) A válvula reguladora de vazão instalada controla a velocidade do cilindro no avanço e no recuo.
( ) Ao comandar a válvula 3/2 vias de botão, o ar que entra na via 1 da válvula, sai na via 2, acionando o piloto da válvula direcional 5/2 vias. Com isso o cilindro avança.
( ) O atuador apresentado no sistema possui duplo amortecimento regulável.
Assinale a alternativa que contém a sequência CORRETA de cima para baixo.
Provas
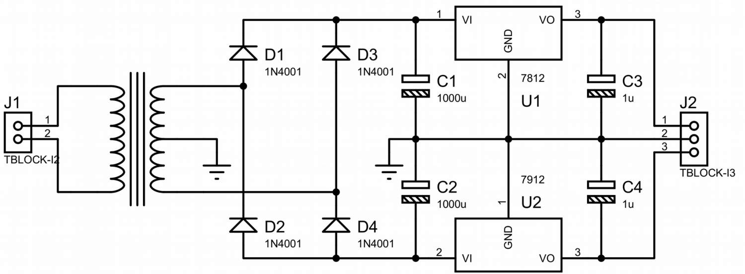
Qual é nome mais utilizado para o circuito elétrico da Figura XX?

Figura XX.
Provas
De acordo com o vocabulário internacional de metrologia, é CORRETO afirmar que:
Provas
“Vários são os fatores que podem impedir um bom rendimento do grupo, como o seu tamanho, o grau de motivação de seus membros, a falta de coesão, dificuldades de comunicação e até mesmo normas restritivas ao seu bom funcionamento.” (Quadros, D. ; Trevsisa, R.M., 2009, p.6 apud CARDOZO, C. G.; Silva, L., O., A importância do relacionamento interpessoal no ambiente de trabalho. Interbio v.8 n.2, p. 31, 2014
Assinale a alternativa CORRETA, que contém estratégias eficazes para o bom funcionamento de um grupo de trabalho:
Provas
Assinale a alternativa CORRETA que estabelece, de acordo com a Norma Regulamentadora 17 – Ergonomia, nas atividades de processamento eletrônico de dados, deve-se, salvo o disposto em convenções e acordos coletivos de trabalho, observar o seguinte:
Provas
- Universidades e Institutos FederaisInstitutos FederaisIFSC: Instituto Federal de Educação, Ciência e Tecnologia de Santa Catarina
De acordo com o Plano de Desenvolvimento Institucional (PDI) do IFSC, assinale a alternativa CORRETA:
Provas
Considerando as diretrizes para a extensão na educação superior brasileira, homologadas em 2018 pelo Conselho Nacional da Educação (CNE), os projetos dos cursos de graduação devem trazer a previsão institucional e o cumprimento de parte do total da carga horária curricular estudantil em atividades de extensão. A esse respeito, assinale a alternativa CORRETA:
Provas
Caderno Container