Foram encontradas 50 questões.
Um transformador de alta tensão típico, de núcleo de ferro, pode ser fornecido com
as seguintes especificações de dados:
4,6 kVA 2300 / 115 V 60 Hz
As tensões específicas (2300 V e 115 V) são as do primário e do secundário, mas não necessariamente nessa ordem, ou seja, se 2300 V for a tensão aplicada ao primário, a tensão no secundário será 115 V e vice-versa. A potência aparente especificada para esse transformador é de 4,6 kVA. Se a tensão no secundário for 115 V, qual será a corrente máxima na carga?
4,6 kVA 2300 / 115 V 60 Hz
As tensões específicas (2300 V e 115 V) são as do primário e do secundário, mas não necessariamente nessa ordem, ou seja, se 2300 V for a tensão aplicada ao primário, a tensão no secundário será 115 V e vice-versa. A potência aparente especificada para esse transformador é de 4,6 kVA. Se a tensão no secundário for 115 V, qual será a corrente máxima na carga?
Provas
Questão presente nas seguintes provas
Sobre alguns conceitos relacionados à potência, analise as assertivas abaixo,
assinalando V, se verdadeiras, ou F, se falsas.
( ) Para a máxima transferência de potência média, a impedância da carga, ZL, deve ser igual ao conjugado complexo da impedância de Thévenin, ZTh.
( ) Potência aparente (em VA) é o produto dos valores RMS da tensão e da corrente.
( ) Potência complexa (em VA) é o produto do fasor de tensão RMS e o conjugado complexo do fasor de corrente RMS. Por ser um número complexo, sua parte real é a potência aparente e sua parte imaginária é a potência reativa Q.
( ) O processo de diminuir o fator de potência sem alterar a tensão ou corrente para a carga original é conhecido como correção do fator de potência.
A ordem correta de preenchimento dos parênteses, de cima para baixo, é:
( ) Para a máxima transferência de potência média, a impedância da carga, ZL, deve ser igual ao conjugado complexo da impedância de Thévenin, ZTh.
( ) Potência aparente (em VA) é o produto dos valores RMS da tensão e da corrente.
( ) Potência complexa (em VA) é o produto do fasor de tensão RMS e o conjugado complexo do fasor de corrente RMS. Por ser um número complexo, sua parte real é a potência aparente e sua parte imaginária é a potência reativa Q.
( ) O processo de diminuir o fator de potência sem alterar a tensão ou corrente para a carga original é conhecido como correção do fator de potência.
A ordem correta de preenchimento dos parênteses, de cima para baixo, é:
Provas
Questão presente nas seguintes provas
Segundo Sadiku (2013), sua maior vantagem em relação ao transformador de dois
enrolamentos é sua habilidade em transferir potência aparente maior, além de ter dimensão e peso
menores. O trecho refere-se a um:
Provas
Questão presente nas seguintes provas
Relacione a Coluna 1 à Coluna 2, associando os circuitos com amplificadores operacionais ao respectivo tipo.
Coluna 1
1. 
2. 
3. 
4. 
5. 
Coluna 2
( ) Amplificador diferencial.
( ) Seguidor de tensão.
( ) Amplificador inversor.
( ) Somador.
( ) Amplificador não inversor.
A ordem correta de preenchimento dos parênteses, de cima para baixo, é:
Provas
Questão presente nas seguintes provas
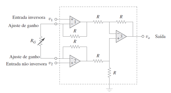
Um Amplificador de instrumentação com resistência externa para ajustar o ganho é
apresentado na Figura 3 a seguir: 
Figura 3
Considere que vo = 2,005 V, v2 = 2,013 e R = 8 kΩ. Se RG for ajustado para 250 Ω, os valores para o ganho de tensão (Av) e a tensão de saída (vo) são:

Figura 3
Considere que vo = 2,005 V, v2 = 2,013 e R = 8 kΩ. Se RG for ajustado para 250 Ω, os valores para o ganho de tensão (Av) e a tensão de saída (vo) são:
Provas
Questão presente nas seguintes provas
Sobre amplificadores operacionais, analise as assertivas abaixo e assinale a
alternativa correta.
I. Um amplificador operacional ideal é um amplificador com ganho de malha aberta infinito, resistência de entrada infinita e resistência de saída zero.
II. Um amplificador inversor inverte a polaridade do sinal de entrada amplificando-o ao mesmo tempo.
III. Um amplificador não inversor é um circuito com amplificador operacional projetado para fornecer um ganho de tensão positivo.
IV. Um amplificador diferencial é um dispositivo que amplifica a diferença entre duas entradas, porém rejeita quaisquer sinais comuns às duas entradas.
I. Um amplificador operacional ideal é um amplificador com ganho de malha aberta infinito, resistência de entrada infinita e resistência de saída zero.
II. Um amplificador inversor inverte a polaridade do sinal de entrada amplificando-o ao mesmo tempo.
III. Um amplificador não inversor é um circuito com amplificador operacional projetado para fornecer um ganho de tensão positivo.
IV. Um amplificador diferencial é um dispositivo que amplifica a diferença entre duas entradas, porém rejeita quaisquer sinais comuns às duas entradas.
Provas
Questão presente nas seguintes provas
NÃO é exemplo de transdutor de medida:
Provas
Questão presente nas seguintes provas
Os ruídos intrínsecos ou inerentes estão presentes na maioria dos componentes
eletrônicos, passivos e ativos, gerados por elementos de circuitos, tais como: resistores, diodos,
transistores bipolares, transistores de efeito de campo. Em relação aos tipos de ruídos intrínseco ou
inerente, analise as assertivas abaixo, assinalando V, se verdadeiras, ou F, se falsas.
( ) O ruído térmico é gerado pela agitação térmica dos elétrons em um condutor.
( ) O ruído burst é causado pelas oscilações aleatórias do movimento dos portadores de carga em um condutor.
( ) O ruído avalanche aparece quando a junção pn é operada no modo de condução reversa.
( ) O ruído shot está relacionado com as imperfeições nos materiais semicondutores e nas implantações de íons pesados.
A ordem correta de preenchimento dos parênteses, de cima para baixo, é:
( ) O ruído térmico é gerado pela agitação térmica dos elétrons em um condutor.
( ) O ruído burst é causado pelas oscilações aleatórias do movimento dos portadores de carga em um condutor.
( ) O ruído avalanche aparece quando a junção pn é operada no modo de condução reversa.
( ) O ruído shot está relacionado com as imperfeições nos materiais semicondutores e nas implantações de íons pesados.
A ordem correta de preenchimento dos parênteses, de cima para baixo, é:
Provas
Questão presente nas seguintes provas
O arredondamento é o processo mediante o qual se eliminam algarismos menos
significativos em um valor medido. A equação a seguir apresenta a soma de três potências:
Pt = 20 W + 5,487 W + 8,75483 W
O valor do Pt, considerando o arredondamento para três casas decimais, é:
Pt = 20 W + 5,487 W + 8,75483 W
O valor do Pt, considerando o arredondamento para três casas decimais, é:
Provas
Questão presente nas seguintes provas
Analise as seguintes asserções e a relação proposta entre elas:
I. Erros Sistemáticos são erros inerentes ao sistema de medição que compreende o meio ambiente, os instrumentos de medição e o observador. Em geral têm comportamento conhecido, o que permite que sejam corrigidos adotando-se procedimentos adequados de medição ou através de correções analíticas.
PORQUE
II. Sempre que as condições ambientais permanecem “constantes”, a magnitude dos erros sistemáticos também se mantém constante. As condições que ocasionam os erros sistemáticos se devem às leis físicas, que podem ser representadas matematicamente (modeladas).
A respeito dessas asserções, assinale a alternativa correta.
I. Erros Sistemáticos são erros inerentes ao sistema de medição que compreende o meio ambiente, os instrumentos de medição e o observador. Em geral têm comportamento conhecido, o que permite que sejam corrigidos adotando-se procedimentos adequados de medição ou através de correções analíticas.
PORQUE
II. Sempre que as condições ambientais permanecem “constantes”, a magnitude dos erros sistemáticos também se mantém constante. As condições que ocasionam os erros sistemáticos se devem às leis físicas, que podem ser representadas matematicamente (modeladas).
A respeito dessas asserções, assinale a alternativa correta.
Provas
Questão presente nas seguintes provas
Cadernos
Caderno Container