Foram encontradas 50 questões.
A norma NBR 6409:1997 tem entre seus objetivos estabelecer os princípios gerais para indicação das tolerâncias de forma, orientação, posição e batimento. Esses tipos de tolerâncias devem ser indicados para assegurar requisitos funcionais, intercambiabilidade e processos de manufatura. No desenho técnico a seguir, qual é o significado da tolerância geométrica apresentada?

Provas
A dureza é uma propriedade mecânica que pode ser definida como a resistência que um material apresenta ao risco ou à penetração. Os ensaios de dureza mais utilizados em engenharia utilizam penetradores de formato padronizado. O penetrador de forma de pirâmide de base quadrada, com ângulo de 136° entre faces opostas, é utilizado em qual tipo de ensaio de dureza?
Provas
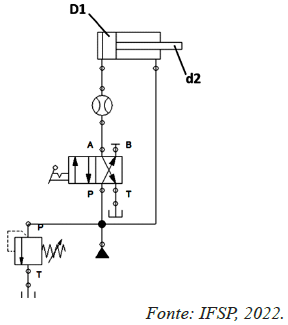
Em um laboratório de mecânica, foi feito um dispositivo hidráulico para controlar a abertura e o fechamento da porta de um forno. Com base no circuito hidráulico do dispositivo, foi pedido para o técnico calcular a velocidade de avanço do pistão (fechamento da porta) e checar a vazão indicada no medidor.

Sabendo-se que D1 = 8 cm, d2 = 5,6 cm, pressão da bomba = 90 bar e vazão da bomba = 40 L/min.
Qual deve ser o valor aproximado indicado no medidor de vazão e a velocidade de avanço do atuador?
Provas
Parafusos, porcas e rebites são fixadores muito utilizados na área da Mecânica em geral. Da mesma forma que os processos de soldagem e união adesiva, os fixadores citados fazem parte dos processos de união e montagem. No caso específico dos fixadores, eles são elementos tipicamente empregados na montagem de máquinas de diferentes níveis de complexidade. Em relação ao dimensionamento e às características dos fixadores citados, avalie as afirmações a seguir:
I – Parafusos e rebites permitem a montagem de conjuntos por meio de união por fixação mecânica não permanente.
II – Após ser apertado por meio de torque, o parafuso fica carregado em tração enquanto as partes unidas ficam em compressão.
III – A resistência mecânica de um fixador rosqueado é especificada por meio de resistência de prova e resistência à tração, em quantidades mínimas.
IV – O rebite é inserido em um furo com diâmetro muito menor do que o seu, permitindo a união de partes por deformação plástica.
É correto o que se afirma apenas em:
Provas
Um técnico precisa desmontar uma máquina para fazer a sua manutenção. Após algumas tentativas em soltar um parafuso de cabeça sextavada, aplicando uma força de 200 N, o técnico percebeu que necessitava de uma alavanca maior para conseguir soltar o parafuso de torque de 50 Nm.
Considerando !$ \sum M = 0 !$.
Qual é o comprimento mínimo de alavanca que o técnico precisa para soltar o parafuso?
Provas
No processo de usinagem, a seleção dos valores, alguns parâmetros como avanço, profundidade de usinagem e velocidade de corte, é selecionada de acordo com o tempo de trabalho desejado, com a fixação da peça e/ou da ferramenta e com a potência de máquina e a integridade da superfície peça e/ou da ferramenta de corte.
Um operador de máquinas operatrizes, após ter feito o processo de desbaste na peça, precisa alterar os parâmetros citados para realizar o processo de acabamento concluindo a usinagem da peça. Considerando que a máquina utilizada tem alta potência e a fixação da peça e/ou da ferramenta estão adequadas e o operador selecionou a ferramenta correta para o processo.
Qual foi a condição que o operador ajustou na máquina para concluir a usinagem da peça adequadamente?
Provas
De forma básica, uma estrutura compreende um conjunto de elementos devidamente apoiados, que são utilizados para suportar possíveis esforços durante a sua respectiva aplicação. Em função dos vínculos (apoios) e das possíveis reações geradas, as estruturas podem ser classificadas como hipostáticas, isostáticas ou hiperestáticas. Analisando a figura abaixo, determine a classificação dessa estrutura e quais são os valores das reações no eixo vertical gerados nos vínculos A e B, de forma respectiva, e o sentido de atuação dessas reações em relação aos esforços de 20 kN e 10 kN, respectivamente. (Unidades em SI - Sistema Internacional de Unidades).

Provas
Os tratamentos térmicos são importantes para a obtenção de microestruturas que propiciem propriedades mecânicas adequadas para as aplicações tecnológicas e são muito utilizados em aços. De forma geral, os tratamentos térmicos de aços envolvem aquecimento, homogeneização (estrutura austenítica) e resfriamento; o que gera uma combinação entre os principais materiais metálicos e as tecnologias de tratamentos. Em relação ao aço eutetoide (ABNT 1080), partindo-se de uma estrutura devidamente aquecida e totalmente austenítica, analise as seguintes afirmações:
I – O tratamento de recozimento pleno tem o intuito de elevar a resistência mecânica do material.
II – A transformação martensítica é um processo que envolve difusão de carbono durante a transformação da austenita em martensita.
III – A austenita apresenta estrutura cúbica de face centrada (CFC) e a martensita, estrutura hexagonal compacta (HC).
IV – A têmpera consiste em um resfriamento lento realizado em forno adequado para tratamentos térmicos de aços.
É correto apenas o que se afirma em:
Provas
Os processos de fabricação estão presentes na sociedade contemporânea e permitem a confecção de produtos e a geração de serviços destinados a esses produtos. Dentro desses processos, a usinagem baseia-se na remoção de materiais para obter a forma desejada da peça ou a do componente e, em função disso, também é chamada de manufatura subtrativa. Em relação à usinagem, pode-se afirmar com certeza que:
Provas
O técnico precisa utilizar duas barras cilíndricas de secção transversal sólida soldados em um dispositivo que será submetido a um carregamento, como mostrado na figura. A tensão máxima, em qualquer um dos eixos soldados, não pode ultrapassar 100 Mpa. Adotar !$ \pi = 3,14 !$.

Qual o menor valor admissível aproximado do diâmetro da barra AB (400 mm) que o técnico deve escolher?
Provas
Caderno Container