Foram encontradas 40 questões.
Para a aplicação do critério da capacidade de condução de corrente ao dimensionamento de circuitos NÃO é necessário conhecer
Provas
Questão presente nas seguintes provas

A sensibilidade vertical é de 0,5V/div
A sensibilidade horizontal é de 10!$ \mu !$s/div
A figura mostra a tela do osciloscópio que analisa a tensão (V) e a corrente ( I ) de entrada de um circuito.
É verdadeiro afirmar que o circuito é
Provas
Questão presente nas seguintes provas

Supondo amplificadores operacionais ideais, afirmar se que o circuito se comporta como um
Provas
Questão presente nas seguintes provas
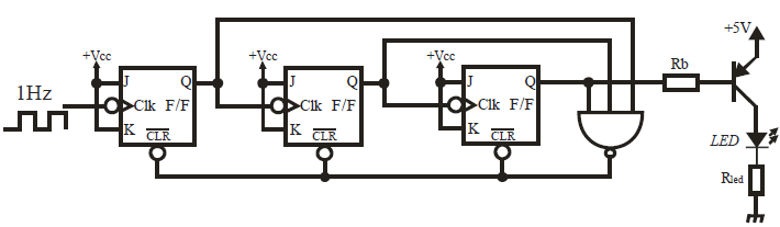
Observe o circuito abaixo.

O LED está
Provas
Questão presente nas seguintes provas
Nas figuras abaixo as correntes I1, I2, I3 e I4 são geradas pelo movimento do ímã em relação a bobina.

As correntes com sentido convencional corretos são, respectivamente,
Provas
Questão presente nas seguintes provas
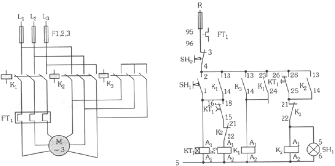
Observe a figura abaixo.

A figura acima mostra o circuito de força e de comando de uma chave de partida estrela-triângulo para um motor de indução trifásico.
Considere as afirmativas abaixo.
I. Quando as contatoras K1 e K3 estão ligadas, as bobinas do motor têm aproximadamente 58% da tensão que deveriam receber.
II. A função dos contatos auxiliares (21-22) de K2 é de evitar o religamento de K3, mesmo que acidental, assegurando, dessa forma, que as bobinas do motor não sejam colocadas em curto-circuito.
III. Este tipo de chave só pode ser usada para motores de no mínimo 9 bornes.
IV. Este tipo de chave é utilizado para partida de motores a plena carga.
Está(ão) correta(s) a(s) afirmativa(s)
Provas
Questão presente nas seguintes provas
Considere os símbolos abaixo

Os símbolos “a”, “b”, “c”, “d” e “e” referem-se respectivamente aos componentes
Provas
Questão presente nas seguintes provas
Considere as seguintes afirmativas
I. O SCR é um dispositivo bidirecional.
II. Com o aumento da tensão entre anodo e catodo, (VAK), é possível provocar um disparo no SCR sem que haja a aplicação de um pulso no terminal de gatilho.
III. A única forma de disparo do SCR é através da aplicação de um pulso positivo no terminal de gatilho.
Está(ão) correta(s) a(s) afirmativa(s)
Provas
Questão presente nas seguintes provas
A Pilha ou Stack do microcontrolador PIC 16F628 é
Provas
Questão presente nas seguintes provas
Os microcontroladores PIC apresentam arquitetura
Provas
Questão presente nas seguintes provas
Cadernos
Caderno Container