Foram encontradas 40 questões.
Observe o circuito abaixo.

Na figura, o conversor A/D é de 8 bits e a faixa de conversão é de 0 a 5V. Para arredondamentos, considere somente a parte inteira do número. Variando o potenciômetro do mínimo ao máximo da resistência, os valores mínimo e máximo que aparecem nos display são, respectivamente,
Provas
Questão presente nas seguintes provas
Observe o circuito abaixo

O valor do resistor RB para que a Lâmpada L acenda é
Provas
Questão presente nas seguintes provas

Supondo amplificadores operacionais ideais, o ganho Vo/Vi, sendo Vi=(V1-V2), é
Provas
Questão presente nas seguintes provas
Observe o circuito abaixo.

Considerando o transformador e o diodo ideais, a potência média entregue para a carga (R1) é de
Provas
Questão presente nas seguintes provas
Observe a figura abaixo

Considerando que o diodo não é ideal, a sua tensão VD é
Provas
Questão presente nas seguintes provas
Observe o circuito abaixo

É correto afirmar que o transistor está operando na região
Provas
Questão presente nas seguintes provas
Um motor trifásico de indução com rotor em gaiola, 60Hz, seis pólos, quando opera à plena carga apresenta um escorregamento de 6%. A rotação do motor neste ponto de operação é de
Provas
Questão presente nas seguintes provas
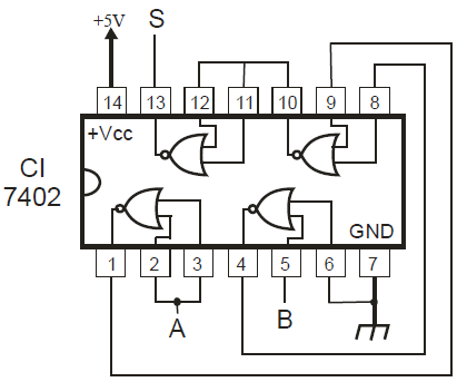
Observe o circuito abaixo.

O circuito integrado 7402, interligado de acordo com a figura, tem, como entradas, as variáveis A e B e, como saída, a variável S. A expressão lógica que representa o circuito implementado é
Provas
Questão presente nas seguintes provas
Observe o circuito abaixo

Supondo que o amplificador operacional não é ideal e que apresenta uma corrente de polarização muito pequena, o módulo da tensão de offset do amplificador operacional |Vos| é
Provas
Questão presente nas seguintes provas
Observe os circuitos abaixo.

Os circuitos são, respectivamente,
Provas
Questão presente nas seguintes provas
Cadernos
Caderno Container