Foram encontradas 40 questões.
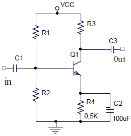
Considere o amplificador de pequenos sinais a seguir.

Neste circuito, a retirada do capacitor C2 implica:
Provas
Questão presente nas seguintes provas
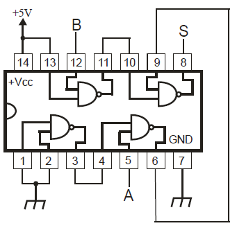
Observe o circuito abaixo.

A tabela verdade que representa o comportamento do circuito implementado é
Provas
Questão presente nas seguintes provas
Observe o circuito abaixo.

No circuito dado, temos duas lâmpadas L1 e L2 idênticas (5 W – 6 V), uma fonte CC de 6 V e um capacitor de 65 mF. Admitindo que os valores dos componentes são compatíveis com o objetivo do experimento (análise do regime transitório), é CORRETO afirmar que, ao fecharmos a chave interruptora:
Provas
Questão presente nas seguintes provas
No circuito estabilizador, a tensão no Zenner vale 6,2V. Então, a potência dissipada no diodo é de:

Provas
Questão presente nas seguintes provas
Observe os circuitos abaixo.

Considerando os diodos reais e os resistores R1 e R2 iguais, é CORRETO dizer que:
Provas
Questão presente nas seguintes provas
Observe o circuito abaixo.

O comportamento do LED é
Provas
Questão presente nas seguintes provas
Num oscilador senoidal, as condições para uma partida segura são:
Provas
Questão presente nas seguintes provas
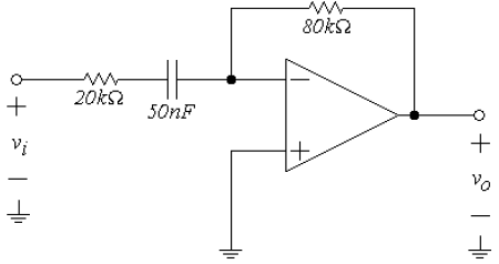
Considere o circuito esquematizado na figura abaixo.

O circuito esquematizado na figura acima tem comportamento de um filtro passa-altas com constante de tempo simples. A afirmativa que contém o valor correto da frequência de corte (ω0) de tal circuito é
Provas
Questão presente nas seguintes provas
Os sistemas de rádio-difusão comercial conhecidos por AM e FM, apresentam as seguintes características técnicas, respectivamente:
Provas
Questão presente nas seguintes provas
Dados os reguladores de tensão, considere os diodos reais com 0,7V de tensão direta. Para o LM317, adote 1,25V entre o terminal “out” e o terminal “com”.

Nessas condições, as tensões de saída em relação ao GND, no LM317 e no 78L08 são, respectivamente:
Provas
Questão presente nas seguintes provas
Cadernos
Caderno Container