Foram encontradas 40 questões.
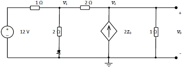
Observe o circuito abaixo.

A tensão V0 tem o valor de
Provas
Questão presente nas seguintes provas
Observe o circuito abaixo.

A função de transferência H(s) = Vo(s)/Vs(s) é dada pela expressão
Provas
Questão presente nas seguintes provas
Uma função da soft-starter é a de
Provas
Questão presente nas seguintes provas
O relé de proteção PTC é utilizado para
Provas
Questão presente nas seguintes provas
Sobre as correntes de linha na entrada de um retificador trifásico de onda completa (Ponte de Graetz), afirma-se:
I. Consistem de ondas alternadas idênticas, defasadas 120°.
II. São resultado da condução simultânea de dois dos diodos da ponte de cada vez.
III. São resultado da condução não simultânea de cada um dos diodos da ponte.
Estão corretas as afirmativas
Provas
Questão presente nas seguintes provas
Observe o circuito abaixo.

Sabendo que a corrente máxima de acionamento de porta IGTM é 80 mA, a corrente mínima de acionamento de porta IGT é 50 mA e a tensão máxima entre gate e cátodo VGK é 2 V, um valor de RG capaz de fornecer uma corrente suficiente para a passagem do SCR para o estado ligado, satisfazendo os requisitos de corrente de porta, é
Provas
Questão presente nas seguintes provas
A tensão v = 60 cos(120!$ \pi !$) é aplicada a um circuito série de duas impedâncias Z1 e Z2. Sabendo que Z1 é igual a 30 ohms puramente resistivo e Z2 é igual a 30 ohms puramente indutivo, a corrente nesse circuito é
Provas
Questão presente nas seguintes provas
Na modulação por largura de pulso senoidal, os parâmetros que regulam a tensão de saída são,
Provas
Questão presente nas seguintes provas
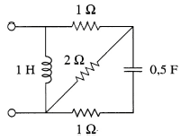
Observe o circuito abaixo.

A impedância de entrada Zin (s) tem a seguinte expressão
Provas
Questão presente nas seguintes provas
A tensão de linha na saída de um inversor de frequência está ajustada para 110 V. A velocidade do rotor do motor de indução trifásico 220V; 60Hz de 4 pólos acionado por esse inversor é de aproximadamente
Provas
Questão presente nas seguintes provas
Cadernos
Caderno Container